- 易迪拓培训,专注于微波、射频、天线设计工程师的培养
饱和电感及其在开关电源中的应用
录入:edatop.com 点击:
饱和电感是一种磁滞回线矩形比高,起始磁导率高,矫顽力小,具有明显磁饱和点的电感,在电子电路中常被当作可控延时开关元件来使用。由于其独特的物理特性,使之在高频开关电源的开关噪声抑制,大电流输出辅路稳压,移相全桥变换器,谐振变换器及逆变电源等方面得到了日益广泛的应用。
1 饱和电感的分类及其物理特性
1.1 饱和电感的分类
饱和电感可分为自饱和和可控饱和二类。
1.1.1 自饱和电感(Saturable inductor)
其电感量随通过的电流大小可变。若铁心磁特性是理想的(例如呈矩形),如图1(a)所示,则饱和电感工作时,类似于一个“开关”,即绕组中的电流小时,铁心不饱和,绕组电感很大,相当于“开路”;绕组中电流大时,铁心饱和,绕组电感小,相当于开关“短路”。
1.1.2 可控饱和电感(controlled saturable inductor)
又称可控饱和电抗器(controlled saturable reactor),其基本原理是,带铁心的交流线圈在直流激磁作用下,由于交直流同时激磁,使铁心状态一周期内按局部磁回线变化,因此,改变了铁心等效磁导率和线圈电感。若铁心磁特性是理想的(B-H特性呈矩形),则可控饱和电感类似于一个“可控开关”。在开关电源中,应用可控饱和电感可以吸收浪涌,抑制尖峰,消除振荡,与快速恢复整流管串联时可使整流管损耗减小。如图1(b)所示,可控饱和电感具有高磁滞回线矩形比(Br/Bs),高起始磁导率μi,低矫顽力Hc,明显的磁饱和点(A,B)及由于其磁滞回线所包围的面积狭小而使其高频磁滞损耗较小等特征。为此,可控饱和电感在应用方面的两个显著特点为
1)由于饱和磁场强度很小,所以,可饱和电感的储能能力很弱,不能被当作储能电感使用。可饱和电感的最大储能Em的理论值可用式(1)表示。
Em=μVH2/2 (1)
式中:
μ为临界饱和点磁导率;
H为临界饱和点磁场强度;
V为磁性材料的有效体积。
2)由于可饱和电感的起始磁导率高,磁阻小,电感系数和电感量都很大,在施加外部电压时,电感内部起始电流增长缓慢,只有经过Δt的延时后,当电感线圈中的电流达到一定数值时,可饱和电感才会立即饱和,因而在电路中常被当作可控延时开关元件使用。
因为,有气隙和无气隙的dB/di磁路的计算方法不同,所以,分别对两种情况进行讨论。
1.2.1 无气隙可饱和电感与电流的关系
无气隙可饱和电感L随电流变化的关系可用式(2)表示。
L=
(2)
式中:
W为电感绕组匝数;
I为激磁电流;
f为电感用磁性材料B~H曲线的对应函数;
S为磁性材料的截面积;
l磁性材料的为平均长度。
1.2.2 有气隙可饱和电感与电流的关系
任意给定一个导磁体磁路中磁感应强度B1,可由B=f(H)曲线求出导磁体磁路中的磁场强度H1。气隙中的H0值可用式(3)表示。
H0=
B1 (3)
式中:
B0为空气隙磁感应强度;
a和b为磁路矩形截面积边长;
l0为气隙长度;
μ0为空气磁导率。
由磁路定律得I=
。改变B值并重复上述步骤,可求出相应的I,得到一组B和I的关系数据。设这个B与I对应的函数为B=f1(I)。
在不考虑漏感时,电感的计算式可用式(4)表示。
L=W
=WS
(4)
式中:φ为磁路磁通量。
则有气隙可饱和电感与电流的关系为
L=WSf1(I) (5)
2 饱和电感在开关电源中的应用
2.1 尖峰抑制器
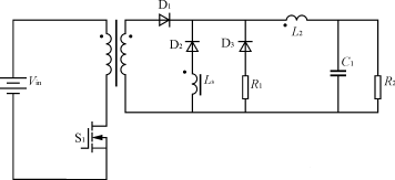
开关电源中尖峰干扰主要来自功率开关管和二次侧整流二极管的开通和关断瞬间。具有容易饱和,储能能力弱等特点的饱和电感能有效抑制这种尖峰干扰。将饱和电感与整流二极管串联,在电流升高的瞬间,它呈现高阻抗,抑制尖峰电流,而饱和后其饱和电感量很小,损耗小。通常将这种饱和电抗器作为尖峰抑制器。
在图2所示电路中,当S1导通时,D1导通,D2截至,由于可饱和电感Ls的限流作用,D2中流过的反向恢复电流的幅值和变化率都会显著减小,从而有效地抑制了高频导通噪声的产生。当S1关断时,D1截至,D2导通,由于Ls存在着导通延时时间Δt,这将影响D2的续流作用,并会在D2的负极产生负值尖峰电压。为此,在电路中增加了辅助二极管D3和电阻R1。
磁放大器是利用可控饱和电感导通延时的物理特性,控制开关电源的占空比和输出功率。该开关特性受输出电路反馈信号的控制,即利用磁芯的开关功能,通过弱信号来实现电压脉冲脉宽控制以达到输出电压的稳定。在可控饱和电感上加上适当的采样和控制器件,调节其导通延时的时间,就可以构成最常见的磁放大器稳压电路。
磁放大器稳压电路有电压型控制和电流型控制两种。图3所示为电压型复位电路,它包括电压检测及误差放大电路,复位电路和控制输出二极管D3,它是单闭环电压调节系统。

2.3 移相全桥ZVS-PWM变换器
移相全桥ZVS-PWM变换器结合了零电压开关准谐振技术和传统PWM技术两者的优点,工作频率固定,在换相过程中利用LC谐振使器件零电压开关,在换相完毕后仍然采用PWM技术传送能量,控制简单,开关损耗小,可靠性高,是一种适合于大中功率开关电源的软开关电路。但当负载很轻时,尤其是滞后桥臂开关管的ZVS条件难以满足。
将饱和电感作为移相全桥ZVS-PWM变换器的谐振电感[3],能扩大轻载下开关电源满足ZVS条件的范围。将其应用于弧焊逆变电源中[4],可减少附加环路能量和有效占空比的损失,在保证效率的基础上,扩展了零电压切换的负载范围,提高了软开关弧焊逆变电源的可靠性。
将饱和电感与开关电源的隔离变压器二次输出整流管串联,可消除二次寄生振荡,减小循环能量,并使移相全桥ZVS-PWM开关电源的占空比损失最小。
除此以外,将饱和电感与电容串接在移相全桥ZVS-PWM开关电源变压器一次[5],超前臂开关管按ZVS工作;当负载电流趋近于零时,电感量增大,阻止电流反向变化,创造了滞后臂开关管ZCS条件,实现移相全桥ZV-ZCSPWM变换器。
2.4 谐振变换器
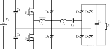
采用串联电感或饱和电感的串联谐振变换器[6]如图5所示。当谐振电感电流工作在连续状态时,开关管为零电压/零电流关断,但开通是硬开通,存在开通损耗。反并联二极管为自然开通,但关断时有反向恢复电流,因此,反并联二极管必须采用快恢复二极管。为了减小开关管的开通损耗,实现零电流开通,可以使开关管串联电感或饱和电感。开关管开通之前,饱和电感电流为零。当开关管开通时,饱和电感限制开关管的电流上升率,使开关管电流从零慢慢上升,从而实现开关管的零电流开通,同时改善了二极管的关断条件,消除了反向恢复问题。
逆变电源以其控制性能好,效率高,体积小等诸多优点,被广泛用于自动控制,电力电子及精密仪器等各个方面。它的性能与整个系统的品质息息相关,尤其是电源的动态性能。由于逆变电源自身的特点,其动态特性一直不够理想。
采用PWM和PFM控制的逆变电源,其工作原理决定了要得到平滑的电流电压波形,必须在其输出电路上加续流电感,而该电感正是影响逆变电源动态性能的主要因素。对于恒压源,电感电流与负载完全成反比关系;对于可控恒流源,要使电感电流由小变大,必然要以小的负载值作为前提,尽管不是完全的对应关系,但可以说电流的变化在某种程度上反映了负载的变化。
因此,采用随电流增大而减小的电感作为逆变电源的输出电感,可有效地改变电源输出电路的时间常数T,使其完全与R成反比(T=L/R),进而在负载变化范围内维持在一个相对较小的数值上,这样自然会提高动态性能。
3 结语
本文详述了饱和电感的物理特性及其电感与电流的变化关系,在此基础上总结了饱和电感在尖峰抑制器,磁放大器,移相全桥ZVS PWM变换器,谐振变换器和逆变电源中的应用情况,并简要地分析了它们的工作原理。
来源:电子工程网
1 饱和电感的分类及其物理特性
1.1 饱和电感的分类
饱和电感可分为自饱和和可控饱和二类。
1.1.1 自饱和电感(Saturable inductor)
其电感量随通过的电流大小可变。若铁心磁特性是理想的(例如呈矩形),如图1(a)所示,则饱和电感工作时,类似于一个“开关”,即绕组中的电流小时,铁心不饱和,绕组电感很大,相当于“开路”;绕组中电流大时,铁心饱和,绕组电感小,相当于开关“短路”。
1.1.2 可控饱和电感(controlled saturable inductor)
又称可控饱和电抗器(controlled saturable reactor),其基本原理是,带铁心的交流线圈在直流激磁作用下,由于交直流同时激磁,使铁心状态一周期内按局部磁回线变化,因此,改变了铁心等效磁导率和线圈电感。若铁心磁特性是理想的(B-H特性呈矩形),则可控饱和电感类似于一个“可控开关”。在开关电源中,应用可控饱和电感可以吸收浪涌,抑制尖峰,消除振荡,与快速恢复整流管串联时可使整流管损耗减小。如图1(b)所示,可控饱和电感具有高磁滞回线矩形比(Br/Bs),高起始磁导率μi,低矫顽力Hc,明显的磁饱和点(A,B)及由于其磁滞回线所包围的面积狭小而使其高频磁滞损耗较小等特征。为此,可控饱和电感在应用方面的两个显著特点为
1)由于饱和磁场强度很小,所以,可饱和电感的储能能力很弱,不能被当作储能电感使用。可饱和电感的最大储能Em的理论值可用式(1)表示。
Em=μVH2/2 (1)
式中:
μ为临界饱和点磁导率;
H为临界饱和点磁场强度;
V为磁性材料的有效体积。
2)由于可饱和电感的起始磁导率高,磁阻小,电感系数和电感量都很大,在施加外部电压时,电感内部起始电流增长缓慢,只有经过Δt的延时后,当电感线圈中的电流达到一定数值时,可饱和电感才会立即饱和,因而在电路中常被当作可控延时开关元件使用。

(a)理想磁特性B=f(H) (b)可饱和电感的B=f(H)
图1 饱和电感的B-H特性
1.2 可饱和电感随电流变化的关系因为,有气隙和无气隙的dB/di磁路的计算方法不同,所以,分别对两种情况进行讨论。
1.2.1 无气隙可饱和电感与电流的关系
无气隙可饱和电感L随电流变化的关系可用式(2)表示。
L=

(2)
式中:
W为电感绕组匝数;
I为激磁电流;
f为电感用磁性材料B~H曲线的对应函数;
S为磁性材料的截面积;
l磁性材料的为平均长度。
1.2.2 有气隙可饱和电感与电流的关系
任意给定一个导磁体磁路中磁感应强度B1,可由B=f(H)曲线求出导磁体磁路中的磁场强度H1。气隙中的H0值可用式(3)表示。
H0=

B1 (3)
式中:
B0为空气隙磁感应强度;
a和b为磁路矩形截面积边长;
l0为气隙长度;
μ0为空气磁导率。
由磁路定律得I=
。改变B值并重复上述步骤,可求出相应的I,得到一组B和I的关系数据。设这个B与I对应的函数为B=f1(I)。
在不考虑漏感时,电感的计算式可用式(4)表示。
L=W
=WS
(4)
式中:φ为磁路磁通量。
则有气隙可饱和电感与电流的关系为
L=WSf1(I) (5)
2 饱和电感在开关电源中的应用
2.1 尖峰抑制器
开关电源中尖峰干扰主要来自功率开关管和二次侧整流二极管的开通和关断瞬间。具有容易饱和,储能能力弱等特点的饱和电感能有效抑制这种尖峰干扰。将饱和电感与整流二极管串联,在电流升高的瞬间,它呈现高阻抗,抑制尖峰电流,而饱和后其饱和电感量很小,损耗小。通常将这种饱和电抗器作为尖峰抑制器。
在图2所示电路中,当S1导通时,D1导通,D2截至,由于可饱和电感Ls的限流作用,D2中流过的反向恢复电流的幅值和变化率都会显著减小,从而有效地抑制了高频导通噪声的产生。当S1关断时,D1截至,D2导通,由于Ls存在着导通延时时间Δt,这将影响D2的续流作用,并会在D2的负极产生负值尖峰电压。为此,在电路中增加了辅助二极管D3和电阻R1。

图2 尖峰抑制器的应用
2.2 磁放大器磁放大器是利用可控饱和电感导通延时的物理特性,控制开关电源的占空比和输出功率。该开关特性受输出电路反馈信号的控制,即利用磁芯的开关功能,通过弱信号来实现电压脉冲脉宽控制以达到输出电压的稳定。在可控饱和电感上加上适当的采样和控制器件,调节其导通延时的时间,就可以构成最常见的磁放大器稳压电路。
磁放大器稳压电路有电压型控制和电流型控制两种。图3所示为电压型复位电路,它包括电压检测及误差放大电路,复位电路和控制输出二极管D3,它是单闭环电压调节系统。

图3 磁放大器电压型复位稳压电路
图4所示为移相全桥ZVS-PWM开关电源磁放大器稳压器[2]。全桥开关电路变压器二次双半波整流各接一个磁放大器SR,其铁心绕有工作绕组和控制绕组。在正半周,当某输出整流管正偏(另一输出整流管反偏),变压器副边输出的方波脉冲加在相应的工作绕组上,使SR铁心正向磁化(增磁);在负半周,该输出整流管反偏,和控制绕组串联的二极管D3正偏导通,在直流控制电流Ic的作用下,使该SR的铁心去磁(复位)。 
图4 移相全桥ZVS-PWM开关电源磁放大器稳压器
控制电路的工作原理是:开关电源输出电压与基准比较后,经误差放大控制MOS管的栅极,MOS管提供与输出电压有关的磁放大器SR的控制电流Ic。2.3 移相全桥ZVS-PWM变换器
移相全桥ZVS-PWM变换器结合了零电压开关准谐振技术和传统PWM技术两者的优点,工作频率固定,在换相过程中利用LC谐振使器件零电压开关,在换相完毕后仍然采用PWM技术传送能量,控制简单,开关损耗小,可靠性高,是一种适合于大中功率开关电源的软开关电路。但当负载很轻时,尤其是滞后桥臂开关管的ZVS条件难以满足。
将饱和电感作为移相全桥ZVS-PWM变换器的谐振电感[3],能扩大轻载下开关电源满足ZVS条件的范围。将其应用于弧焊逆变电源中[4],可减少附加环路能量和有效占空比的损失,在保证效率的基础上,扩展了零电压切换的负载范围,提高了软开关弧焊逆变电源的可靠性。
将饱和电感与开关电源的隔离变压器二次输出整流管串联,可消除二次寄生振荡,减小循环能量,并使移相全桥ZVS-PWM开关电源的占空比损失最小。
除此以外,将饱和电感与电容串接在移相全桥ZVS-PWM开关电源变压器一次[5],超前臂开关管按ZVS工作;当负载电流趋近于零时,电感量增大,阻止电流反向变化,创造了滞后臂开关管ZCS条件,实现移相全桥ZV-ZCSPWM变换器。
2.4 谐振变换器
采用串联电感或饱和电感的串联谐振变换器[6]如图5所示。当谐振电感电流工作在连续状态时,开关管为零电压/零电流关断,但开通是硬开通,存在开通损耗。反并联二极管为自然开通,但关断时有反向恢复电流,因此,反并联二极管必须采用快恢复二极管。为了减小开关管的开通损耗,实现零电流开通,可以使开关管串联电感或饱和电感。开关管开通之前,饱和电感电流为零。当开关管开通时,饱和电感限制开关管的电流上升率,使开关管电流从零慢慢上升,从而实现开关管的零电流开通,同时改善了二极管的关断条件,消除了反向恢复问题。

图5 谐振变换器
2.5 逆变电源逆变电源以其控制性能好,效率高,体积小等诸多优点,被广泛用于自动控制,电力电子及精密仪器等各个方面。它的性能与整个系统的品质息息相关,尤其是电源的动态性能。由于逆变电源自身的特点,其动态特性一直不够理想。
采用PWM和PFM控制的逆变电源,其工作原理决定了要得到平滑的电流电压波形,必须在其输出电路上加续流电感,而该电感正是影响逆变电源动态性能的主要因素。对于恒压源,电感电流与负载完全成反比关系;对于可控恒流源,要使电感电流由小变大,必然要以小的负载值作为前提,尽管不是完全的对应关系,但可以说电流的变化在某种程度上反映了负载的变化。
因此,采用随电流增大而减小的电感作为逆变电源的输出电感,可有效地改变电源输出电路的时间常数T,使其完全与R成反比(T=L/R),进而在负载变化范围内维持在一个相对较小的数值上,这样自然会提高动态性能。
3 结语
本文详述了饱和电感的物理特性及其电感与电流的变化关系,在此基础上总结了饱和电感在尖峰抑制器,磁放大器,移相全桥ZVS PWM变换器,谐振变换器和逆变电源中的应用情况,并简要地分析了它们的工作原理。
来源:电子工程网
射频工程师养成培训教程套装,助您快速成为一名优秀射频工程师...
天线设计工程师培训课程套装,资深专家授课,让天线设计不再难...
上一篇:开关电源中功率因数校正如何选用电感材料
下一篇:开关电源中线圈电感量的计算
射频和天线工程师培训课程详情>>

