- 易迪拓培训,专注于微波、射频、天线设计工程师的培养
开关电源设计要点
录入:edatop.com 点击:
开关电源某些参数做得不好会造成EMC难过关、待机功耗大、效率不高。如何减小开关电源的待机功耗、提高开关电源的效率是全球电源行业共同关注的问题。本 文配图讲述绿色开关电源设计要点。
电子元件技术网上有段话:随着现代科学技术的发展,器件的性能提高,特别是节能型电源芯片如雨后春笋般涌现,加上电路设计的成熟,要设计效率高、待机功耗小的节能型开关电源已是不 太难的事情,设计节能型开关电源正是适应了节能减排的需求。近几年来,美国“能源之星”的实施对设计和制造高性能的节能型开关电源起到了推波助澜的作用。
符合“能源之星”的开关电源又叫“绿色开关电源”,针对开关电源的“能源之星”已经有了多个版本,随着版本的升级,开关电源的效率越来越高,待机功 耗越来越小,但设计难度也会越来越大。开关电源的效率一般在满载输出功率时测试,但CEC(美国加州)及“能源之星”规范中对设计的平均效率是在负载的四 个测试点进行实际测量,这四个点是:25%,50%,75%及1 0 0%,设计是有一定难度的。
本人现在以图一的电路图为例,以美国加州能源之星法案(Ⅳ等级)Table U-2(2008年1月执行)为设计依据来阐述设计绿色开关电源的要点。美国加州能源之星法案(Ⅳ等级)Table U-2的要求如下:
注意1:表中Pn是外置型开关电源的标准输出功率,Ln是自然对数。
注意2:美国加州“能源之星”是强制执行的,是美国加州地方法规。进入美国加州的商品开关电源必须遵守这一法规。我国不少厂商是按照美国加州“能源 之星”法案来设计和生产绿色开关电源的。
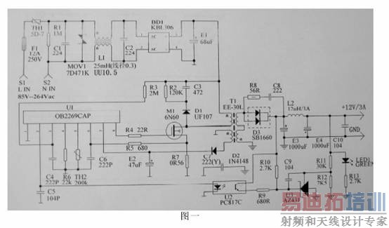
图一所示是输出为12V3A的并联型反激式开关电源,作为14英寸至17英寸的液晶显示器的电源适配器之用。
绿色开关电源的设计要点
绿色开关电源的主要内容是效率高,待机功耗小。36W的效率要求大于83%,待机功耗要小于0.5W。现在的电源芯片供应商提供的一般都是绿色电源 芯片,待机功耗一般都会很小。但是,效率高除了与芯片有关外,还与其它器件有流+反向漏电流 Idss×反压,用6N60加散热器可满足要求。
二次整流管工作在高频脉冲状态下,在12V3A输出时,要求工作耐压大于输出电压的4 倍,工作电流大于输出电流的3倍,用耐压60V,工作电流为16A的SB1660肖特基二极管可满足要求,但一定要加散热器。
电源芯片的功耗越小越好,因为它除了影响整机效率和待机功耗外,还涉及整机的工作稳定性,其功耗越大,温升越高,工作越不稳定。如昂宝公司的绿色开 关电源芯片 0B2269AP,其正常工作功耗小于30mW,工作稳定。
5) 软件设计从我爱方案网的那些经典方案案例中我们可以知道,软件设计是整个方案的经脉,它直接决定了整个方案的运行质量和效率,同时是体现出方案的功能及可靠性。STC11F02芯片的片内程序是在软件开发环境Keil uVision2下进行编写的,该程序的重点在于模拟SPI通信协议,理论设计的时序波形如图所示。软件代码由C语言实现,通过示波器观测到单片机模拟出来的SPI波形如图5所示。其中Tek1为SDI;TeK2为CLK;TeK3为LE;TeK4为OE,满足设计要求。

SPI时序图

SPI波形
首先将SPI模拟程序模块化,主要是为了方便调用;在整个流程中改变最多的是缓冲器内的数据,数据改变,相应的显示效果就会变化;连续的数据变化产生了不同的点灯,这也就展现了护栏灯多彩耀眼的特色。
小结
本护栏灯设计方案是1米长的单元模块,更长的护栏距离需要将这些小单元级联起来,提高控制信号的驱动能力即可。选取16通道的LN0134芯片是为了提高LED灯的数量,依照芯片的性能参数,改变电源的供给电路可更好地扩展应用电路,驱动更多LED灯。选取STC11F02芯片是为了节约成本,简化主控单元。本方案总体设计遵循了可靠、简单、实用的原则,为更多的护栏效果提供了借鉴和帮助。
电子元件技术网上有段话:随着现代科学技术的发展,器件的性能提高,特别是节能型电源芯片如雨后春笋般涌现,加上电路设计的成熟,要设计效率高、待机功耗小的节能型开关电源已是不 太难的事情,设计节能型开关电源正是适应了节能减排的需求。近几年来,美国“能源之星”的实施对设计和制造高性能的节能型开关电源起到了推波助澜的作用。
符合“能源之星”的开关电源又叫“绿色开关电源”,针对开关电源的“能源之星”已经有了多个版本,随着版本的升级,开关电源的效率越来越高,待机功 耗越来越小,但设计难度也会越来越大。开关电源的效率一般在满载输出功率时测试,但CEC(美国加州)及“能源之星”规范中对设计的平均效率是在负载的四 个测试点进行实际测量,这四个点是:25%,50%,75%及1 0 0%,设计是有一定难度的。
本人现在以图一的电路图为例,以美国加州能源之星法案(Ⅳ等级)Table U-2(2008年1月执行)为设计依据来阐述设计绿色开关电源的要点。美国加州能源之星法案(Ⅳ等级)Table U-2的要求如下:
注意1:表中Pn是外置型开关电源的标准输出功率,Ln是自然对数。
注意2:美国加州“能源之星”是强制执行的,是美国加州地方法规。进入美国加州的商品开关电源必须遵守这一法规。我国不少厂商是按照美国加州“能源 之星”法案来设计和生产绿色开关电源的。

图一所示是输出为12V3A的并联型反激式开关电源,作为14英寸至17英寸的液晶显示器的电源适配器之用。
绿色开关电源的设计要点
绿色开关电源的主要内容是效率高,待机功耗小。36W的效率要求大于83%,待机功耗要小于0.5W。现在的电源芯片供应商提供的一般都是绿色电源 芯片,待机功耗一般都会很小。但是,效率高除了与芯片有关外,还与其它器件有流+反向漏电流 Idss×反压,用6N60加散热器可满足要求。
二次整流管工作在高频脉冲状态下,在12V3A输出时,要求工作耐压大于输出电压的4 倍,工作电流大于输出电流的3倍,用耐压60V,工作电流为16A的SB1660肖特基二极管可满足要求,但一定要加散热器。
电源芯片的功耗越小越好,因为它除了影响整机效率和待机功耗外,还涉及整机的工作稳定性,其功耗越大,温升越高,工作越不稳定。如昂宝公司的绿色开 关电源芯片 0B2269AP,其正常工作功耗小于30mW,工作稳定。
5) 软件设计从我爱方案网的那些经典方案案例中我们可以知道,软件设计是整个方案的经脉,它直接决定了整个方案的运行质量和效率,同时是体现出方案的功能及可靠性。STC11F02芯片的片内程序是在软件开发环境Keil uVision2下进行编写的,该程序的重点在于模拟SPI通信协议,理论设计的时序波形如图所示。软件代码由C语言实现,通过示波器观测到单片机模拟出来的SPI波形如图5所示。其中Tek1为SDI;TeK2为CLK;TeK3为LE;TeK4为OE,满足设计要求。

SPI时序图

SPI波形
首先将SPI模拟程序模块化,主要是为了方便调用;在整个流程中改变最多的是缓冲器内的数据,数据改变,相应的显示效果就会变化;连续的数据变化产生了不同的点灯,这也就展现了护栏灯多彩耀眼的特色。
小结
本护栏灯设计方案是1米长的单元模块,更长的护栏距离需要将这些小单元级联起来,提高控制信号的驱动能力即可。选取16通道的LN0134芯片是为了提高LED灯的数量,依照芯片的性能参数,改变电源的供给电路可更好地扩展应用电路,驱动更多LED灯。选取STC11F02芯片是为了节约成本,简化主控单元。本方案总体设计遵循了可靠、简单、实用的原则,为更多的护栏效果提供了借鉴和帮助。
射频工程师养成培训教程套装,助您快速成为一名优秀射频工程师...
射频和天线工程师培训课程详情>>

