- 易迪拓培训,专注于微波、射频、天线设计工程师的培养
电路滤波原理
录入:edatop.com 点击:
滤波电容容量大,因此一般采用电解电容,在接线时要注意电解电容的正、负极。电容滤波电路利用电容的充、放电作用,使输出电压趋于平滑。
★当u2为正半周并且数值大于电容两端电压uC时,二极管D1和D3管导通,D2和D4管截止,电流一路流经负载电阻RL,另一路对电容C充电。当uC>u2,导致D1和D3管反向偏置而截止,电容通过负载电阻RL放电,uC按指数规律缓慢下降。

★当u2为负半周幅值变化到恰好大于uC时,D2和D4因加正向电压变为导通状态,u2再次对C充电,uC上升到u2的峰值后又开始下降;下降到一定数值时D2和D4变为截止,C对RL放电,uC按指数规律下降;放电到一定数值时D1和D3变为导通,重复上述过程。
RL、C对充放电的影响
电容充电时间常数为rDC,因为二极管的rD很小,所以充电时间常数小,充电速度快;
RLC为放电时间常数,因为RL较大,放电时间常数远大于充电时间常数,因此,滤波效果取决于放电时间常数。
电容C愈大,负载电阻RL愈大,滤波后输出电压愈平滑,并且其平均值愈大,如图所示。

滤波电容的作用简单讲是使滤波后输出的电压为稳定的直流电压,其工作原理是整流电压高于电容电压时电容充电,当整流电压低于电容电压时电容放电,在充放电的过程中,使输出电压基本稳定。
滤波电容容量大,因此一般采用电解电容,在接线时要注意电解电容的正、负极。电容滤波电路利用电容的充、放电作用,使输出电压趋于平滑。
★当u2为正半周并且数值大于电容两端电压uC时,二极管D1和D3管导通,D2和D4管截止,电流一路流经负载电阻RL,另一路对电容C充电。当uC>u2,导致D1和D3管反向偏置而截止,电容通过负载电阻RL放电,uC按指数规律缓慢下降。

★当u2为负半周幅值变化到恰好大于uC时,D2和D4因加正向电压变为导通状态,u2再次对C充电,uC上升到u2的峰值后又开始下降;下降到一定数值时D2和D4变为截止,C对RL放电,uC按指数规律下降;放电到一定数值时D1和D3变为导通,重复上述过程。
RL、C对充放电的影响
电容充电时间常数为rDC,因为二极管的rD很小,所以充电时间常数小,充电速度快;
RLC为放电时间常数,因为RL较大,放电时间常数远大于充电时间常数,因此,滤波效果取决于放电时间常数。
电容C愈大,负载电阻RL愈大,滤波后输出电压愈平滑,并且其平均值愈大,如图所示。

整流电路是将交流电变成直流电的一种电路,但其输出的直流电的脉动成分较大,而一般电子设备所需直流电源的脉动系数要求小于0.01.故整流输出的电压必须采取一定的措施.尽量降低输出电压中的脉动成分,同时要尽量保存输出电压中的直流成分,使输出电压接近于较理想的直流电,这样的电路就是直流电源中的滤波电路。
常用的滤波电路有无源滤波和有源滤波两大类。无源滤波的主要形式有电容滤波、电感滤波和复式滤波(包括倒L型、LC滤波、LCπ型滤波和RCπ型滤波等)。有源滤波的主要形式是有源RC滤波,也被称作电子滤波器。
直流电中的脉动成分的大小用脉动系数来表示,此值越大,则滤波器的滤波效果越差。
脉动系数(S)=输出电压交流分量的基波最大值/输出电压的直流分量
半波整流输出电压的脉动系数为S=1.57,全波整流和桥式整流的输出电压的脉动系数S≈O.67。对于全波和桥式整流电路采用C型滤波电路后,其脉动系数S=1/(4(RLC/T-1)。(T为整流输出的直流脉动电压的周期。)
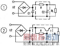
RC-π型滤波电路,实质上是在电容滤波的基础上再加一级RC滤波电路组成的。如图1虚线
框即为加的一级RC滤波电路。若用S'表示C1两端电压的脉动系数,则输出电压两端的脉动系数S=(1/ωC2R')S'。
由分析可知,在ω值一定的情况下,R愈大,C2愈大,则脉动系数愈小,也就是滤波效果就越好。而R值增大时,电阻上的直流压降会增大,这样就增大了直流电源的内部损耗;若增大C2的电容量,又会增大电容器的体积和重量,实现起来也不现实。
为了解决这个矛盾,于是常常采用有源滤波电路,也被称作电子滤波器。电路如图2。它是由C1、R、C2组成的π型RC滤波电路与有源器件--晶体管T组成的射极输出器连接而成的电路。由图2可知,流过R的电流IR=IE/(1+β)=IRL/(1+β)。流过电阻R的电流仅为负载电流的1/(1+β).所以可以采用较大的R,与C2配合以获得较好的滤波效果,以使C2两端的电压的脉动成分减小,输出电压和C2两端的电压基本相等,因此输出电压的脉动成分也得到了削减。
从RL负载电阻两端看,基极回路的滤波元件R、C2折合到射极回路,相当于R减小了(1+β)倍,而C2增大了(1+β)倍。这样所需的电容C2只是一般RCπ型滤波器所需电容的1/β,比如晶体管的直流放大系数β=50,如果用一般RCπ型滤波器所需电容容量为1000μF,如采用电子滤波器,那么电容只需要20μF就满足要求了。采用此电路可以选择较大的电阻和较小的电容而达到同样的滤波效果,因此被广泛地用于一些小型电子设备的电源之中。

★当u2为正半周并且数值大于电容两端电压uC时,二极管D1和D3管导通,D2和D4管截止,电流一路流经负载电阻RL,另一路对电容C充电。当uC>u2,导致D1和D3管反向偏置而截止,电容通过负载电阻RL放电,uC按指数规律缓慢下降。

★当u2为负半周幅值变化到恰好大于uC时,D2和D4因加正向电压变为导通状态,u2再次对C充电,uC上升到u2的峰值后又开始下降;下降到一定数值时D2和D4变为截止,C对RL放电,uC按指数规律下降;放电到一定数值时D1和D3变为导通,重复上述过程。
RL、C对充放电的影响
电容充电时间常数为rDC,因为二极管的rD很小,所以充电时间常数小,充电速度快;
RLC为放电时间常数,因为RL较大,放电时间常数远大于充电时间常数,因此,滤波效果取决于放电时间常数。
电容C愈大,负载电阻RL愈大,滤波后输出电压愈平滑,并且其平均值愈大,如图所示。

滤波电容的作用简单讲是使滤波后输出的电压为稳定的直流电压,其工作原理是整流电压高于电容电压时电容充电,当整流电压低于电容电压时电容放电,在充放电的过程中,使输出电压基本稳定。
滤波电容容量大,因此一般采用电解电容,在接线时要注意电解电容的正、负极。电容滤波电路利用电容的充、放电作用,使输出电压趋于平滑。
★当u2为正半周并且数值大于电容两端电压uC时,二极管D1和D3管导通,D2和D4管截止,电流一路流经负载电阻RL,另一路对电容C充电。当uC>u2,导致D1和D3管反向偏置而截止,电容通过负载电阻RL放电,uC按指数规律缓慢下降。

★当u2为负半周幅值变化到恰好大于uC时,D2和D4因加正向电压变为导通状态,u2再次对C充电,uC上升到u2的峰值后又开始下降;下降到一定数值时D2和D4变为截止,C对RL放电,uC按指数规律下降;放电到一定数值时D1和D3变为导通,重复上述过程。
RL、C对充放电的影响
电容充电时间常数为rDC,因为二极管的rD很小,所以充电时间常数小,充电速度快;
RLC为放电时间常数,因为RL较大,放电时间常数远大于充电时间常数,因此,滤波效果取决于放电时间常数。
电容C愈大,负载电阻RL愈大,滤波后输出电压愈平滑,并且其平均值愈大,如图所示。

整流电路是将交流电变成直流电的一种电路,但其输出的直流电的脉动成分较大,而一般电子设备所需直流电源的脉动系数要求小于0.01.故整流输出的电压必须采取一定的措施.尽量降低输出电压中的脉动成分,同时要尽量保存输出电压中的直流成分,使输出电压接近于较理想的直流电,这样的电路就是直流电源中的滤波电路。
常用的滤波电路有无源滤波和有源滤波两大类。无源滤波的主要形式有电容滤波、电感滤波和复式滤波(包括倒L型、LC滤波、LCπ型滤波和RCπ型滤波等)。有源滤波的主要形式是有源RC滤波,也被称作电子滤波器。
直流电中的脉动成分的大小用脉动系数来表示,此值越大,则滤波器的滤波效果越差。
脉动系数(S)=输出电压交流分量的基波最大值/输出电压的直流分量
半波整流输出电压的脉动系数为S=1.57,全波整流和桥式整流的输出电压的脉动系数S≈O.67。对于全波和桥式整流电路采用C型滤波电路后,其脉动系数S=1/(4(RLC/T-1)。(T为整流输出的直流脉动电压的周期。)
RC-π型滤波电路,实质上是在电容滤波的基础上再加一级RC滤波电路组成的。如图1虚线
框即为加的一级RC滤波电路。若用S'表示C1两端电压的脉动系数,则输出电压两端的脉动系数S=(1/ωC2R')S'。
由分析可知,在ω值一定的情况下,R愈大,C2愈大,则脉动系数愈小,也就是滤波效果就越好。而R值增大时,电阻上的直流压降会增大,这样就增大了直流电源的内部损耗;若增大C2的电容量,又会增大电容器的体积和重量,实现起来也不现实。
为了解决这个矛盾,于是常常采用有源滤波电路,也被称作电子滤波器。电路如图2。它是由C1、R、C2组成的π型RC滤波电路与有源器件--晶体管T组成的射极输出器连接而成的电路。由图2可知,流过R的电流IR=IE/(1+β)=IRL/(1+β)。流过电阻R的电流仅为负载电流的1/(1+β).所以可以采用较大的R,与C2配合以获得较好的滤波效果,以使C2两端的电压的脉动成分减小,输出电压和C2两端的电压基本相等,因此输出电压的脉动成分也得到了削减。
从RL负载电阻两端看,基极回路的滤波元件R、C2折合到射极回路,相当于R减小了(1+β)倍,而C2增大了(1+β)倍。这样所需的电容C2只是一般RCπ型滤波器所需电容的1/β,比如晶体管的直流放大系数β=50,如果用一般RCπ型滤波器所需电容容量为1000μF,如采用电子滤波器,那么电容只需要20μF就满足要求了。采用此电路可以选择较大的电阻和较小的电容而达到同样的滤波效果,因此被广泛地用于一些小型电子设备的电源之中。

射频工程师养成培训教程套装,助您快速成为一名优秀射频工程师...
天线设计工程师培训课程套装,资深专家授课,让天线设计不再难...
上一篇:什么是电源软切换?
下一篇:TL494各引脚功能电压
射频和天线工程师培训课程详情>>

