- 易迪拓培训,专注于微波、射频、天线设计工程师的培养
深度揭秘——电荷泵设计及应用
录入:edatop.com 点击:
作者:antonine
电荷泵原理
电荷泵的基本原理是,电容的充电和放电采用不同的连接方式,如并联充电、串联放电,串联充电、并联放电等,实现升压、降压、负压等电压转换功能。

上图为二倍升压电荷示,为最简单的电荷泵电路。V2输出为方波信号,当V2为低电平的时候,V1通过D1、C1、V2对电容C2充电,C2两端电压上正下负;当V2为高电平输出的时候,V2输出电压与C1两端电压相叠加,通过D3对负载供电并对C2充电。如果忽略二极管压降,则C2两端电压Vo = V2 + V1,其中V2为电压源V2的高电平输出电压。
由于电荷泵整个工作过程的核心部分为电容充放电过程,所以最重要的公式为电容充放电公式:I*T=ΔV*C,其中T为电容充放电周期,ΔV为每个充放电周期内电容两端电压波动,I为充放电电流。
电荷泵以非常简单的电路可以实现升压、降压、负压等功能,所以各种不同的场合为电路扩展小功率电路。
电荷泵在电路中的作用
1.功率电路中的电荷泵
电荷泵的一个非常广泛的用途就是在由N沟道MOSFET构成的半桥电路中为上桥臂提供浮驱电压。典型接法如下图所示,图中红框内的二极管D及电容Cboot与主电路中半桥的下桥臂T1构成电荷泵。当半桥的下臂T1开通时,Vcc通过D与T1为电容Cboot充电;当T1关断T2导通时,Cboot为上臂T2提供MOSFET导通所必需的Vgs电压。这是由于T2在电路中的位置所决定的,当T2导通时,如果忽略导通压降Vds,T2的源极电压Vs = Vr,所以如果想要饱和导通,加上T2门极上的驱动电压需满足Vg = Vr +Vgs,对于功率型N沟道MOSFET而言,Vgs通常需要15V左右。电荷泵以很少的元器件满足了这一设计要求,所以在此类应用中得到广泛应用。

虽然上图中所述的自举型电荷泵(采用半桥的下臂作为电荷泵的一部分)使电路设计变得非常简单,但实际使用过程中有些限制,如对桥臂的开通时序和占空比有限制等。所以,在某些要求比较高的应用场合,采用他驱型的电荷泵,即将电荷泵电路及驱动波形与主功率电路分离,采用外部电路构成电荷泵。这样的电路虽然结构比自举驱动电路略微复杂一些,但克服了自举驱动电路的一些问题,在某些场合也得到较广泛的应用。
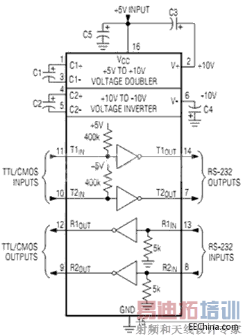
2.RS-232电平转换中的升压、负压
电荷泵的另外一个极为广泛的应用就是为电平转换芯片提供符合RS-232标准的电源电压。电平转换芯片的供电通常为3.3V或者5V的单电源,而RS232电平标准要求,以-3~-15V表示逻辑电平“1”,以+3~+15V表示逻辑电平“0”,所以RS232转换芯片不仅要完成电平转换,还要提供符合要求的电源转换。
下图为RS232电平转换芯片的典型结构框图,首先以一个升压电荷泵将+3.3V或5V的输入电源进行二倍压升压,然后采用一个负压电荷泵将二倍压升压后的电源输出进行转换为负电压。

3.电荷泵为电路供电
与基于电感的开关电源变换器相比,电荷泵具有尺寸小、EMI干扰较小等优点,所以电荷泵被广泛应用于便携式产品中,为系统提供负的电源电压。
将电荷泵与电压基准源相结合,能够在单电源为系统供电的同时,获得一个反相的基准电源。如下图所示,该电路不同于由三端基准和运放反向器构成的反相基准电压源,不需要外加精密电阻和负电源即可获得精密的负的电压输出。

电荷泵原理
电荷泵的基本原理是,电容的充电和放电采用不同的连接方式,如并联充电、串联放电,串联充电、并联放电等,实现升压、降压、负压等电压转换功能。

上图为二倍升压电荷示,为最简单的电荷泵电路。V2输出为方波信号,当V2为低电平的时候,V1通过D1、C1、V2对电容C2充电,C2两端电压上正下负;当V2为高电平输出的时候,V2输出电压与C1两端电压相叠加,通过D3对负载供电并对C2充电。如果忽略二极管压降,则C2两端电压Vo = V2 + V1,其中V2为电压源V2的高电平输出电压。
由于电荷泵整个工作过程的核心部分为电容充放电过程,所以最重要的公式为电容充放电公式:I*T=ΔV*C,其中T为电容充放电周期,ΔV为每个充放电周期内电容两端电压波动,I为充放电电流。
电荷泵以非常简单的电路可以实现升压、降压、负压等功能,所以各种不同的场合为电路扩展小功率电路。
电荷泵在电路中的作用
1.功率电路中的电荷泵
电荷泵的一个非常广泛的用途就是在由N沟道MOSFET构成的半桥电路中为上桥臂提供浮驱电压。典型接法如下图所示,图中红框内的二极管D及电容Cboot与主电路中半桥的下桥臂T1构成电荷泵。当半桥的下臂T1开通时,Vcc通过D与T1为电容Cboot充电;当T1关断T2导通时,Cboot为上臂T2提供MOSFET导通所必需的Vgs电压。这是由于T2在电路中的位置所决定的,当T2导通时,如果忽略导通压降Vds,T2的源极电压Vs = Vr,所以如果想要饱和导通,加上T2门极上的驱动电压需满足Vg = Vr +Vgs,对于功率型N沟道MOSFET而言,Vgs通常需要15V左右。电荷泵以很少的元器件满足了这一设计要求,所以在此类应用中得到广泛应用。

虽然上图中所述的自举型电荷泵(采用半桥的下臂作为电荷泵的一部分)使电路设计变得非常简单,但实际使用过程中有些限制,如对桥臂的开通时序和占空比有限制等。所以,在某些要求比较高的应用场合,采用他驱型的电荷泵,即将电荷泵电路及驱动波形与主功率电路分离,采用外部电路构成电荷泵。这样的电路虽然结构比自举驱动电路略微复杂一些,但克服了自举驱动电路的一些问题,在某些场合也得到较广泛的应用。
2.RS-232电平转换中的升压、负压
电荷泵的另外一个极为广泛的应用就是为电平转换芯片提供符合RS-232标准的电源电压。电平转换芯片的供电通常为3.3V或者5V的单电源,而RS232电平标准要求,以-3~-15V表示逻辑电平“1”,以+3~+15V表示逻辑电平“0”,所以RS232转换芯片不仅要完成电平转换,还要提供符合要求的电源转换。
下图为RS232电平转换芯片的典型结构框图,首先以一个升压电荷泵将+3.3V或5V的输入电源进行二倍压升压,然后采用一个负压电荷泵将二倍压升压后的电源输出进行转换为负电压。

3.电荷泵为电路供电
与基于电感的开关电源变换器相比,电荷泵具有尺寸小、EMI干扰较小等优点,所以电荷泵被广泛应用于便携式产品中,为系统提供负的电源电压。
将电荷泵与电压基准源相结合,能够在单电源为系统供电的同时,获得一个反相的基准电源。如下图所示,该电路不同于由三端基准和运放反向器构成的反相基准电压源,不需要外加精密电阻和负电源即可获得精密的负的电压输出。

射频工程师养成培训教程套装,助您快速成为一名优秀射频工程师...
射频和天线工程师培训课程详情>>

