- 易迪拓培训,专注于微波、射频、天线设计工程师的培养
四面围攻:打通锂电池供电设计的各个环节
录入:edatop.com 点击:
作者:songzhige
最近几年,使用电池供电的小型设备发展迅速,例如:平板电脑、掌上游戏机、视频播放器、数字相框等。一般而言,这些设备都使用可再充锂离子 (Li-Ion) 电池作为电源。本文将从四个方面,讨论的使用锂电池供电中的电压转换电路、锂电池保护电路,电池电量管理电路及锂电池充电电路的一些电路设计的方方面面......
第一方面:摸清锂电池的供电转换电路的来龙去脉
锂电池电压源经常与负载不兼容,需要在电源和负载之间放置一个缓存器,以调节或控制电压和电流。这种电源稳压器一般有线性稳压器和开关电源稳压器
1:有人爱用低压差线性稳压器(LDO)
便携电子设备不管是由交流市电经过整流(或交流适配器)后供电,还是由电池组供电,工作过程中,电源电压都将在很大范围内变化。比如单体锂离子电池充足电时的电压为4.2V,放完电后的电压为2.3V,变化范围很大。各种整流器的输出电压不仅受市电压变化的影响,还受负载变化的影响。为了保证供电电压稳定不变,几乎所有的电子设备都采用稳压器供电。小型精密电子设备还要求电源非常干净(无纹波、无噪声),以免影响电子设备正常工作。为了满足精密电子设备的要求,应在电源的输入端加入线性稳压器,以保证电源电压恒定和实现有源噪声滤波
线性稳压器内部基本上具备三个主要的部件:一个运算放大器、一个参考电压源和一个功率晶体管,如图1。线性稳压器的主要目的是提供一个比输入电压量更低的恒定而精确的输出电压。

图1
所有低压差线性稳压器(LDO)的一个共同特性是其在负载电流需求发生变化之后需要一定的时间去“校正”输出电压。除基本功能外,线性稳压器还经常提供其他功能:过电流保护、过热保护和极性反相保护等。
低压差线性稳压器(LDO)的突出优点是具有最低的成本,最低的噪声和最低的静态电流。它的外围器件也很少,如图2通常只有一两个旁路电容。

图2
一般地,在这种线性稳压器,所有线性稳压器的一个共同特性是其在负载电流需求发生变化之后需要一定的时间去“校正”输出电压。
常用线性稳压芯片:AMS1117, MPC1702, ADM666,LM3480,MC78PC30 ,TPS76801Q,AS2810,NCV4949
2.现在流行用开关稳压器
有人叫它调节器、稳压源。从自动控制理论中我们知道,当电压 上升的时候通过负反馈把它降低,下降的时候就把它升上去,这样形成了一个控制环路。如图3中方框是 下降的时候就把它升上去,这样形成了一个控制环路。如图中方框是 PWM (脉宽控制方式 ),当然还有其他如: PFM(频率控制方式 )、移相控制方式等。

图3
这种开关型芯片根据不同的应用电路,分为降压型,升压型,升降压型
我们以降压转换器为例,这种芯片是基于电感的开关电源转换器,用来逐步降低输入电源电压为量级较低的输出电压。降压转换器用过很多名字:降压转换器,DCDC转换器和斩波器等。不管叫什么名字,所有出售的转换器中有80%至90%都是基于电感的衍生的降压开关转换器。

图4
如图4是一个简化的降压开关电源,为了方便路分析先不加入反馈控制部。各个器件的作用:①输入电容器 (C1) 用于使输入电压平稳②输出电容器 (C2) 负责使输出电压平稳;③箝位二极管 (D1) 在开关路时为电感器提供一条流通;④电感器 (L1) 用于存储即将传送至负载的能量。
如下图5设计案例:是一个完全集成的高效率500mA同步降压稳压器,其输入电压2.7V-5.5V输出1.5V的案例,是1节锂电池电池供应的方式。

图5
下面图6是用TI的TPS63001设计的一款输出3.3V的供电电路

图6
这种开关稳压器电路根据不同的应用电路,分为降压型,升压型,升降压型等等
芯片也很多比如MCP1601,TC105,TPS5430DA,LM22670。
第二方面,深入虎穴搞懂锂电池供电的保护电路
使用锂电池供电,需要设计保护电路,锂电池(可充型)之所以需要保护,是由它本身特性决定的。由于锂电池本身的材料决定了它不能被过充、过放、过流、短路及超高温充放电,保护板是由电子电路组成,在-40℃至+85℃的环境下时刻准确的监视电芯的电压和充放回路的电流,及时控制电流回路的通断。锂电池保护板根据使用IC,电压等不同而电路及参数有所不同,并且根据锂电池不同的串并组成不同电压不同容量的电源电压,有不同的保护电路。
图7是比较常用的单节锂电池保护电路以DW01 配MOS管8205A进行保护的典型电路。

图7
该电路主要由锂电池保护专用集成电路,充、放电控制MOSFET1(内含两只N沟道MOSFET)等部分组成,单体锂电池接在B+和B-之间,电池组从P+和P-输出电压。充电时,充电器输出电压接在P+和P-之间,电流从P+到单体电池的B+和B-,再经过充电控制MOSFET到P-。在充电过程中,当单体电池的电压超过4.35V时,专用集成电路DW01的OC脚输出信号使充电控制MOSFET关断,锂电池立即停止充电,从而防止锂电池因过充电而损坏。放电过程中,当单体电池的电压降到2.30V时,DW01的OD脚输出信号使放电控制MOSFET关断,锂电池立即停止放电,从而防止锂电池因过放电而损坏,DW01的CS脚为电流检测脚,输出短路时,充放电控制MOSFET的导通压降剧增,CS脚电压迅速升高,DW01输出信号使充放电控制MOSFET迅速关断,从而实现过电流或短路保护。
目前锂电池保护IC主要生产商有:精工、理光、美之美、富晶、中星微等。保护IC的MOS管生产商有,三洋、AO、华瑞、三合微等等。
第三方面:知己知彼需要锂电池的电量管理电路参与
锂电池常用的电量检测方法有两种:
1.一种是利用库仑计。根据电池工作的电流与时间进行计算出电池的实际容量。此种检测方法是最准确的检测方法,一般用的芯片有TI,美信等电池管理芯片,但由于成本太高,调试复杂。是通过库仑计实时监测电池消耗电量而计算剩余电量的方法则非常准确。利用一种电流检测传感器,专门用于检测便携式设备电池的充电/耗电电流,能将通过精密检测电阻的电流信号转换为ADC可以检测到的电压信号,从而计算一段时间内消耗的真实电量。
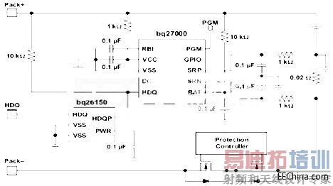
TI的bq26150和 bq27x00 组成的自动监控电池电量的IC电路方案,如图8

图8
目前,比较先进的是是美国TI公司生产的BQ系列锂电池电量管理芯片。
2.另一种是利用电池工作的电压曲线来分析出电池的容量。这种方式比较简单,成本也低,由于直接采用比较器如LM339,LM324等,检测精度低,温漂大,功耗大。且固定电压判断容量,在电池放电倍率不同等情况下,检测相对很不准确。这种电压估测电量的方法通常如下:一块电池在放电的时候,电池的电压会随着电池电量的流失逐渐地下降。这样就可以得到一个比较简单而有效的对应关系,就是电压对应容量。通过电池正常使用(比如100mA放电)的放电曲线,对时间进行4等分,以充电限制电压为4.2V的锂电池为例,可以列出这样一个对应关系,4.20V—100%,3.85V—75%,3.75V—50%,3.60V—25%,3.40V—5%。
第四方面:讲效率歼灭战用好锂电池充电管理集成芯片
锂电池主要存在三种充电方式:线性充电方式、开关充电方式和脉冲充电方式。其中,线性充电和开关充电都采用恒流恒压的充电模式,而脉冲充电则采用脉冲电流充电的模式。在这些模式中,恒流恒压是目前最为普遍的,大多数厂家生产的充电器和充电芯片都是基于这一充电模式。实践证明,恒流恒压充电模式的线性充电器控制简单,外围电路简洁,有利于降低充电器成本,因此在市场上广泛应用。在低成本、小容量、小功率的手机充电器市场尤其如此。
目前许多知名的半导体公司, 如T I 、M a x i m、安森美、N S、飞兆等,都有各自独立的锂离子电池管理芯片和保护芯片采用的充放电及保护策略也不尽相同。一般来说,这些芯片的主要功能包括充放电管理、温度检测、过流/短路保护和欠压过压保护等等,有些还有状态输出及微机控制接口。
一般线性充电器来说,锂离子电池的充电过程分为两个步骤:先是恒流充电,其电流恒定,电压不断升高,当电压充到 4.2V 的时候自动转换为恒压充电,在恒压充电时电压恒定,电流是越来越小的直到充电电流小于预先设定值为止。
为了进一步减少尺寸、降低成本和减少复杂度,目前芯片厂商为单节锂离子和锂聚合物电池提供了完全集成的充电管理控制器。
①恒流恒压线性或开关式充电管理控制
下面先了解一下锂电池充电与电池容量的关系曲线如图9:

图9
图9中虚线为充电时的容量,实线为充电电流。
下面了解一个典型的充电例子如图10,是利用TI的bq2057控制实现的锂电池控制电路原理, 为典型充电器电路设计,利用BQ2057设计的充电器电路简单,可广泛应用于目前的便携式电子系统的电源管理,对于便携式电子产品的紧凑设计很有意义。采用BQ2057设计的锂电池充电电路可实现对1节或两节锂电池的充电,工作电源DC+根据充电锂电池组的电压选择.

图10
下面是microchip的mcp73833芯片的锂电池线性充电器实现电路图11

图11
有的大部分锂离子集成充电器芯片电池管理控制器都配备了温度调节、反向放电保护、充电保护定时器和集成电流检测功能。CN3068,LTC405,bq2057
②智能锂电池脉冲充电控制系统
使用单片机开发智能电源控制系统的高速脉宽调整前,与单片机结合使用,芯片通过控制电源系统占空比来调节输出电压或电流。这就是PWM的脉冲充电方式,单片机通过控制参考电压来数字调节,输出电压或电流,从而实现快速充电,使用额定电压为4.2V的恒流恒压充电器,可使锂电池在1-2小时内得到满充。
其原理如图12

图12
下面是由LPC916控制的锂电池充电器解决方案

图13
图13为锂电池充电器系统组成框图。其中PWM输出控制充电开关,且其占空比可根据需要用充电电压及电流的反馈来调整。LPC916的8位片上高速A/D转换器提供了监视充电电压所需的高精度。避免锂离子应用中的过充电非常重要,因为将充电保持在其最大值以内可延长电池的使用寿命。
本方案基于飞利浦P89LPC916型MCU,其整体设计思想是,通过先用恒定电流充电、然后再用恒定电压充电来实现尽可能快的充电。MCU还控制用于指示充电器工作状态的LED。
当然,利用单片机进行锂电池充电的方案有很多。这里不再列举。
总结:通过做好以上四个方面的讨论,在使用锂电池供电中的产品中,我们在锂电池电压电路转换电路、锂电池保护电路,电池电量管理电路和锂电池充电电路的一些电路设计的问题,,相信在使用锂电池的中会有很多启发,通过这些围攻,相信对锂电池的使用会很多新的认识。
最近几年,使用电池供电的小型设备发展迅速,例如:平板电脑、掌上游戏机、视频播放器、数字相框等。一般而言,这些设备都使用可再充锂离子 (Li-Ion) 电池作为电源。本文将从四个方面,讨论的使用锂电池供电中的电压转换电路、锂电池保护电路,电池电量管理电路及锂电池充电电路的一些电路设计的方方面面......
第一方面:摸清锂电池的供电转换电路的来龙去脉
锂电池电压源经常与负载不兼容,需要在电源和负载之间放置一个缓存器,以调节或控制电压和电流。这种电源稳压器一般有线性稳压器和开关电源稳压器
1:有人爱用低压差线性稳压器(LDO)
便携电子设备不管是由交流市电经过整流(或交流适配器)后供电,还是由电池组供电,工作过程中,电源电压都将在很大范围内变化。比如单体锂离子电池充足电时的电压为4.2V,放完电后的电压为2.3V,变化范围很大。各种整流器的输出电压不仅受市电压变化的影响,还受负载变化的影响。为了保证供电电压稳定不变,几乎所有的电子设备都采用稳压器供电。小型精密电子设备还要求电源非常干净(无纹波、无噪声),以免影响电子设备正常工作。为了满足精密电子设备的要求,应在电源的输入端加入线性稳压器,以保证电源电压恒定和实现有源噪声滤波
线性稳压器内部基本上具备三个主要的部件:一个运算放大器、一个参考电压源和一个功率晶体管,如图1。线性稳压器的主要目的是提供一个比输入电压量更低的恒定而精确的输出电压。

图1
所有低压差线性稳压器(LDO)的一个共同特性是其在负载电流需求发生变化之后需要一定的时间去“校正”输出电压。除基本功能外,线性稳压器还经常提供其他功能:过电流保护、过热保护和极性反相保护等。
低压差线性稳压器(LDO)的突出优点是具有最低的成本,最低的噪声和最低的静态电流。它的外围器件也很少,如图2通常只有一两个旁路电容。

图2
一般地,在这种线性稳压器,所有线性稳压器的一个共同特性是其在负载电流需求发生变化之后需要一定的时间去“校正”输出电压。
常用线性稳压芯片:AMS1117, MPC1702, ADM666,LM3480,MC78PC30 ,TPS76801Q,AS2810,NCV4949
2.现在流行用开关稳压器
有人叫它调节器、稳压源。从自动控制理论中我们知道,当电压 上升的时候通过负反馈把它降低,下降的时候就把它升上去,这样形成了一个控制环路。如图3中方框是 下降的时候就把它升上去,这样形成了一个控制环路。如图中方框是 PWM (脉宽控制方式 ),当然还有其他如: PFM(频率控制方式 )、移相控制方式等。

图3
这种开关型芯片根据不同的应用电路,分为降压型,升压型,升降压型
我们以降压转换器为例,这种芯片是基于电感的开关电源转换器,用来逐步降低输入电源电压为量级较低的输出电压。降压转换器用过很多名字:降压转换器,DCDC转换器和斩波器等。不管叫什么名字,所有出售的转换器中有80%至90%都是基于电感的衍生的降压开关转换器。

图4
如图4是一个简化的降压开关电源,为了方便路分析先不加入反馈控制部。各个器件的作用:①输入电容器 (C1) 用于使输入电压平稳②输出电容器 (C2) 负责使输出电压平稳;③箝位二极管 (D1) 在开关路时为电感器提供一条流通;④电感器 (L1) 用于存储即将传送至负载的能量。
如下图5设计案例:是一个完全集成的高效率500mA同步降压稳压器,其输入电压2.7V-5.5V输出1.5V的案例,是1节锂电池电池供应的方式。

图5
下面图6是用TI的TPS63001设计的一款输出3.3V的供电电路

图6
这种开关稳压器电路根据不同的应用电路,分为降压型,升压型,升降压型等等
芯片也很多比如MCP1601,TC105,TPS5430DA,LM22670。
第二方面,深入虎穴搞懂锂电池供电的保护电路
使用锂电池供电,需要设计保护电路,锂电池(可充型)之所以需要保护,是由它本身特性决定的。由于锂电池本身的材料决定了它不能被过充、过放、过流、短路及超高温充放电,保护板是由电子电路组成,在-40℃至+85℃的环境下时刻准确的监视电芯的电压和充放回路的电流,及时控制电流回路的通断。锂电池保护板根据使用IC,电压等不同而电路及参数有所不同,并且根据锂电池不同的串并组成不同电压不同容量的电源电压,有不同的保护电路。
图7是比较常用的单节锂电池保护电路以DW01 配MOS管8205A进行保护的典型电路。

图7
该电路主要由锂电池保护专用集成电路,充、放电控制MOSFET1(内含两只N沟道MOSFET)等部分组成,单体锂电池接在B+和B-之间,电池组从P+和P-输出电压。充电时,充电器输出电压接在P+和P-之间,电流从P+到单体电池的B+和B-,再经过充电控制MOSFET到P-。在充电过程中,当单体电池的电压超过4.35V时,专用集成电路DW01的OC脚输出信号使充电控制MOSFET关断,锂电池立即停止充电,从而防止锂电池因过充电而损坏。放电过程中,当单体电池的电压降到2.30V时,DW01的OD脚输出信号使放电控制MOSFET关断,锂电池立即停止放电,从而防止锂电池因过放电而损坏,DW01的CS脚为电流检测脚,输出短路时,充放电控制MOSFET的导通压降剧增,CS脚电压迅速升高,DW01输出信号使充放电控制MOSFET迅速关断,从而实现过电流或短路保护。
目前锂电池保护IC主要生产商有:精工、理光、美之美、富晶、中星微等。保护IC的MOS管生产商有,三洋、AO、华瑞、三合微等等。
第三方面:知己知彼需要锂电池的电量管理电路参与
锂电池常用的电量检测方法有两种:
1.一种是利用库仑计。根据电池工作的电流与时间进行计算出电池的实际容量。此种检测方法是最准确的检测方法,一般用的芯片有TI,美信等电池管理芯片,但由于成本太高,调试复杂。是通过库仑计实时监测电池消耗电量而计算剩余电量的方法则非常准确。利用一种电流检测传感器,专门用于检测便携式设备电池的充电/耗电电流,能将通过精密检测电阻的电流信号转换为ADC可以检测到的电压信号,从而计算一段时间内消耗的真实电量。
TI的bq26150和 bq27x00 组成的自动监控电池电量的IC电路方案,如图8

图8
目前,比较先进的是是美国TI公司生产的BQ系列锂电池电量管理芯片。
2.另一种是利用电池工作的电压曲线来分析出电池的容量。这种方式比较简单,成本也低,由于直接采用比较器如LM339,LM324等,检测精度低,温漂大,功耗大。且固定电压判断容量,在电池放电倍率不同等情况下,检测相对很不准确。这种电压估测电量的方法通常如下:一块电池在放电的时候,电池的电压会随着电池电量的流失逐渐地下降。这样就可以得到一个比较简单而有效的对应关系,就是电压对应容量。通过电池正常使用(比如100mA放电)的放电曲线,对时间进行4等分,以充电限制电压为4.2V的锂电池为例,可以列出这样一个对应关系,4.20V—100%,3.85V—75%,3.75V—50%,3.60V—25%,3.40V—5%。
第四方面:讲效率歼灭战用好锂电池充电管理集成芯片
锂电池主要存在三种充电方式:线性充电方式、开关充电方式和脉冲充电方式。其中,线性充电和开关充电都采用恒流恒压的充电模式,而脉冲充电则采用脉冲电流充电的模式。在这些模式中,恒流恒压是目前最为普遍的,大多数厂家生产的充电器和充电芯片都是基于这一充电模式。实践证明,恒流恒压充电模式的线性充电器控制简单,外围电路简洁,有利于降低充电器成本,因此在市场上广泛应用。在低成本、小容量、小功率的手机充电器市场尤其如此。
目前许多知名的半导体公司, 如T I 、M a x i m、安森美、N S、飞兆等,都有各自独立的锂离子电池管理芯片和保护芯片采用的充放电及保护策略也不尽相同。一般来说,这些芯片的主要功能包括充放电管理、温度检测、过流/短路保护和欠压过压保护等等,有些还有状态输出及微机控制接口。
一般线性充电器来说,锂离子电池的充电过程分为两个步骤:先是恒流充电,其电流恒定,电压不断升高,当电压充到 4.2V 的时候自动转换为恒压充电,在恒压充电时电压恒定,电流是越来越小的直到充电电流小于预先设定值为止。
为了进一步减少尺寸、降低成本和减少复杂度,目前芯片厂商为单节锂离子和锂聚合物电池提供了完全集成的充电管理控制器。
①恒流恒压线性或开关式充电管理控制
下面先了解一下锂电池充电与电池容量的关系曲线如图9:

图9
图9中虚线为充电时的容量,实线为充电电流。
下面了解一个典型的充电例子如图10,是利用TI的bq2057控制实现的锂电池控制电路原理, 为典型充电器电路设计,利用BQ2057设计的充电器电路简单,可广泛应用于目前的便携式电子系统的电源管理,对于便携式电子产品的紧凑设计很有意义。采用BQ2057设计的锂电池充电电路可实现对1节或两节锂电池的充电,工作电源DC+根据充电锂电池组的电压选择.

图10
下面是microchip的mcp73833芯片的锂电池线性充电器实现电路图11

图11
有的大部分锂离子集成充电器芯片电池管理控制器都配备了温度调节、反向放电保护、充电保护定时器和集成电流检测功能。CN3068,LTC405,bq2057
②智能锂电池脉冲充电控制系统
使用单片机开发智能电源控制系统的高速脉宽调整前,与单片机结合使用,芯片通过控制电源系统占空比来调节输出电压或电流。这就是PWM的脉冲充电方式,单片机通过控制参考电压来数字调节,输出电压或电流,从而实现快速充电,使用额定电压为4.2V的恒流恒压充电器,可使锂电池在1-2小时内得到满充。
其原理如图12

图12
下面是由LPC916控制的锂电池充电器解决方案

图13
图13为锂电池充电器系统组成框图。其中PWM输出控制充电开关,且其占空比可根据需要用充电电压及电流的反馈来调整。LPC916的8位片上高速A/D转换器提供了监视充电电压所需的高精度。避免锂离子应用中的过充电非常重要,因为将充电保持在其最大值以内可延长电池的使用寿命。
本方案基于飞利浦P89LPC916型MCU,其整体设计思想是,通过先用恒定电流充电、然后再用恒定电压充电来实现尽可能快的充电。MCU还控制用于指示充电器工作状态的LED。
当然,利用单片机进行锂电池充电的方案有很多。这里不再列举。
总结:通过做好以上四个方面的讨论,在使用锂电池供电中的产品中,我们在锂电池电压电路转换电路、锂电池保护电路,电池电量管理电路和锂电池充电电路的一些电路设计的问题,,相信在使用锂电池的中会有很多启发,通过这些围攻,相信对锂电池的使用会很多新的认识。
射频工程师养成培训教程套装,助您快速成为一名优秀射频工程师...
天线设计工程师培训课程套装,资深专家授课,让天线设计不再难...
上一篇:为便携式设备快速充电
下一篇:十一条金律!搞定DC/DC电源转换方案设计
射频和天线工程师培训课程详情>>

