- 易迪拓培训,专注于微波、射频、天线设计工程师的培养
电源技巧 67:使用同步整流器提高非连续反激效率
录入:edatop.com 点击:
作者:TI公司Robert Kollman
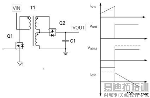
众所周知,同步整流器能够以较低的电阻式开关电压降替代整流器结点电压,大幅提升电源效率。其挑战在于制定稳健的控制策略,驱动组件并最大化其优势。与连续的反激相比,同步整流器在非连续的反激中运行更具挑战性。图1是反激式同步整流器的简化原理图及相关波形。在t=0时,主开关Q1导通,其漏极电流迅速增大。

图1:自驱动同步整流器无法自然地在非连续反激中整流)
随后关断开关,变压器绕组线端点上的电压上升,直至Q2的体二极管将变压器上的电压钳制到输出电压之下。注意,Q2的栅极比其源极更活跃。这样,电流不仅可从体二极管到MOSFET通道的地方进行整流,而且还可提高整流效率。该电路可通过变压器连接的正向栅源电压被有效锁存。
在此期间,磁化电感会放电并转向相反方向。为退出这一状态,必须导通Q1,逆转Q2栅极电压使之关断。这是一个极具压力的事件,两个晶体管同时导通,电流及电压峰值都非常高。这一简单电路一般在持续导通状态下运行,在整个过程中至少有一个开关处于导通状态。
使同步整流器在非连续反激中工作的关键,在于让它们像其所替代的二极管一样工作,即在电流转向时必须将它们关掉。传统方法是采用缓冲电流变压器,并在电流处于正确方向时提供正驱动电压,当电流在相反方向时逆转该驱动。其短板在于电流变压器的成本和尺寸以及用于缓冲的数个分立式组件。
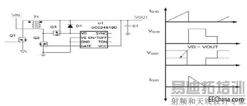
德州仪器 (TI) 等几家公司已经开发了取代图2所示电流感应驱动电路的IC。同步整流器被移动至变压器的低侧,由控制芯片提供定时和栅极驱动功能。其优势在于将源极直接连接到地面,而且可直接驱动栅极。

图2:IC通过感测整个漏极电压的电压转向,正确驱动同步整流器的栅极。
由于该设备通过监控漏源极电压来运行,因此在源极将系统连接到地面时,该电路也不容易产生噪声。这一电路现在发挥着非连续反激作用,右边显示的是一些理想的波形。需要特别注意的是输出整流器上的电压应力,也就是IC上的漏极电压 (VD) 连接。由于振铃原因,这个电压实际上会更高。但理想情况下,电压等于反射的输入电压加上输出电压。如果输出电压大于5V,或者如果支持宽泛的输入电压,该节点上的电压会轻松超过该IC50V的额定电压。
图3是一款简单的低成本电路,其运行电压额定值大约相当于包括两个组件的VD pin。正如图中右边所示,VD pin上的电压受限于输出电压。在初级FET Q1导通时,Q2和Q3漏极上的电压等于反射输入电压加输出电压。由于Q3的栅极与输出电压相连,因此源极电压大约会比阈值电压低。在Q2导通时,Q3体二极管导通,其源极被降至输出电压以下,从而可增强Q3性能,使VD pin与Q3漏极相连。

图 3:简单的钳位能扩展可用工作电压范围。)
总而言之,用户不能自行为非连续的反激变换器创建自驱动同步整流器。我们需要添加一些电路来判断驱动它们的时间,而驱动电流变压器以及半导体电路都能实现这一应用,其中半导体电路在尺寸和成本上有相对优势。现在已有若干厂商开发了这些电路,但它们可能需要适当的接口来缓冲才能与电源中的高电压及大电流匹配。
请继续关注下一篇电源技巧 (Power Tip) 文章,我们将讨论反激降压应用中的匝比挑选。如欲通过链接浏览所有以往电源技巧文章,敬请查看电源技巧目录。
查阅 TI Power Lab笔记,从设计人员角度了解电源设计。
如欲了解该电源解决方案以及其它电源解决方案的更多详情,敬请访问: www.ti.com/power-ca 。
众所周知,同步整流器能够以较低的电阻式开关电压降替代整流器结点电压,大幅提升电源效率。其挑战在于制定稳健的控制策略,驱动组件并最大化其优势。与连续的反激相比,同步整流器在非连续的反激中运行更具挑战性。图1是反激式同步整流器的简化原理图及相关波形。在t=0时,主开关Q1导通,其漏极电流迅速增大。

图1:自驱动同步整流器无法自然地在非连续反激中整流)
随后关断开关,变压器绕组线端点上的电压上升,直至Q2的体二极管将变压器上的电压钳制到输出电压之下。注意,Q2的栅极比其源极更活跃。这样,电流不仅可从体二极管到MOSFET通道的地方进行整流,而且还可提高整流效率。该电路可通过变压器连接的正向栅源电压被有效锁存。
在此期间,磁化电感会放电并转向相反方向。为退出这一状态,必须导通Q1,逆转Q2栅极电压使之关断。这是一个极具压力的事件,两个晶体管同时导通,电流及电压峰值都非常高。这一简单电路一般在持续导通状态下运行,在整个过程中至少有一个开关处于导通状态。
使同步整流器在非连续反激中工作的关键,在于让它们像其所替代的二极管一样工作,即在电流转向时必须将它们关掉。传统方法是采用缓冲电流变压器,并在电流处于正确方向时提供正驱动电压,当电流在相反方向时逆转该驱动。其短板在于电流变压器的成本和尺寸以及用于缓冲的数个分立式组件。
德州仪器 (TI) 等几家公司已经开发了取代图2所示电流感应驱动电路的IC。同步整流器被移动至变压器的低侧,由控制芯片提供定时和栅极驱动功能。其优势在于将源极直接连接到地面,而且可直接驱动栅极。

图2:IC通过感测整个漏极电压的电压转向,正确驱动同步整流器的栅极。
由于该设备通过监控漏源极电压来运行,因此在源极将系统连接到地面时,该电路也不容易产生噪声。这一电路现在发挥着非连续反激作用,右边显示的是一些理想的波形。需要特别注意的是输出整流器上的电压应力,也就是IC上的漏极电压 (VD) 连接。由于振铃原因,这个电压实际上会更高。但理想情况下,电压等于反射的输入电压加上输出电压。如果输出电压大于5V,或者如果支持宽泛的输入电压,该节点上的电压会轻松超过该IC50V的额定电压。
图3是一款简单的低成本电路,其运行电压额定值大约相当于包括两个组件的VD pin。正如图中右边所示,VD pin上的电压受限于输出电压。在初级FET Q1导通时,Q2和Q3漏极上的电压等于反射输入电压加输出电压。由于Q3的栅极与输出电压相连,因此源极电压大约会比阈值电压低。在Q2导通时,Q3体二极管导通,其源极被降至输出电压以下,从而可增强Q3性能,使VD pin与Q3漏极相连。

图 3:简单的钳位能扩展可用工作电压范围。)
总而言之,用户不能自行为非连续的反激变换器创建自驱动同步整流器。我们需要添加一些电路来判断驱动它们的时间,而驱动电流变压器以及半导体电路都能实现这一应用,其中半导体电路在尺寸和成本上有相对优势。现在已有若干厂商开发了这些电路,但它们可能需要适当的接口来缓冲才能与电源中的高电压及大电流匹配。
请继续关注下一篇电源技巧 (Power Tip) 文章,我们将讨论反激降压应用中的匝比挑选。如欲通过链接浏览所有以往电源技巧文章,敬请查看电源技巧目录。
查阅 TI Power Lab笔记,从设计人员角度了解电源设计。
如欲了解该电源解决方案以及其它电源解决方案的更多详情,敬请访问: www.ti.com/power-ca 。
射频工程师养成培训教程套装,助您快速成为一名优秀射频工程师...
天线设计工程师培训课程套装,资深专家授课,让天线设计不再难...
上一篇:揭秘超级电容器核心技术
下一篇:简单电路让数字电源控制器与模拟控制兼容
射频和天线工程师培训课程详情>>

