- 易迪拓培训,专注于微波、射频、天线设计工程师的培养
采用集成电路激光二极管驱动器提高产品性能减少生产及维护成本
设计挑战
在设计低功耗激光二极管驱动电路时,设计者可以选择使用经典的分立元件解决方案或者使用高级的全集成电路解决方案。通常设计者在选择方案时只考虑到元器件的成本因素,没有考虑到整个系统成本设计。生产,测试以及售后支持要在在整个产品寿命期间,主要的关键因素考虑如下:
在整个供电电压范围和工作温度范围内输出功率的稳定性;
可靠性;
空间要求和激光二极管保护;
装配,测试,以及调校成本;
电路设计和测试时间;
元件采购和运输成本;
潜在的售后担保成本;
通常被忽略的大多情况是激光模块中代价最大的部分,即激光二极管本身。因此,保护好激光二极管是一个有利的投资,尽管这个电路需要较高的元件成本。
分立元件驱动电路
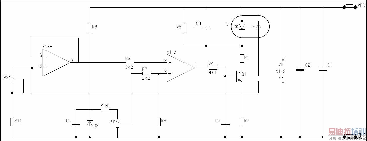
如图1 所示,是一个典型的分立元件APC(自动功率控制)驱动解决方案,用于供电电压范围从6 到12V 的连续波动模式。在这种情况下通用运算放大器加1 只齐纳二极管,1 只三极管和17 只无源元件用来控制输出功率。电路大概需要6cm2 板子空间,没有激光二极管反极性保护和故障保护。这个分立元件解决方案电路启动时间大概是20 毫秒。

图1:典型的分立元件激光二极管驱动电路
集成电路驱动器
图2 所示的激光管驱动解决方案是使用集成电路iC-WKN,一个专用的APC 激光二极管驱动器IC 用于连续波工作,工作电压从2.4V 到15V,高达300 毫安驱动电流。此方案仅需4 个附加无源元件来构建一个完整的驱动器。整个电路板占用空间大约1.25cm2,占用空间比分立元件方案缩小了4 倍。此电路IC 内建接反极性保护,过流和超温断电。上电软启动(典型值70us)。此电路也保护激光二极管免瞬态冲击和在宽电压范围供电时保持输出功率稳定。

图2:集成电路激光二极管管驱动器
射频工程师养成培训教程套装,助您快速成为一名优秀射频工程师...
天线设计工程师培训课程套装,资深专家授课,让天线设计不再难...
上一篇:TVS二极管在便携设备ESD中应用
下一篇:无线充电准备启程

