- 易迪拓培训,专注于微波、射频、天线设计工程师的培养
电源设计小贴士 48:解决隔离式开关的传导性共模辐射问题之第 2 部分
录入:edatop.com 点击:
作者:Robert Kollman,德州仪器 (TI)
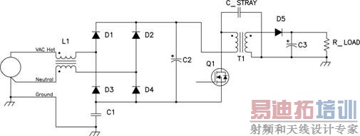
在本篇电源设计小贴士中,我们将继续讨论共模电流问题。如前所述我们可以使用一个机架电容将共模电流返回至电源,该电容还可以降低噪声的源阻抗。然而就我们可以使用的电容大小而言是有一个安全极限的,其决定了共模滤波器的剩余量。共模电流是由 Q1 漏极上的大 AC 开关电压产生的(请参见图 1),其使得电流流经杂散电容进入机架接地。机架电容 C1 为其提供了一个在电源中返回而不会流经 AC 输入源接地连接的路径。共模电感 L1 通过在电源机架和 AC 输入源之间的路径中添加阻抗来限制共模辐射。1 MHz 时,4700 pF 机架电容的最大容许感抗为 30 Ohms。为了让所有开关产生的电流都进入到机架电容 C1,这一电感需要在高频率范围内具有高阻抗(数千欧姆)。

图 1 高阻抗共模电感 (L1) 降低了辐射
更进一步观察 T2,电感位于热线和中线组合路径,差动电感不再用于降低共模电流。许多设计人员都使用 L1 漏电感进行差动滤波。由于有了电感连接(如图 1 所示),在电感中就没有了净 DC 电流,这就是说可以使用一个高磁导率无隙磁芯。图 2 显示了典型共模电感磁芯材料与频率之间关系的相关磁导率。就磁导率而言有真实部分 (real part) 也有复极部分 (complex part)。当复极部分与材料损耗相关时真实部分就与电感相关。由于该图表述为串联组件,因此总体阻抗为二者的矢量和。这是极具价值的,因为即使电感的真实部分在 300 kHz 频率时作用开始衰减并且在高于 1-2 MHz 时无法使用,阻抗取决于1 MHz 以上时材料的损耗情况并继续实现10 MHz 的高效率。

图2寻找一种具有高磁导率裕量的磁芯材料
一旦您选定了磁芯材料,接下来的最大挑战就是如何充分利用磁芯材料的高磁导性(请参见图 3),该图显示了 28 mH 阻抗共模与频率的关系。在低频率时,该器就像是一个电感器,但是在高频率时其更像是一个分布电容,该电容与电感共振。由于该大电感,23 pF 分布式电容就会影响电感在 200 kHz 以上时的性能。设计一款高性能共模电感的关键就是选择扇形绕组、单个绕组并精心选择磁芯最小化绕组的数量来最小化电容。有时这些共振是不可避免的并且在较高频率时需要额外的滤波。在这些情况下,我们可以再添加一个电感来对较高频率进行滤波。

图 3 分布电容降低了共模电感阻抗
总之,出于对噪声的高源阻抗以及安全性考虑,AC 电源的共模滤波包含了若干高阻抗组件以将电容限制在机架以内。由于中间绕组电容的存在,就高频率下的高阻抗而言,要想实现上述功能,共模电感面临着很大的挑战。在选择磁芯材料时需十分谨慎,材料磁导性裕量必须一直保持在高水平。此外,必须要对分布式绕组电容进行适当控制。一个仅为 30 pF 的分布式电容就可损坏电感的阻抗。在大多数情况下,设计人员会使用串联的两个电感(每个电感在特定的频带内均能提供滤波功能)来解决这一问题。
如欲了解本文的更多详情,敬请参阅 2003 电源设计研讨会www.ti.com/2003powerseminar-ca。
下次,我们将讨论如何选择开关模式电源中的电容,敬请期待。
本文以及其他电源解决方案的详情,敬请访问:http://www.ti.com.cn/lsds/ti_zh/ ... t/power_portal.page 。
在本篇电源设计小贴士中,我们将继续讨论共模电流问题。如前所述我们可以使用一个机架电容将共模电流返回至电源,该电容还可以降低噪声的源阻抗。然而就我们可以使用的电容大小而言是有一个安全极限的,其决定了共模滤波器的剩余量。共模电流是由 Q1 漏极上的大 AC 开关电压产生的(请参见图 1),其使得电流流经杂散电容进入机架接地。机架电容 C1 为其提供了一个在电源中返回而不会流经 AC 输入源接地连接的路径。共模电感 L1 通过在电源机架和 AC 输入源之间的路径中添加阻抗来限制共模辐射。1 MHz 时,4700 pF 机架电容的最大容许感抗为 30 Ohms。为了让所有开关产生的电流都进入到机架电容 C1,这一电感需要在高频率范围内具有高阻抗(数千欧姆)。

图 1 高阻抗共模电感 (L1) 降低了辐射
更进一步观察 T2,电感位于热线和中线组合路径,差动电感不再用于降低共模电流。许多设计人员都使用 L1 漏电感进行差动滤波。由于有了电感连接(如图 1 所示),在电感中就没有了净 DC 电流,这就是说可以使用一个高磁导率无隙磁芯。图 2 显示了典型共模电感磁芯材料与频率之间关系的相关磁导率。就磁导率而言有真实部分 (real part) 也有复极部分 (complex part)。当复极部分与材料损耗相关时真实部分就与电感相关。由于该图表述为串联组件,因此总体阻抗为二者的矢量和。这是极具价值的,因为即使电感的真实部分在 300 kHz 频率时作用开始衰减并且在高于 1-2 MHz 时无法使用,阻抗取决于1 MHz 以上时材料的损耗情况并继续实现10 MHz 的高效率。

图2寻找一种具有高磁导率裕量的磁芯材料
一旦您选定了磁芯材料,接下来的最大挑战就是如何充分利用磁芯材料的高磁导性(请参见图 3),该图显示了 28 mH 阻抗共模与频率的关系。在低频率时,该器就像是一个电感器,但是在高频率时其更像是一个分布电容,该电容与电感共振。由于该大电感,23 pF 分布式电容就会影响电感在 200 kHz 以上时的性能。设计一款高性能共模电感的关键就是选择扇形绕组、单个绕组并精心选择磁芯最小化绕组的数量来最小化电容。有时这些共振是不可避免的并且在较高频率时需要额外的滤波。在这些情况下,我们可以再添加一个电感来对较高频率进行滤波。

图 3 分布电容降低了共模电感阻抗
总之,出于对噪声的高源阻抗以及安全性考虑,AC 电源的共模滤波包含了若干高阻抗组件以将电容限制在机架以内。由于中间绕组电容的存在,就高频率下的高阻抗而言,要想实现上述功能,共模电感面临着很大的挑战。在选择磁芯材料时需十分谨慎,材料磁导性裕量必须一直保持在高水平。此外,必须要对分布式绕组电容进行适当控制。一个仅为 30 pF 的分布式电容就可损坏电感的阻抗。在大多数情况下,设计人员会使用串联的两个电感(每个电感在特定的频带内均能提供滤波功能)来解决这一问题。
如欲了解本文的更多详情,敬请参阅 2003 电源设计研讨会www.ti.com/2003powerseminar-ca。
下次,我们将讨论如何选择开关模式电源中的电容,敬请期待。
本文以及其他电源解决方案的详情,敬请访问:http://www.ti.com.cn/lsds/ti_zh/ ... t/power_portal.page 。
射频工程师养成培训教程套装,助您快速成为一名优秀射频工程师...
天线设计工程师培训课程套装,资深专家授课,让天线设计不再难...
上一篇:电源散热解决方案
下一篇:安森美半导体新系列开关电池充电方案应对便携设备充电挑战
射频和天线工程师培训课程详情>>

