- 易迪拓培训,专注于微波、射频、天线设计工程师的培养
基于C2000 的集成电力线载波通信功能(PLC)光伏逆变系统
录入:edatop.com 点击:
摘要
通信功能作为光伏逆变系统不可或缺的重要组成部分,其主要用于对分布式逆变器状态的远程监测和控制。电力线载波通信(以下简称“PLC”)是指将已有的电力线网络作为通信媒介实现通信的一种方法,将 PLC 功能加入光伏逆变系统,相对于其他类型通信方法而言,可以更好地降低成本、简化系统复杂性。本文着重介绍一种基于TI 的 TMS320F28035(以下简称“F28035”)和TMS320F28069(以下简称“F28069”)的单芯片光伏逆变器+PLC 解决方案,并给出系统框图及软件流程图。
1 具有PLC 通信功能的光伏逆变器应用介绍
太阳能作为一种可再生能源,近两年已经在国内外成功用于并网发电。光伏逆变设备从功率上来看大致可划分为三个等级:输出功率大于6KW 的三相大功率逆变器、输出功率在1KW 至6KW 之间的单相中型逆变器以及输出功率在 200W 至 500W 的微逆变器。大功率逆变器的成本高,效率相对较低,并且一般采用集中式拓扑,所以其对通信功能的需求量较少。与之相比,中小功率逆变器近年来在光伏发电市场上受到了更多的关注。
由于中小型逆变器本身功率不大,所以其更多用于微电网中的分布式太阳能发电系统。作为微电网的一个节点,其会在某个区域内有较大数量和较广范围的分布,例如在欧美地区,很多家庭会在屋顶安装这样的中小功率逆变器;在火车站或者工厂的屋顶会使用大量的中小型逆变器来搭建小型电站等等。这样就需要对一定区域内的逆变器进行管理,以便其更有效、安全、稳定的工作并且提供及时的需求和响应,而管理方法就是配以通信模块,以便通过上位机监测所有逆变器状态,并及时进行控制和调度。
无论是白天或者夜晚,我们都需要实时了解控制器的情况,例如逆变器当前工作状态、太阳能电池板的最大功率点追踪情况、当天/当月/当年等的发电千瓦时、当前输出功率/电压/电流等数据都需要被监控。如果使用中小功率逆变器搭建大功率的发电设备,则还会涉及单个发电设备功率因数的调节、防孤岛保护以及多个逆变器之间的相位同步等参数的控制。
从目前来看,最常见的方法就是通过无线(RF)或者RS485 技术通信。PLC 利用已有的电力线进行传输数据,不需要像 485 总线那样重新铺设新的线路,并且还可以在低成本的情况下实现有效的通信,其相对于 RF 可靠性更高,但相对于 RS485 在鲁棒性上则需要更多的设计优化。通过加入PLC 模块,光伏逆变系统就成为为微电网的一个节点,可以接受任何在智能电网上传输的数据,有利于今后进一步的功能扩展。

图 1 使用PLC 通信的光伏逆变设备区域系统结构
图 1 就是一种带有 PLC 功能的光伏发电设备的区域系统框图,在一定区域内给并网的光伏逆变设备安装 PLC 收发设备后,以电力线为总线来通信的拓扑结构。在距离和数量一定的设备之间,需要一个收发调制解调器来进行区域内的数据处理,并且还可以为其扩展上位机从而将数据通过上层网络进行传输。
2 PLC 方案介绍
2.1 PLC 概况及TI PLC 方案介绍
PLC 技术总体来说可以分为宽带(Broad-band)PLC 和窄带(Narrow-band)PLC 两大类,宽带PLC 速度一般大于1MBPS,应用于Internet 互联网等local area network 广域网连接的场合;窄带PLC(以下简称“NBPLC”)适用于长距离、低传输速度、只需窄带控制或者宽数据采集的场合 [1] 。而中小型光伏逆变设备往往对于其通信模块需要数据高可靠性以及低成本的要求,所以 NB PLC 会更适合于该应用。
目前 PLC 调制技术主要有三大类:单载波类(例如 FSK)、扩展频谱类(例如 S-FSK)、多载波类(例如 OFDM)。前两种从调制方式上看大体可以概括为单载波调制方法,是目前使用比较多的一种技术,其特点就是原理简单,但是速度较慢、鲁棒性也较低。而多载波即 OFDM(正交频分复用调制)是一种更加稳定且数据速率更高的调制技术,其原理就是在单一信道、同一时域传输过程中同时会有多个频率的载波信号进行传输,并且每个载波可以根据需求采用不同的调制方式。相对于单载波调制技术,其优点如下:1)低于 500 KHz 的 PLC 信号能够穿越变压器,因此具有很好的传播特性;2)NB PLC 在使用 MCU 或 DSP 实现时具有较好的成本效益;3)在窄带干扰(以下简称“NBI”)和短脉冲干扰(Impulse)下有很强的鲁棒性(Robustness);4)频率选择性信道的响应(阻抗特性)较好;5)能够与已有的单载波技术(FSK, S-FSK)共存 [1] 。6)无需与主电网过零点同步,因此可以用于直流应用 (如微逆)。

图 2 NB PLC 的调制方式
当前,基于OFDM 技术的NB PLC 的PRIME/G3 标准已经进入了实际部署阶段。而IEEE P1901.2和ITU-T G.hnem 两大国际标准也即将制定完成。TI 在OFDM 的软件开发上有很好的积累,提供了一系列针对各种不同标准的固件库,开发人员使用这些固件库的函数来进行开发时,不需要关心其底层设计的复杂时序,并且可以高效灵活的根据自己的需求进行产品定制。图3 是TI 的PLC 开发软件库(plcSUITE)。

图 3 PLC Suite 结构框图
TI 提供的plcSUITETM 软件库解决方案中,包括了已经实际部署PRIME/G3 协议栈,以及TI 定义的PLC Lite 标准。PLC Lite 是TI 在PRIME 标准上进行优化得到的一个基于OFDM 的软件库,下一节会具体介绍其特性。除了提供软件开发固件库外,TI 还提供整套的解决方案包括硬件模拟前端模块,如图4所示,C2000 可以作为数字调制解调及网络协议栈实现的处理器,可以使用plcSUITETM 中提供的库来进行软件开发,并且将调制好的物理层信号通过SPI 发送至作为模拟前端的AFE031/AFE030,然后通过AF031/AFE030 将数据信号耦合至电力线发送。

图 4 TI NB PLC 解决方案
2.2 TI PLC Lite 标准介绍 [2]
PRIME 和G3 标准在制定之初,主要应用对象是类似远程抄表等终端节点多且距离远、传输数据量大的应用,所以在PRIME 和G3 标准中会包括物理层、媒体层、逻辑链路层、以及更上层(例如在适配层支持IPV6 及IEC61334-32 等)网络层协议。而对于光伏逆变设备,其数据量不大并且在当前大多数应用中,其组网方式相对较简单所以并不需要一个复杂网络协议栈。TI 定义了一个低成本且相对简单的标准PLCLite 以应用于光伏逆变、路灯控制等相对简单灵活的网络。而PLC Lite 本身是由PRIME 标准优化而来,所以其稳定性也可以得到保证。其特性如下:(1) 可使用TMS320F28035 contorlCARD 或TMS320F28069 contorlCARD 作为主控模块;(2)支持PLC Add-on AFE031 模拟前端驱动模块;(3)支持47K~90K 半频段(欧洲CENELEC A 频段标准)、40K~150K 半频段(24K 欧洲CENELEC A /B/C/D 频段标准);(4)最高传输速率为21Kpbs(不使用前向纠错)、11Kpbs(使用前向纠错);(5)采用OFDM 调制方式、使用前向纠错功能、每个频率载波采用DBPSK 调制技术;(6)40K~90K 频段子载波数量为97 路(1 路导频,96 路数据);(7)带有重复码纠错功能、CRC8 错误校验、重复码和RS 前向纠错算法;(8)可通过UART 发送指令进行调试;(9)可编程控制AFE031 增益;(10)具有PRIME 标准物理层特性、增强的NBI 性能以及支持MAC 层扩展。

图5 PLC Lite 物理层特性参数
3 系统设计方案
一般来说,带有通信模块的光伏逆变系统都会采用逆变系统外加通信模块的方式来实现,即在一个逆变系统中,加入相关的通信协议,并通过SCI/SPI 等通信手段与外加的通信模块进行短距离通信,再由通信模块将其发送至外部网络。本章节介绍两种光伏逆变器+PLC 的系统拓扑,并对其特点进行分析。
3.1 PLC 外部独立模块系统
图6 所示为PLC 外部独立模块的系统,这样的系统拓扑模块化较好,灵活度较高。由于PLC 会占用MCU 大量的片上ADC 资源,因此PLC 和逆变系统如果分别独立开发设计则可以降低光伏逆变系统主控MCU 的负载率。该方案可选择相对性能较低(ADC 相对速度较慢、片上RAM/FLASH 容量相对较小等)的MCU 以降低系统成本,但其缺点在于多芯片方案导致外围电路设计复杂且系统成本增加,同时性能较低的MCU 亦限制了光伏逆变设备总体性能的提高。一般在通信功能为可选的系统(如光伏微逆变器)中会倾向于此类拓扑设计。
图 6 光伏逆变系统PLC 外部独立模块系统框图

图6 为一种基于TMS320F28035 的带有PLC 通信功能的光伏逆变系统。其中光伏逆变部分采用两级隔离方式,前级DC/DC 完成MPPT 功能,后级IGBT 模块完成单相逆变,主控系统为两颗F28035(认证要求)
LC 模块部分则由另一颗F28035 单独控制,光伏逆变中的一颗主控F28035 只需将数据通过SCI/SPI 发送至PLC 模块,PLC 模块则通过AFE031 及电力线将数据发送至网络。因此该系统总共需要使用3 颗MCU 来实现。
3.2 PLC 内部集成系统
从图4 可以看到,TI 的PLC 方案硬件系统可分为两部分:MCU 和模拟前端。MCU 负责所有的信号接收、解析、处理及发送;模拟前端只负责发送和接收数据:发送——通过MCU 的片上SPI 模块(无需D/A 转换)传送的离散信号经D/A 转换成连续信号后放大并耦合至电力线;接收——将电力线上的调制信号采样匹配后输送至MCU 的片上ADC 单元进行离散采样。通过该分析可以发现,只要光伏逆变的主控MCU 性能足够,即可将TI PLC 方案的软件部分完全移植至该主控MCU 中。
对于需要PLC 功能的光伏逆变设备,该集成拓扑相对于图6 来说主要减少了一颗高性能的实时控制MCU,因此系统成本明显降低,但需要注意的是在该MCU 选型时必须考虑采较强处理能力的内核和外设。理论上来看PLC 部分和光伏逆变的软件算法可以全部由一颗MCU 完成,但其中仍存在技术难题,例如ADC 的采样时序冲突——光伏逆变的PWM 载波频率一般在10K~30KHz,所以ADC 对于电流电压的采样也会与其一致,而PLC-Lite 的 ADC 采样频率最低为250KHz,且两者在采样时均需要ADC 产生中断处理来数据,该问题是此类系统必须要解决的;又如MCU 在性能与成本之间的折衷——基于OFDM 的PLC 需要高速ADC 采样,因此需要大容量RAM 和强大数据处理能力的MCU;逆变系统和PLC 系统都需要很强的实时处理性能。考虑到以上需求,如选用专用DSP 芯片不但增加系统成本,还会增加开发难度,因此如何选用一颗专用MCU 来并行实现光伏逆变和PLC 的相关运算是至关重要的。C2000 由于具有出色的实时控制性能,可以很好地解决上述问题。
4 TMS320F28069简介
TMS320F28069 是C2000 Piccolo 系列MCU,基于C2000 的实时处理C28 内核、硬件浮点运算器和90MHz 的主频使其拥有强大的实时运算能力, 具有256K 字节的片上Flash 和100K 字节的片上RAM;6 通道的DMA 可将ADC 等外设数据进行快速传输。针对光伏逆变系统,F28069 拥有转换时间为325ns 的12 位16 通道SAR 型ADC 以及19 路高性能PWM 和8 路超高分辨率PWM,可以输出最高达150ps 分辨率的PWM 信号。同时,针对基于OFDM 的PLC 通信,TI 增加了TMS320C2000 MCU 指令集,新增加的指令集由紧耦合的硬件单元VCU(Viterbi, Complex Math, CRC Unit)单元来实现,此运算单元可专门用于运算基于OFDM 的PLC 的大容量快速傅里叶变换(FFT)以及生成前向纠错码(FEC)和CRC 校验码,其内部还有一个浮点协处理器——控制率加速器(CLA),可与主内核并行运算以及拥有和主内核相同的外设使用能力,并且可使用C 语言在CCS 环境下进行编程。CLA 最多有8 个任务,每个任务都可以由外设(ADC/PWM/定时器)或软件触发。图7 为F28069 的性能和外设资源列表[3]。

图 7 F28069 性能和外设资源
5 基于F28035 和F28069 的集成PLC 通信功能光伏逆变系统
PLC 在通信时会占用较多的MCU 资源,所以在DC/AC+PLC 的单MCU 解决方案中,F28069 的主内核进行PLC 运算,其中ADC 的中断用于PLC 的高速采样及处理;F28069 内部的CLA 则用于逆变控制系统, 每次PWM 匹配事件发生后,触发CLA 读取ADC 转换结果然后更新逆变全桥的IGBT 驱动PWM信号占空比。

5.1 系统结构框图

图 2 C2000 光伏逆变系统PLC 内部集成系统框图
如图8 所示,光伏电池最大功率点追踪部分采用交错式BOOST 拓扑,由F28035 控制;母线电压通过LLC 隔离后输送至后级DC/AC 部分。F28069 则运行DC/AC 和PLC 两部分代码。DC/AC 部分为单相逆变全桥,PLC 部分则通过AFE031 模拟前端将数据耦合至电网。两颗MCU 通过UART 进行数据通信。

5.2 DC/AC 系统软件框图
为便于系统调试,DC/AC 部分系统分成3 个Level:Level1:开环系统;Level2:无PLL 闭环系统;Level3:带PLL 可并网系统。软件由5 个功能模块组成:主函数、CLA Task、PLC Run 函数、ECap1 中断和SCIB 中断。
主函数由两个部分组成:(1)内核、外设、变量的初始化;(2)任务状态机。函数开始部分,进行主内核运行变量、CLA 以及PLC 代码的初始化。然后进入PLC Run 函数、Task A、B、C 四个任务的轮询运行阶段。PLC Run 函数的功能为PLC 数据接收、发送、解析以及相关变量更新;Task A 为每毫秒运行一次的Task A0 函数,其中存在 A1 和A3 两个有效子函数。A1 的功能为每20ms 检测系统标志位并且更新当前系统状态;A3 轮询当前功能按钮状态以及发出LED 指示灯控制信号。Task B 是5ms 轮询的Task B0 函数,其中有 B1,B2,B3,B4 四个有效任务。B1 的功能是故障检测和系统欠过流、欠过压的保护;B2 主要进行参数运算,主要为线电压有效值、线电流有效值、当前输出功率的值等;B3用于系统运行状态检测;B4 的功能是处理两颗MCU 间的通信以及F28069 和GUI 之间的通信。Task C为0.5ms 运行一次的Task C0 函数,它用于检测SCIA 通信状态。
第二部分是CLA Task,分为Task 8 和Task 3。Task 8 在CLA 初始化时就通过软件触发,其功能主要是数字电源算法库DPLIB_C_CLA 以及CLA 运算参数初始化。Task3 是PWM3 事件匹配触发,同时会触发ADC SOC。Task 总体分为两部分:上升沿触发阶段和下降沿触发阶段。 下降沿触发阶段:如果触发任务时PWM 处于下降沿计数则运行此部分程序。其主要功能是运算线电压、电流的周期有效值,母线电压周期平均值、输出视在功的值并将其存于制定变量等待主内核读取。
上升沿触发阶段:此阶段同样在触发并且PWM 时基情况下运行。首先是读取外部采样电压、电流值,然后调用数字电源算法库函数中的2P2Z 模块进行母线电压调节(与DC/DC 板连接时有效,独自运行时使用常数作为输出结果)并将运算结果作为其中之一的参数输入电流环基准乘法模块。接下来会判断并网标志位状态,如果已经置位即表示当前为并网运行状态,则进行数字PLL 运算。如果此时为离网运行状态,就跳过此部分进行电流内环调节环运算。最后将电流环运算结果转换为PWM 占空比值用存入相应寄存器。
第三部分ECap1 中断服务程序用于检测电网相位和频率,作为PLL 的锁相基准。
第四部分SCIB 中断用于F28069 与前级F28035 通信。F28069 通过SCIB 采集前级DC/DC 的运行状态,并将其上传至上位机显示。
第五部分是整个系统的关键部分PLC Run 函数,在第一部分已提到,该函数会在系统状态机每次轮询的时候调用,其内部的定时器中断、ADC 中断服务函数以及底层解码函数都封装在PLC Lite 中。只需先设定中断函数入口地址、系统频率等参数后,调用初始化函数HAL_afeInit(), 即可完成底层外设的初始化。
整个系统的关键在于ADC 的复用和同步,上文已经提及,ADC 在PLC 中的采样频率为250KHZ,为了保证ADC 采样的同步,逆变系统的载波周期就必须与其成倍数关系,同时,由于输出正弦信号需为50HZ,所以同时也需要是50HZ 的倍数,由于IGBT 的开关频范围有限,故选择25KHZ 为输出SPWM信号的载波频率。这样PLC 每进行10 次采样,逆变部分的信号进行1 次采样,并且通过EPWM 模块的同步功能可保证两者的采样不冲突。 PLC 部分占用的ADC 会触发主内核中断。而逆变部分则如前文所述触发CLA 运算,这样系统就在同一时间并行运行两种功能,减小了整个系统的时间复杂度并且增加了MCU 的利用率。图9 为系统软件流程图。

图 9 F28069 PLC 内部集成系统软件流程图
6 总结
本文主要介绍了带有电力线载波通信功能的光伏逆变系统拓扑结构以及 TI 的 PLC 方案和集成 PLC功能的光伏逆变系统。PLC 由于其天然优势,十分适合作为一种低成本高性能的通信技术应用于需要与电网相连的产品中,而将其加入当前关备受关注的光伏逆变系统,是必然的发展趋势。
在中小型光伏逆变系统分布式发展的趋势下,通信功能在将来一定会是每个并网逆变器的必备功能,而TI PLC 方案的灵活性使其既可以外加于光伏逆变系统,也可以集成于系统内部,从而满足各种不同客户的系统需求。并且 TI 仍然在持续的开发针对于带有 PLC 功能的光伏逆变系统,例如将更复杂的PLC 标准加入光伏逆变系统。通过 PLC 进行传输数据,对于光伏逆变系统,无疑有着多方面巨大的优势,并且也将进一步推进物联网概念的实施普及,TI 将推出更多关于PLC 应用的方案,使开发人员可以更快的完成产品设计。
参考文档
[1] TI 窄带电力线通信(NB PLC)解决方案介绍(ZHCA433)
[2] TI PLC Development Kit User Guide
[3] TMS320F28069, www.ti.com/product/tms320f28069
[4] AFE031, www.ti.com/product/afe031
附录
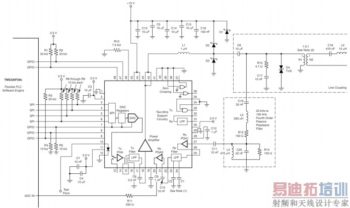
图10 AFE031 典型应用原理图

通信功能作为光伏逆变系统不可或缺的重要组成部分,其主要用于对分布式逆变器状态的远程监测和控制。电力线载波通信(以下简称“PLC”)是指将已有的电力线网络作为通信媒介实现通信的一种方法,将 PLC 功能加入光伏逆变系统,相对于其他类型通信方法而言,可以更好地降低成本、简化系统复杂性。本文着重介绍一种基于TI 的 TMS320F28035(以下简称“F28035”)和TMS320F28069(以下简称“F28069”)的单芯片光伏逆变器+PLC 解决方案,并给出系统框图及软件流程图。
1 具有PLC 通信功能的光伏逆变器应用介绍
太阳能作为一种可再生能源,近两年已经在国内外成功用于并网发电。光伏逆变设备从功率上来看大致可划分为三个等级:输出功率大于6KW 的三相大功率逆变器、输出功率在1KW 至6KW 之间的单相中型逆变器以及输出功率在 200W 至 500W 的微逆变器。大功率逆变器的成本高,效率相对较低,并且一般采用集中式拓扑,所以其对通信功能的需求量较少。与之相比,中小功率逆变器近年来在光伏发电市场上受到了更多的关注。
由于中小型逆变器本身功率不大,所以其更多用于微电网中的分布式太阳能发电系统。作为微电网的一个节点,其会在某个区域内有较大数量和较广范围的分布,例如在欧美地区,很多家庭会在屋顶安装这样的中小功率逆变器;在火车站或者工厂的屋顶会使用大量的中小型逆变器来搭建小型电站等等。这样就需要对一定区域内的逆变器进行管理,以便其更有效、安全、稳定的工作并且提供及时的需求和响应,而管理方法就是配以通信模块,以便通过上位机监测所有逆变器状态,并及时进行控制和调度。
无论是白天或者夜晚,我们都需要实时了解控制器的情况,例如逆变器当前工作状态、太阳能电池板的最大功率点追踪情况、当天/当月/当年等的发电千瓦时、当前输出功率/电压/电流等数据都需要被监控。如果使用中小功率逆变器搭建大功率的发电设备,则还会涉及单个发电设备功率因数的调节、防孤岛保护以及多个逆变器之间的相位同步等参数的控制。
从目前来看,最常见的方法就是通过无线(RF)或者RS485 技术通信。PLC 利用已有的电力线进行传输数据,不需要像 485 总线那样重新铺设新的线路,并且还可以在低成本的情况下实现有效的通信,其相对于 RF 可靠性更高,但相对于 RS485 在鲁棒性上则需要更多的设计优化。通过加入PLC 模块,光伏逆变系统就成为为微电网的一个节点,可以接受任何在智能电网上传输的数据,有利于今后进一步的功能扩展。

图 1 使用PLC 通信的光伏逆变设备区域系统结构
图 1 就是一种带有 PLC 功能的光伏发电设备的区域系统框图,在一定区域内给并网的光伏逆变设备安装 PLC 收发设备后,以电力线为总线来通信的拓扑结构。在距离和数量一定的设备之间,需要一个收发调制解调器来进行区域内的数据处理,并且还可以为其扩展上位机从而将数据通过上层网络进行传输。
2 PLC 方案介绍
2.1 PLC 概况及TI PLC 方案介绍
PLC 技术总体来说可以分为宽带(Broad-band)PLC 和窄带(Narrow-band)PLC 两大类,宽带PLC 速度一般大于1MBPS,应用于Internet 互联网等local area network 广域网连接的场合;窄带PLC(以下简称“NBPLC”)适用于长距离、低传输速度、只需窄带控制或者宽数据采集的场合 [1] 。而中小型光伏逆变设备往往对于其通信模块需要数据高可靠性以及低成本的要求,所以 NB PLC 会更适合于该应用。
目前 PLC 调制技术主要有三大类:单载波类(例如 FSK)、扩展频谱类(例如 S-FSK)、多载波类(例如 OFDM)。前两种从调制方式上看大体可以概括为单载波调制方法,是目前使用比较多的一种技术,其特点就是原理简单,但是速度较慢、鲁棒性也较低。而多载波即 OFDM(正交频分复用调制)是一种更加稳定且数据速率更高的调制技术,其原理就是在单一信道、同一时域传输过程中同时会有多个频率的载波信号进行传输,并且每个载波可以根据需求采用不同的调制方式。相对于单载波调制技术,其优点如下:1)低于 500 KHz 的 PLC 信号能够穿越变压器,因此具有很好的传播特性;2)NB PLC 在使用 MCU 或 DSP 实现时具有较好的成本效益;3)在窄带干扰(以下简称“NBI”)和短脉冲干扰(Impulse)下有很强的鲁棒性(Robustness);4)频率选择性信道的响应(阻抗特性)较好;5)能够与已有的单载波技术(FSK, S-FSK)共存 [1] 。6)无需与主电网过零点同步,因此可以用于直流应用 (如微逆)。

图 2 NB PLC 的调制方式
当前,基于OFDM 技术的NB PLC 的PRIME/G3 标准已经进入了实际部署阶段。而IEEE P1901.2和ITU-T G.hnem 两大国际标准也即将制定完成。TI 在OFDM 的软件开发上有很好的积累,提供了一系列针对各种不同标准的固件库,开发人员使用这些固件库的函数来进行开发时,不需要关心其底层设计的复杂时序,并且可以高效灵活的根据自己的需求进行产品定制。图3 是TI 的PLC 开发软件库(plcSUITE)。

图 3 PLC Suite 结构框图
TI 提供的plcSUITETM 软件库解决方案中,包括了已经实际部署PRIME/G3 协议栈,以及TI 定义的PLC Lite 标准。PLC Lite 是TI 在PRIME 标准上进行优化得到的一个基于OFDM 的软件库,下一节会具体介绍其特性。除了提供软件开发固件库外,TI 还提供整套的解决方案包括硬件模拟前端模块,如图4所示,C2000 可以作为数字调制解调及网络协议栈实现的处理器,可以使用plcSUITETM 中提供的库来进行软件开发,并且将调制好的物理层信号通过SPI 发送至作为模拟前端的AFE031/AFE030,然后通过AF031/AFE030 将数据信号耦合至电力线发送。

图 4 TI NB PLC 解决方案
2.2 TI PLC Lite 标准介绍 [2]
PRIME 和G3 标准在制定之初,主要应用对象是类似远程抄表等终端节点多且距离远、传输数据量大的应用,所以在PRIME 和G3 标准中会包括物理层、媒体层、逻辑链路层、以及更上层(例如在适配层支持IPV6 及IEC61334-32 等)网络层协议。而对于光伏逆变设备,其数据量不大并且在当前大多数应用中,其组网方式相对较简单所以并不需要一个复杂网络协议栈。TI 定义了一个低成本且相对简单的标准PLCLite 以应用于光伏逆变、路灯控制等相对简单灵活的网络。而PLC Lite 本身是由PRIME 标准优化而来,所以其稳定性也可以得到保证。其特性如下:(1) 可使用TMS320F28035 contorlCARD 或TMS320F28069 contorlCARD 作为主控模块;(2)支持PLC Add-on AFE031 模拟前端驱动模块;(3)支持47K~90K 半频段(欧洲CENELEC A 频段标准)、40K~150K 半频段(24K 欧洲CENELEC A /B/C/D 频段标准);(4)最高传输速率为21Kpbs(不使用前向纠错)、11Kpbs(使用前向纠错);(5)采用OFDM 调制方式、使用前向纠错功能、每个频率载波采用DBPSK 调制技术;(6)40K~90K 频段子载波数量为97 路(1 路导频,96 路数据);(7)带有重复码纠错功能、CRC8 错误校验、重复码和RS 前向纠错算法;(8)可通过UART 发送指令进行调试;(9)可编程控制AFE031 增益;(10)具有PRIME 标准物理层特性、增强的NBI 性能以及支持MAC 层扩展。

图5 PLC Lite 物理层特性参数
3 系统设计方案
一般来说,带有通信模块的光伏逆变系统都会采用逆变系统外加通信模块的方式来实现,即在一个逆变系统中,加入相关的通信协议,并通过SCI/SPI 等通信手段与外加的通信模块进行短距离通信,再由通信模块将其发送至外部网络。本章节介绍两种光伏逆变器+PLC 的系统拓扑,并对其特点进行分析。
3.1 PLC 外部独立模块系统
图6 所示为PLC 外部独立模块的系统,这样的系统拓扑模块化较好,灵活度较高。由于PLC 会占用MCU 大量的片上ADC 资源,因此PLC 和逆变系统如果分别独立开发设计则可以降低光伏逆变系统主控MCU 的负载率。该方案可选择相对性能较低(ADC 相对速度较慢、片上RAM/FLASH 容量相对较小等)的MCU 以降低系统成本,但其缺点在于多芯片方案导致外围电路设计复杂且系统成本增加,同时性能较低的MCU 亦限制了光伏逆变设备总体性能的提高。一般在通信功能为可选的系统(如光伏微逆变器)中会倾向于此类拓扑设计。
图 6 光伏逆变系统PLC 外部独立模块系统框图

图6 为一种基于TMS320F28035 的带有PLC 通信功能的光伏逆变系统。其中光伏逆变部分采用两级隔离方式,前级DC/DC 完成MPPT 功能,后级IGBT 模块完成单相逆变,主控系统为两颗F28035(认证要求)
LC 模块部分则由另一颗F28035 单独控制,光伏逆变中的一颗主控F28035 只需将数据通过SCI/SPI 发送至PLC 模块,PLC 模块则通过AFE031 及电力线将数据发送至网络。因此该系统总共需要使用3 颗MCU 来实现。3.2 PLC 内部集成系统
从图4 可以看到,TI 的PLC 方案硬件系统可分为两部分:MCU 和模拟前端。MCU 负责所有的信号接收、解析、处理及发送;模拟前端只负责发送和接收数据:发送——通过MCU 的片上SPI 模块(无需D/A 转换)传送的离散信号经D/A 转换成连续信号后放大并耦合至电力线;接收——将电力线上的调制信号采样匹配后输送至MCU 的片上ADC 单元进行离散采样。通过该分析可以发现,只要光伏逆变的主控MCU 性能足够,即可将TI PLC 方案的软件部分完全移植至该主控MCU 中。
对于需要PLC 功能的光伏逆变设备,该集成拓扑相对于图6 来说主要减少了一颗高性能的实时控制MCU,因此系统成本明显降低,但需要注意的是在该MCU 选型时必须考虑采较强处理能力的内核和外设。理论上来看PLC 部分和光伏逆变的软件算法可以全部由一颗MCU 完成,但其中仍存在技术难题,例如ADC 的采样时序冲突——光伏逆变的PWM 载波频率一般在10K~30KHz,所以ADC 对于电流电压的采样也会与其一致,而PLC-Lite 的 ADC 采样频率最低为250KHz,且两者在采样时均需要ADC 产生中断处理来数据,该问题是此类系统必须要解决的;又如MCU 在性能与成本之间的折衷——基于OFDM 的PLC 需要高速ADC 采样,因此需要大容量RAM 和强大数据处理能力的MCU;逆变系统和PLC 系统都需要很强的实时处理性能。考虑到以上需求,如选用专用DSP 芯片不但增加系统成本,还会增加开发难度,因此如何选用一颗专用MCU 来并行实现光伏逆变和PLC 的相关运算是至关重要的。C2000 由于具有出色的实时控制性能,可以很好地解决上述问题。
4 TMS320F28069简介
TMS320F28069 是C2000 Piccolo 系列MCU,基于C2000 的实时处理C28 内核、硬件浮点运算器和90MHz 的主频使其拥有强大的实时运算能力, 具有256K 字节的片上Flash 和100K 字节的片上RAM;6 通道的DMA 可将ADC 等外设数据进行快速传输。针对光伏逆变系统,F28069 拥有转换时间为325ns 的12 位16 通道SAR 型ADC 以及19 路高性能PWM 和8 路超高分辨率PWM,可以输出最高达150ps 分辨率的PWM 信号。同时,针对基于OFDM 的PLC 通信,TI 增加了TMS320C2000 MCU 指令集,新增加的指令集由紧耦合的硬件单元VCU(Viterbi, Complex Math, CRC Unit)单元来实现,此运算单元可专门用于运算基于OFDM 的PLC 的大容量快速傅里叶变换(FFT)以及生成前向纠错码(FEC)和CRC 校验码,其内部还有一个浮点协处理器——控制率加速器(CLA),可与主内核并行运算以及拥有和主内核相同的外设使用能力,并且可使用C 语言在CCS 环境下进行编程。CLA 最多有8 个任务,每个任务都可以由外设(ADC/PWM/定时器)或软件触发。图7 为F28069 的性能和外设资源列表[3]。

图 7 F28069 性能和外设资源
5 基于F28035 和F28069 的集成PLC 通信功能光伏逆变系统
PLC 在通信时会占用较多的MCU 资源,所以在DC/AC+PLC 的单MCU 解决方案中,F28069 的主内核进行PLC 运算,其中ADC 的中断用于PLC 的高速采样及处理;F28069 内部的CLA 则用于逆变控制系统, 每次PWM 匹配事件发生后,触发CLA 读取ADC 转换结果然后更新逆变全桥的IGBT 驱动PWM信号占空比。

5.1 系统结构框图

图 2 C2000 光伏逆变系统PLC 内部集成系统框图
如图8 所示,光伏电池最大功率点追踪部分采用交错式BOOST 拓扑,由F28035 控制;母线电压通过LLC 隔离后输送至后级DC/AC 部分。F28069 则运行DC/AC 和PLC 两部分代码。DC/AC 部分为单相逆变全桥,PLC 部分则通过AFE031 模拟前端将数据耦合至电网。两颗MCU 通过UART 进行数据通信。

5.2 DC/AC 系统软件框图
为便于系统调试,DC/AC 部分系统分成3 个Level:Level1:开环系统;Level2:无PLL 闭环系统;Level3:带PLL 可并网系统。软件由5 个功能模块组成:主函数、CLA Task、PLC Run 函数、ECap1 中断和SCIB 中断。
主函数由两个部分组成:(1)内核、外设、变量的初始化;(2)任务状态机。函数开始部分,进行主内核运行变量、CLA 以及PLC 代码的初始化。然后进入PLC Run 函数、Task A、B、C 四个任务的轮询运行阶段。PLC Run 函数的功能为PLC 数据接收、发送、解析以及相关变量更新;Task A 为每毫秒运行一次的Task A0 函数,其中存在 A1 和A3 两个有效子函数。A1 的功能为每20ms 检测系统标志位并且更新当前系统状态;A3 轮询当前功能按钮状态以及发出LED 指示灯控制信号。Task B 是5ms 轮询的Task B0 函数,其中有 B1,B2,B3,B4 四个有效任务。B1 的功能是故障检测和系统欠过流、欠过压的保护;B2 主要进行参数运算,主要为线电压有效值、线电流有效值、当前输出功率的值等;B3用于系统运行状态检测;B4 的功能是处理两颗MCU 间的通信以及F28069 和GUI 之间的通信。Task C为0.5ms 运行一次的Task C0 函数,它用于检测SCIA 通信状态。
第二部分是CLA Task,分为Task 8 和Task 3。Task 8 在CLA 初始化时就通过软件触发,其功能主要是数字电源算法库DPLIB_C_CLA 以及CLA 运算参数初始化。Task3 是PWM3 事件匹配触发,同时会触发ADC SOC。Task 总体分为两部分:上升沿触发阶段和下降沿触发阶段。 下降沿触发阶段:如果触发任务时PWM 处于下降沿计数则运行此部分程序。其主要功能是运算线电压、电流的周期有效值,母线电压周期平均值、输出视在功的值并将其存于制定变量等待主内核读取。
上升沿触发阶段:此阶段同样在触发并且PWM 时基情况下运行。首先是读取外部采样电压、电流值,然后调用数字电源算法库函数中的2P2Z 模块进行母线电压调节(与DC/DC 板连接时有效,独自运行时使用常数作为输出结果)并将运算结果作为其中之一的参数输入电流环基准乘法模块。接下来会判断并网标志位状态,如果已经置位即表示当前为并网运行状态,则进行数字PLL 运算。如果此时为离网运行状态,就跳过此部分进行电流内环调节环运算。最后将电流环运算结果转换为PWM 占空比值用存入相应寄存器。
第三部分ECap1 中断服务程序用于检测电网相位和频率,作为PLL 的锁相基准。
第四部分SCIB 中断用于F28069 与前级F28035 通信。F28069 通过SCIB 采集前级DC/DC 的运行状态,并将其上传至上位机显示。
第五部分是整个系统的关键部分PLC Run 函数,在第一部分已提到,该函数会在系统状态机每次轮询的时候调用,其内部的定时器中断、ADC 中断服务函数以及底层解码函数都封装在PLC Lite 中。只需先设定中断函数入口地址、系统频率等参数后,调用初始化函数HAL_afeInit(), 即可完成底层外设的初始化。
整个系统的关键在于ADC 的复用和同步,上文已经提及,ADC 在PLC 中的采样频率为250KHZ,为了保证ADC 采样的同步,逆变系统的载波周期就必须与其成倍数关系,同时,由于输出正弦信号需为50HZ,所以同时也需要是50HZ 的倍数,由于IGBT 的开关频范围有限,故选择25KHZ 为输出SPWM信号的载波频率。这样PLC 每进行10 次采样,逆变部分的信号进行1 次采样,并且通过EPWM 模块的同步功能可保证两者的采样不冲突。 PLC 部分占用的ADC 会触发主内核中断。而逆变部分则如前文所述触发CLA 运算,这样系统就在同一时间并行运行两种功能,减小了整个系统的时间复杂度并且增加了MCU 的利用率。图9 为系统软件流程图。

图 9 F28069 PLC 内部集成系统软件流程图
6 总结
本文主要介绍了带有电力线载波通信功能的光伏逆变系统拓扑结构以及 TI 的 PLC 方案和集成 PLC功能的光伏逆变系统。PLC 由于其天然优势,十分适合作为一种低成本高性能的通信技术应用于需要与电网相连的产品中,而将其加入当前关备受关注的光伏逆变系统,是必然的发展趋势。
在中小型光伏逆变系统分布式发展的趋势下,通信功能在将来一定会是每个并网逆变器的必备功能,而TI PLC 方案的灵活性使其既可以外加于光伏逆变系统,也可以集成于系统内部,从而满足各种不同客户的系统需求。并且 TI 仍然在持续的开发针对于带有 PLC 功能的光伏逆变系统,例如将更复杂的PLC 标准加入光伏逆变系统。通过 PLC 进行传输数据,对于光伏逆变系统,无疑有着多方面巨大的优势,并且也将进一步推进物联网概念的实施普及,TI 将推出更多关于PLC 应用的方案,使开发人员可以更快的完成产品设计。
参考文档
[1] TI 窄带电力线通信(NB PLC)解决方案介绍(ZHCA433)
[2] TI PLC Development Kit User Guide
[3] TMS320F28069, www.ti.com/product/tms320f28069
[4] AFE031, www.ti.com/product/afe031
附录
图10 AFE031 典型应用原理图

射频工程师养成培训教程套装,助您快速成为一名优秀射频工程师...
射频和天线工程师培训课程详情>>

