- 易迪拓培训,专注于微波、射频、天线设计工程师的培养
电源方案选择:隔离还是非隔离好?
录入:edatop.com 点击:
在给嵌入式系统设计电源电路,或选用成品电源模块时,要考虑的重要问题之一就是用隔离还是非隔离的电源方案。在进行讨论之前,我们先了解下隔离与非隔离的概念,及两者的主要特点。
一、电源隔离与非隔离的概念
电源的隔离与非隔离,主要是针对开关电源而言,业内比较通用的看法是:
1、隔离电源:电源的输入回路和输出回路之间没有直接的电气连接,输入和输出之间是绝缘的高阻态,没有电流回路;
2、非隔离电源:输入和输出之间有直接的电流回路,例如,输入和输出之间是共地的。
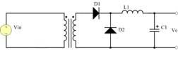
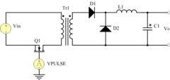
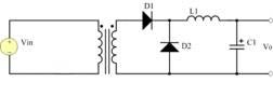
以BuckBoost及其隔离的版本反激电路为例,示意图如图1和图2所示。

图1非隔离电源

图2采用变压器的隔离电源
二、隔离电源与非隔离电源的优缺点
由上述概念可知,对于常用的电源拓扑而言,非隔离电源主要有:Buck、Boost、Buck-Boost等;而隔离电源主要有各种带隔离变压器的反激、正激、半桥、LLC等拓扑。
结合常用的隔离与非隔离电源,我们从直观上就可得出它们的一些优缺点,如表1和表2所示,两者的优缺点几乎是相反的。
表 1非隔离电源的优缺点

表2隔离电源的优缺点

对于上述的优缺点,大部分我们都很好理解,由于电源发生异常后,电源隔离与否对负载的危害大小,我们以Buck和它对应的隔离电路即正激电路来简单分析,如下列图示。

图3 Buck电路

图4 Buck开关管击穿后的电能量走向

图5正激电路

图6正激电路的开关管击穿后示意
由图3和图4可知,对于Buck电路而言,若开关管击穿短路,由于没隔离,输入端较高的电压,直接通过电感作用在负载端,负载很可能因为过压烧毁。
由图5和图6可知,对于正激电路而言,同样开关管击穿短路,对负载而言,只是失去了供电的电源而断电,不会对负载本身造成其它影响。
三、隔离与非隔离电源的应用场合
通过了解隔离与非隔离电源的优缺点可知,它们各有优势,对于一些常用的嵌入式供电选择,我们已可做成准确的判断:
1、 系统前级的电源,为提高抗干扰性能,保证可靠性,一般用隔离电源;
2、 电路板内的IC或部分电路供电,从性价比和体积出发,优先选用非隔离的方案;
3、 对安全有要求的场合,如需接市电的AC-DC,或医疗用的电源,为保证人身的安全,必须用隔离电源,有些场合还必须用加强隔离的电源;
4、 对于远程工业通信的供电,为有效降低地电势差和导线耦合干扰的影响,一般用隔离电源为每个通信节点单独供电;
5、 对于采用电池供电,对续航力要求严苛的场合,采用非隔离供电。
一、电源隔离与非隔离的概念
电源的隔离与非隔离,主要是针对开关电源而言,业内比较通用的看法是:
1、隔离电源:电源的输入回路和输出回路之间没有直接的电气连接,输入和输出之间是绝缘的高阻态,没有电流回路;
2、非隔离电源:输入和输出之间有直接的电流回路,例如,输入和输出之间是共地的。
以BuckBoost及其隔离的版本反激电路为例,示意图如图1和图2所示。

图1非隔离电源

图2采用变压器的隔离电源
二、隔离电源与非隔离电源的优缺点
由上述概念可知,对于常用的电源拓扑而言,非隔离电源主要有:Buck、Boost、Buck-Boost等;而隔离电源主要有各种带隔离变压器的反激、正激、半桥、LLC等拓扑。
结合常用的隔离与非隔离电源,我们从直观上就可得出它们的一些优缺点,如表1和表2所示,两者的优缺点几乎是相反的。
表 1非隔离电源的优缺点

表2隔离电源的优缺点

对于上述的优缺点,大部分我们都很好理解,由于电源发生异常后,电源隔离与否对负载的危害大小,我们以Buck和它对应的隔离电路即正激电路来简单分析,如下列图示。

图3 Buck电路

图4 Buck开关管击穿后的电能量走向

图5正激电路

图6正激电路的开关管击穿后示意
由图3和图4可知,对于Buck电路而言,若开关管击穿短路,由于没隔离,输入端较高的电压,直接通过电感作用在负载端,负载很可能因为过压烧毁。
由图5和图6可知,对于正激电路而言,同样开关管击穿短路,对负载而言,只是失去了供电的电源而断电,不会对负载本身造成其它影响。
三、隔离与非隔离电源的应用场合
通过了解隔离与非隔离电源的优缺点可知,它们各有优势,对于一些常用的嵌入式供电选择,我们已可做成准确的判断:
1、 系统前级的电源,为提高抗干扰性能,保证可靠性,一般用隔离电源;
2、 电路板内的IC或部分电路供电,从性价比和体积出发,优先选用非隔离的方案;
3、 对安全有要求的场合,如需接市电的AC-DC,或医疗用的电源,为保证人身的安全,必须用隔离电源,有些场合还必须用加强隔离的电源;
4、 对于远程工业通信的供电,为有效降低地电势差和导线耦合干扰的影响,一般用隔离电源为每个通信节点单独供电;
5、 对于采用电池供电,对续航力要求严苛的场合,采用非隔离供电。
射频工程师养成培训教程套装,助您快速成为一名优秀射频工程师...
射频和天线工程师培训课程详情>>

