- 易迪拓培训,专注于微波、射频、天线设计工程师的培养
新型HB LED驱动器用于大功率汽车LED前灯设计
录入:edatop.com 点击:
人们对LED提供更高性能和更高性价比的需求永不满足,这促使了多种新车型迅速采用LED前灯。新型LED驱动器IC满足了这些需求,它的电流恒定,高效率性,调光比范围宽,提供各种保护功能,以达到系统可靠性。在本文提出的解决方案中,LED驱动器电路占板面积非常紧凑、扁平和高热效。
到2015年, 高亮度(HB)LED的市场规模预计将达到202 亿美元( 数据来源:Strategies Unlimited)。驱动这种增长的关键应用领域之一是汽车设计中使用的LED,包括前灯、白天行车灯、刹车灯、仪表显示板背光照明、各种车内梳妆照明等。这种令人惊叹的增长速度不仅是因为LED具备高可靠性、低功耗以及更紧凑的外形尺寸,还因为LED能够用来实现创新设计,例如可转向前灯和防眩调光等。在汽车环境中,所有这些改进都必须优化,同时还要承受相对严苛的汽车电气及物理环境的考验。不用说,这些解决方案还必须非常扁平、占板面积非常紧凑,同时能够提高总体性价比。
尽管LED用于白天行车灯、刹车灯、转向指示灯和内部照明已经多年,但是少数特定于前灯的应用还是不久前才出现的,例如应用于奥迪A8和R8以及雷克萨斯LS600h的前灯。不过,在过去一年间,多家汽车制造商已经在其最流行的车型中引入了LED前灯。2014 年,丰田为其最畅销的卡罗拉车型引入了LED前灯,此外,丰田的其他几款车型也采用了LED前灯。本田、日产、保时捷和奥迪也在大多数即将上市的车型中引入了LED前灯。很多人估计,2014年LED前灯市场规模将超过30亿美元。
汽车照明系统设计师面临的最大挑战之一是怎样充分发挥最新一代HB LED的所有优势。HB LED一般需要一个准确和高效率的直流电流源和一种调光方法。LED驱动器IC设计必须能够在多种条件下满足这些要求。因此,电源转换解决方案必须效率非常高、功能非常可靠,同时必须非常紧凑,并具有很高的性价比。可以说,就驱动HB LED而言,要求最严苛的应用之一就是汽车前灯应用,因为这类应用须承受严苛的汽车电气环境的考验,必须提供很大的功率(一般情况下为50W~75W),必须能够放进热量和空间都受限的外罩中,与此同时还必须保持富有吸引力的成本结构。
汽车LED前灯
尺寸小、寿命极长、低功耗、强大的调光能力等优势是HB LED前灯得到广泛采用的催化剂。几年前,奥迪、戴姆勒、雷克萨斯等汽车制造商都开始采用LED,以设计非常与众不同的行车灯或前灯的“眉毛”,以此彰显其品牌的与众不同。在讴歌的宝石眼设计、保时捷的4象限设计以及无数新出现的设计中,LED前灯设计都体现了类似的趋势。
将LED用于汽车前灯有几种积极影响。首先,这种前灯不需要更换,因为其固态器件寿命超过10万小时(11.5年使用年限),这超过了车辆的使用寿命。因此汽车制造商可以永久性地将LED嵌入到前灯设计中,而无需考虑更换问题。这使前灯的款式能够有很大的变化,因为LED照明系统不需要氙气灯(HID)或卤素灯那样的深度或面积。在靠输入电功率提供光输出(以流明为单位)时,HB LED的效率也比卤素灯高(而且不久就将高于HID ) .这有两个方面的积极影响。首先,LED照明系统从汽车总线消耗的电功率较低,这在电动型汽车和混合动力汽车中尤其重要,而同等重要的是,LED照明系统减少了需要从外壳散出的热量,从而无需任何笨重、昂贵的散热装置。最后,通过使用HB L E D阵列,并以电子方式改变其方向或对其进行调光,这样的解决方案可设计成在很多不同的行驶条件下优化照明。
设计参数
为了确保最佳性能和较长的工作寿命,LED需要一种有效的驱动电路。这类驱动器IC必须提供准确的直流电流源,而且无论输入电源的变化范围有多宽,都要提供严格控制的LED电压调节。汽车电池总线中见到的极端电压范围为冷发动/启停情况下的4.7V至负载突降情况下的60V.但更常见的是,电池总线电压在通常情况下工作在9V~16V.因为很多这类新型LED前灯应用使用4至8个串联HB LED,且电压降为12V~25V,而电池总线电压范围可能为4.7V~60V,所以需要升降压拓扑给LED供电,其原因是输入电压可能高于、低于或等于所需的LED串电压。其次,LED驱动器必须提供一种调光方法,并提供多种保护功能,以防遭遇LED开路或短路问题。除了可在电气环境十分严苛的汽车电源总线可靠工作,LED驱动器还必须具备高性价比和占用空间小的特点。
一种新型同步升降压HB LED驱动器
凌力尔特公司的LT3791 LED驱动器可以应对上述困境。LT3791是一款同步升降压DC/DC LED驱动器和电压控制器,可提供超过100W的LED功率。其4.7V~60V输入电压范围使该器件非常适合多种应用,包括汽车、卡车,甚至航空电子设备的HB LED前灯。同样,其输出电压可以在0V~60V范围内设置,从而使其能够在单串中驱动多个LED。
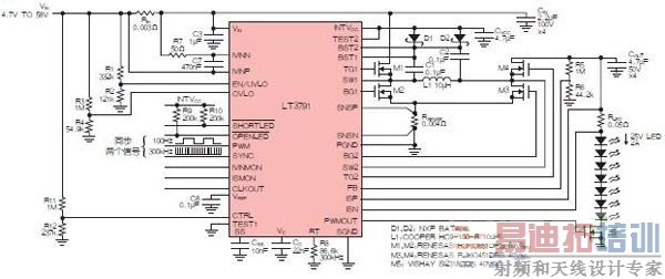
图1所示为一个典型 50W前灯应用。该应用使用单个电感准确地调节25V/2ALED串,提供50W LED功率。这个电路提供50:1 PWM调光比,能很好地满足防眩光自动调光要求。输入和输出LED电流受到监视,同时提供故障保护,以承受并报告开路或短路LED情况。

图1:具50:1调光比、效率达98%的50W(25V、2A)升降压LED驱动器
其内部4开关升降压控制器能够在高于、低于或等于输出电压的输入电压下工作,非常适合汽车应用。降压、直通和升压工作模式之间的转换是无缝的,尽管电源电压变化范围很宽,也能提供良好稳定的输出。LT3791的独特设计采用3个控制环路,监视输入电流、LED电流和输出电压,从而提供最佳的性能和可靠性。
LT3791采用4个外部开关MOSFET,能够以高达98%的效率连续提供从5W直至超过100W的LED功率,参见图2.在以常规方法供电的车辆中,高效率很重要,可最大限度降低对散热措施的需求,实现占板面积非常紧凑的扁平解决方案。而在电动汽车中,这种功率节省还延长了两次充电之间车辆可行驶的里程。

图2:图1中的LED效率
±6%的LED电流准确度确保了一个LED串中的每个LED都有恒定亮度,同时,±2%的输出电压准确度可用来提供几种LED保护功能,而且还使转换器能够作为恒定电压源工作。LT3791可按照应用要求,使用模拟或PWM调光。此外,其开关频率可在200kHz~700kHz设定,或同步至一个外部时钟。其他功能包括输出断开、输入和输出电流监视,以及集成的故障保护。
到2015年, 高亮度(HB)LED的市场规模预计将达到202 亿美元( 数据来源:Strategies Unlimited)。驱动这种增长的关键应用领域之一是汽车设计中使用的LED,包括前灯、白天行车灯、刹车灯、仪表显示板背光照明、各种车内梳妆照明等。这种令人惊叹的增长速度不仅是因为LED具备高可靠性、低功耗以及更紧凑的外形尺寸,还因为LED能够用来实现创新设计,例如可转向前灯和防眩调光等。在汽车环境中,所有这些改进都必须优化,同时还要承受相对严苛的汽车电气及物理环境的考验。不用说,这些解决方案还必须非常扁平、占板面积非常紧凑,同时能够提高总体性价比。
尽管LED用于白天行车灯、刹车灯、转向指示灯和内部照明已经多年,但是少数特定于前灯的应用还是不久前才出现的,例如应用于奥迪A8和R8以及雷克萨斯LS600h的前灯。不过,在过去一年间,多家汽车制造商已经在其最流行的车型中引入了LED前灯。2014 年,丰田为其最畅销的卡罗拉车型引入了LED前灯,此外,丰田的其他几款车型也采用了LED前灯。本田、日产、保时捷和奥迪也在大多数即将上市的车型中引入了LED前灯。很多人估计,2014年LED前灯市场规模将超过30亿美元。
汽车照明系统设计师面临的最大挑战之一是怎样充分发挥最新一代HB LED的所有优势。HB LED一般需要一个准确和高效率的直流电流源和一种调光方法。LED驱动器IC设计必须能够在多种条件下满足这些要求。因此,电源转换解决方案必须效率非常高、功能非常可靠,同时必须非常紧凑,并具有很高的性价比。可以说,就驱动HB LED而言,要求最严苛的应用之一就是汽车前灯应用,因为这类应用须承受严苛的汽车电气环境的考验,必须提供很大的功率(一般情况下为50W~75W),必须能够放进热量和空间都受限的外罩中,与此同时还必须保持富有吸引力的成本结构。
汽车LED前灯
尺寸小、寿命极长、低功耗、强大的调光能力等优势是HB LED前灯得到广泛采用的催化剂。几年前,奥迪、戴姆勒、雷克萨斯等汽车制造商都开始采用LED,以设计非常与众不同的行车灯或前灯的“眉毛”,以此彰显其品牌的与众不同。在讴歌的宝石眼设计、保时捷的4象限设计以及无数新出现的设计中,LED前灯设计都体现了类似的趋势。
将LED用于汽车前灯有几种积极影响。首先,这种前灯不需要更换,因为其固态器件寿命超过10万小时(11.5年使用年限),这超过了车辆的使用寿命。因此汽车制造商可以永久性地将LED嵌入到前灯设计中,而无需考虑更换问题。这使前灯的款式能够有很大的变化,因为LED照明系统不需要氙气灯(HID)或卤素灯那样的深度或面积。在靠输入电功率提供光输出(以流明为单位)时,HB LED的效率也比卤素灯高(而且不久就将高于HID ) .这有两个方面的积极影响。首先,LED照明系统从汽车总线消耗的电功率较低,这在电动型汽车和混合动力汽车中尤其重要,而同等重要的是,LED照明系统减少了需要从外壳散出的热量,从而无需任何笨重、昂贵的散热装置。最后,通过使用HB L E D阵列,并以电子方式改变其方向或对其进行调光,这样的解决方案可设计成在很多不同的行驶条件下优化照明。
设计参数
为了确保最佳性能和较长的工作寿命,LED需要一种有效的驱动电路。这类驱动器IC必须提供准确的直流电流源,而且无论输入电源的变化范围有多宽,都要提供严格控制的LED电压调节。汽车电池总线中见到的极端电压范围为冷发动/启停情况下的4.7V至负载突降情况下的60V.但更常见的是,电池总线电压在通常情况下工作在9V~16V.因为很多这类新型LED前灯应用使用4至8个串联HB LED,且电压降为12V~25V,而电池总线电压范围可能为4.7V~60V,所以需要升降压拓扑给LED供电,其原因是输入电压可能高于、低于或等于所需的LED串电压。其次,LED驱动器必须提供一种调光方法,并提供多种保护功能,以防遭遇LED开路或短路问题。除了可在电气环境十分严苛的汽车电源总线可靠工作,LED驱动器还必须具备高性价比和占用空间小的特点。
一种新型同步升降压HB LED驱动器
凌力尔特公司的LT3791 LED驱动器可以应对上述困境。LT3791是一款同步升降压DC/DC LED驱动器和电压控制器,可提供超过100W的LED功率。其4.7V~60V输入电压范围使该器件非常适合多种应用,包括汽车、卡车,甚至航空电子设备的HB LED前灯。同样,其输出电压可以在0V~60V范围内设置,从而使其能够在单串中驱动多个LED。
图1所示为一个典型 50W前灯应用。该应用使用单个电感准确地调节25V/2ALED串,提供50W LED功率。这个电路提供50:1 PWM调光比,能很好地满足防眩光自动调光要求。输入和输出LED电流受到监视,同时提供故障保护,以承受并报告开路或短路LED情况。

图1:具50:1调光比、效率达98%的50W(25V、2A)升降压LED驱动器
其内部4开关升降压控制器能够在高于、低于或等于输出电压的输入电压下工作,非常适合汽车应用。降压、直通和升压工作模式之间的转换是无缝的,尽管电源电压变化范围很宽,也能提供良好稳定的输出。LT3791的独特设计采用3个控制环路,监视输入电流、LED电流和输出电压,从而提供最佳的性能和可靠性。
LT3791采用4个外部开关MOSFET,能够以高达98%的效率连续提供从5W直至超过100W的LED功率,参见图2.在以常规方法供电的车辆中,高效率很重要,可最大限度降低对散热措施的需求,实现占板面积非常紧凑的扁平解决方案。而在电动汽车中,这种功率节省还延长了两次充电之间车辆可行驶的里程。

图2:图1中的LED效率
±6%的LED电流准确度确保了一个LED串中的每个LED都有恒定亮度,同时,±2%的输出电压准确度可用来提供几种LED保护功能,而且还使转换器能够作为恒定电压源工作。LT3791可按照应用要求,使用模拟或PWM调光。此外,其开关频率可在200kHz~700kHz设定,或同步至一个外部时钟。其他功能包括输出断开、输入和输出电流监视,以及集成的故障保护。
射频工程师养成培训教程套装,助您快速成为一名优秀射频工程师...
天线设计工程师培训课程套装,资深专家授课,让天线设计不再难...
上一篇:电源完整性分析的十个经验
下一篇:十个方面解析:OLED显示的发展方向
射频和天线工程师培训课程详情>>

