- 易迪拓培训,专注于微波、射频、天线设计工程师的培养
关于TL431工作方式的另一种理解
录入:edatop.com 点击:
TL431有着较为特殊的动态抗阻,是一种较为精密的可控稳压源,在电路当中,TL431也作为一种并联型的稳压电路来使用,当然使用方法并不局限在这一种,其还能够作为串联或电压基准来使用。TL431的主要作用是使电路获得更加稳定的电压,虽然人们都知道使用TL431,但是并没有几个人对其工作原理进行深入的剖析,本篇文章就将为大家介绍关于TL431工作方式的另一种理解方式。
请参阅:更多电源管理、数据转换设计方案。
说到TL431的工作方式,很多人想到的必然是TL431+PC817的电源电路。其实任何基于431手册中的稳压电路,都可以有合理的电路模型。
而TL431和PC817的反激电源中的TL431,却无法,或很难解释。

图1是TL431的内部原理图
首先,这里有一个最最基本的问题。当TL431正常工作在稳压电源中的时候,Cathode的电压是多少 大家想过这个问题吗

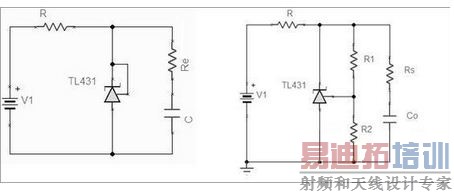
图2
对于如图2的TL431常用稳压电路,C的电压是确定的。
由电源电压减去电阻电压,就可以得到。因为REF的电压因为负反馈而稳定就使2.5V.但TL431+PC 817中的TL431,却没有明确的Cahode电压!

图3 反激电源中的TL431
通过TL431的内部电路,可以看出,Cathode的电压不应该低于2.5V。因为只有Cathode的电压高于2.5V,Q1的这个三极管,才可以工作在放大状态。如果低于2.5V,那么Q1会进入饱和方式,而失去放大作用。不难看出,此时,Q2、Q3、Q4等三极管也会失去放大作用而饱和。
三极管饱和的方式,肯定不是TL431的设计者,最初的想法,他的想法,肯定是要让这些三极管工作在放大方式的。C低于2.5V,在反激的431中,不会出现2.5V流向5V的电流,假设反激电压为输出5V.如果REF电压高于C,电流也是从集电极到发射极的流动方向。最好的情况是,3.28K电阻之下的电路工作正常,而可以输出1.5V左右的基准电压。
而最好的情况是,假设即使Cathode低于2.5V,431也可以反馈正常工作。对于TL431组成的稳压电源,必须提供431,手册说的1mA的Cathode到Anode的工作电流。
但是,在反激电压的TL431中,这根本就不需要!这一点,需要特别注意。因为仅此一点,就彻底否定了LED并联电阻的,毫无意义的做法。
对于TL431手册中的稳压电源电路,必须提供1mA电流,才可以正常工作。而反激电源中的TL431,在C到A的电流为0的时候,恰好是UC3842输出最大占空比的时候,这必然产生输出电压,而使得TL431工作。
所以,在反激电源中,根本不需要关心TL431的电流问题,特别是启动的时候。这是必然会产生的。
试想,UC3842的反激电源启动了,此时,没有输出电压。TL431也没有电流,不工作。但UC3842因为其中的运放会输出最大的1mA电流,流向了1V稳压管并联的电阻,而导致设定的占空比最大,而输出电压逐步上升。
随着5V电压的逐渐增大,TL431的C和A之间如果不导通,那么其CA电压会5V左右,这会与TL431的输出电压电流IV曲线出现矛盾,所以TL431必定会在CA间产生电流。而5V的分压电阻,在REF 产生2.5V左右电压,导致TL431正常工作。
LED电流对应一定的输入电压和负载电阻。就是说,如果输入电压固定,负载一定,那么就会有与之一一对应的TL431的C到A的电流,就是LED电流。如果两者,有一个或2个都改变,那么LED电流,必然改变。所以,最大的输入电压,和最小的负载电阻,对应最小的LED电流,可以是0。
最小的输入电压,最大的负载电阻,对应最大的LED电流。几个mA.请注意,无论如何,TL431在CA电流为0,就是LED电流为0的时候,是无法工作的。但此时UC3842输出最大占空比,而导致,TL431会逐渐开始工作。
就是说,反激电源中的TL431,C到A的电流是可以为0的,而这对应最大的占空比。我们的目的,是让UC3842产生连续可调的占空比,对于TL431是否工作,这不重要!但只要产生足够的输出电压,TL431必定负反馈正常工作。但因为UC3842的电流变化只有1mA,如果TL431的LED电流变化达到10mA,那么9mA的调节死区,会给输出电压,带来振荡。所以,这就是我们需要串联Rled这个电阻的唯一原因。
这个电阻,无法用频率补偿的那套方法分析计算。到目前为止,只能定性理解。至少,因为TL431一旦没有电流,就不可能有电路模型高频的!这个Rled电阻,对于输出电压的动态过程产生影响。
越大越好,因为LED电流变化就小了,比如说,变成了5mA的变化范围,就比10mA的9mA死区,输出电压电振荡小不少。一般来说2mA足以了。但确实是不好计算。因为我们不知道,2mA的LED电流,TL431的cahoce电压为多少。所以就没有办法来计算Rled这个电阻的大小。
假如认为TL431的C电压必须不低于2.5V,那么,这依然不符合实际情况。因为最大UC3842输出占空比时候,TL431的电流就可以为0的。但还是假设这么算,C不低于2.5V的话,就按2.5V来算。
Rled=(5-1.5-2.5)V/2mA=500欧姆。

图4
对于TL431的设计理念,不管其设计者,最初是否如下图所示,图4的原理与TL431是完全一样的。因此,TL431+PC817的确是个,到目前为止,使用众多的电路。
最好的,最合乎情理的,方法就是用运放,用TL431提供电压基准的方式,比如那个着名的使用LM258的输出有2个二极管的恒压恒流电路。因为这个电路是可以用正常的理论方法,进行分析和计算的。而TL431+PC817,是无法计算的!敢算的是概念错误!
是的,我们可以说,TL431+PC817是正确的电路,因为的确可以正常工作,只是因为TL431的工作方式问题,会对于动态过程,产生振荡,或其他不可思议的问题。因为这不是一个,目前的理论,能够解释和分析计算的。
使用运放的反激电路,基本都是可以用现有理解分析计算的,所以问题不大。这就是两种方式的主要区别。
使用TL431+PC817的唯一原因就是成本问题。但从负反馈的原理来说,是正确的,但过度的动态过程,不好说。
再明确一点就是,TL431可以工作在非正常方式,而产生负反馈作用。就是说,C的电压低于2.5V,依然可能可以有正常的负反馈作用。
而要计算的话,就要假设,TL431,只能工作在C不低于2.5V的情况下。因为UC3842输出最大占空比时,TL431的电流可能为0.1mA,而0.1mA不足以使TL431 正常工作,但在整个电路的调节过程中,TL431不正常工作,依然在现实中,调节了输出电压,而让人们觉得这没有问题。
如果非要定量计算,也是要把TL431当作跨导放大。传递函数是gm*A/(Ts+1)的形式。而此时,与电阻Rled无关!这是需要特别注意的。Rled就是限制电流的作用,但我们却无法计算这个电阻。但设置一个Rled电阻值,就可以知道最大不可能超过的电流,毕竟我们也不希望TL431,因为没有电阻限流,而流过100mA电流。
Rled能否对调节产生作用 定性来说可以,越小,虽然可能振荡的情况增大,但毕竟调节还是比较快的。Rled大,那么调节速度就可能变慢,但振荡小。
那么,为何假设TL431正常工作的,跨导模型,无法证明Rled的作用呢 因为理想的小信号模型,在现实中,是不存在的!这是一个无法小信号化的,严重的非线性电路。如果TL431无法小信号化,那么所谓的II型补偿,从何谈起呢 如果全面测试的结果,表明,TL 431+PC817的反激电源正常工作,看来我们也只能相信了。
这些根本毫无道理的补偿方法,居然真的起作用了。当然了gm是随LED电流变化而变化的,LED电流越大,那么gm也越大,开环的增益也越大,故LED电阻越小,穿越频率越大,就反应越快。终于对上号了! 呵呵
那么,gm*A/Ts+1的模型就可以用了,但人们貌似还都不是这么用的。因为不说gm很难得到,就是A和T也是不知道的。好在,人们用的是PID等补偿方法,可以把运放或TL431看作理想的。
PID之类的确是个好主意。要是换上7805类的补偿,还真没办法!积分真的太有用了,不是为了消除静态误差,而是可以把运放当作理想的。为了证明431的电流控制方式,II型补偿依然有效,进行了如下推导计算。

图5


图6
因为Vref上电后就是稳定的了,所以被Rled*(R1+R2)除以后,很小,视为0。
得到框图如下:

图7
这依然是个复杂的反馈。还不是那种单环路的反馈框图形式。无法用现有的频率补偿方法。
这是需要了解的。但是,如果把Vo/Rled视为扰动的话,那么就可以变成如下的标准形式了。而且,这个假设,视为输出电压缩小Rled倍后为扰动,很是合理。

图8
于是乎,基于上述假设,我们得到了,一个单回路反馈的标准形式。也就说明了,II型补偿,对于TL431型反馈电路来说,补偿可以看作有效。费这么大劲才能证明这么一个看似无需考虑的问题,这是人们把TL431视为电压型运放的错误的思想导致。为了证明II在反激中有效,恐怕还是需要向本大师一样,如此推导计算的。
然而这依然是个复杂的反馈,比电压型运放的反馈,复杂。电压型反馈,只有一个标准的反馈回路,开环传递函数,一目了然。而这个电流的复杂多了。如果不是把Vo/Rled视为扰动,我们几乎很难用通常的补偿方法补偿。最后,需要指出的是,只有教科书中开关电源电路,才是唯一符合补偿方法的。例如PID,II型等补偿方法。对于TL431+PC817的反激电源,并不适合。所以,书本里的电路,符合控制原理的方法。主要还是单回路控制。一目了然。几乎为降低成本的设计,例如TL431+PC817,用通常的方法,是无法分析的。必须做出一些假设才行!这个道理,是使用TL431+PC817进行II补差的人,所不知道的!
电子电路中有很多不符合控制理念的反馈电路。这个就是其中第一个。电流和电压的所谓ACM控制,也是不符合控制原理的,所谓的貌似可以在电子电路里多数情况工作良好的电路。只能说,反激电源,如果理解成双环反馈,还是可以行的通的。条件是输出电容足够大,在几个开关周期,不会造成输出电容电压的较大变化。这样就可以理解为串级控制。
TL431 其实就是带基准的比较器(高增益),与PC817一起使用解释不是什么难事。难事就是怎么样让比较器输出为线变化(这就扯到了补偿)。PC817实际就是一个隔离的线性放大器。
本篇文章从一个全新的角度对TL431的工作原理进行非常详细的分析,不管文中的观点是否正确,它的确为人们提供了另一种思路,从侧面帮助大家多进行思考,从不同的角度来观察问题。
射频工程师养成培训教程套装,助您快速成为一名优秀射频工程师...
射频和天线工程师培训课程详情>>

