- 易迪拓培训,专注于微波、射频、天线设计工程师的培养
注意 SEPIC 耦合电感回路电流 —— 第 1 部分
录入:edatop.com 点击:
在不要求主级电路和次级电路之间电气隔离且输入电压高于或者低于输出电压时,SEPIC 是一种非常有用的拓扑。在要求短路电路保护时,我们可以使用它来代替升压转换器。SEPIC 转换器的特点是单开关工作和连续输入电流,从而带来较低的电磁干扰 (EMI)。这种拓扑(如图 1 所示)可使用两个单独的电感(或者由于电感的电压波形类似),因此还可以使用一个耦合电感,如图所示。因其体积和成本均小于两个单独的电感,耦合电感颇具吸引力。其存在的缺点是标准电感并非总是针对全部可能的应用进行优化。

图 1 SEPIC 转换器使用一个开关来升降输出电压
这种电路的电流和电压波形与连续电流模式 (CCM) 反向电路类似。开启 Q1 时,其利用耦合电感主级的输入电压,在电路中形成能量。关闭 Q1 时,电感的电压逆转,然后被钳制到输出电压。电容 C_AC 便为 SEPIC 与反向电路的差别所在;Q1开启时,次级电感电流流过它然后接地。Q1 关闭时,主级电感电流流过C_AC,从而增加流经 D1 的输出电流。相比反向电路,这种拓扑的一个较大好处是 FET 和二极管电压均受到 C_AC 的钳制,并且电路中很少有振铃。这样,我们便可以选择使用更低的电压,并由此而产生更高功效的器件。
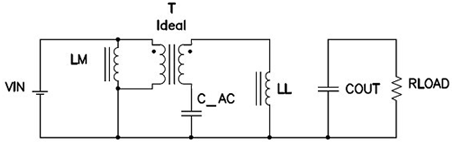
由于这种拓扑与反向拓扑类似,因此许多人会认为要求有一套紧密耦合的绕组。然而,情况却并非如此。图 2 显示了连续 SEPIC 的两个工作状态,其变压器已通过漏电感 (LL)、磁化电感 (LM) 和一个理想变压器 (T) 建模。经检查,漏电感的电压等于 C_AC 的电压。因此,较小值 C_AC 或者较小漏电感的大 AC 电压会形成较大的回路电流。较大的回路电流会降低转换器的效率和 EMI 性能,而这种情况是我们所不希望出现的。减少这种大回路电流的一种方法是增加耦合电容 (C_AC)。但是,这样做是以成本、尺寸和可靠性为代价的。一种更为精明的方法是增加漏电感,其在指定某个定制磁性组件的情况下可以很轻松地实现。

2a)MOSFET 开启:VLL = VC_AC - VIN = VC_AC(DC 部分删除)

2b) MOSFET 关闭: VLL = VIN + VOUT - VC_AC - VOUT = VC_AC (DC 部分删除)
图 2a 和 2b SEPIC 转换器的两种工作状态。漏电感的 AC 电压等于耦合电容电压。
有趣的是,极少的厂商已经认识到了这一事实,并且许多厂商已经针对 SEPIC 应用生产出了低漏电感的电感。另一方面,Coilcraft 拥有约 0.5 uH 漏电感的 47 uH MSD1260,同时还于最新开发出了这种设计的其他版本,其具有 10 uH 以上的漏电感。

图 1 SEPIC 转换器使用一个开关来升降输出电压
这种电路的电流和电压波形与连续电流模式 (CCM) 反向电路类似。开启 Q1 时,其利用耦合电感主级的输入电压,在电路中形成能量。关闭 Q1 时,电感的电压逆转,然后被钳制到输出电压。电容 C_AC 便为 SEPIC 与反向电路的差别所在;Q1开启时,次级电感电流流过它然后接地。Q1 关闭时,主级电感电流流过C_AC,从而增加流经 D1 的输出电流。相比反向电路,这种拓扑的一个较大好处是 FET 和二极管电压均受到 C_AC 的钳制,并且电路中很少有振铃。这样,我们便可以选择使用更低的电压,并由此而产生更高功效的器件。
由于这种拓扑与反向拓扑类似,因此许多人会认为要求有一套紧密耦合的绕组。然而,情况却并非如此。图 2 显示了连续 SEPIC 的两个工作状态,其变压器已通过漏电感 (LL)、磁化电感 (LM) 和一个理想变压器 (T) 建模。经检查,漏电感的电压等于 C_AC 的电压。因此,较小值 C_AC 或者较小漏电感的大 AC 电压会形成较大的回路电流。较大的回路电流会降低转换器的效率和 EMI 性能,而这种情况是我们所不希望出现的。减少这种大回路电流的一种方法是增加耦合电容 (C_AC)。但是,这样做是以成本、尺寸和可靠性为代价的。一种更为精明的方法是增加漏电感,其在指定某个定制磁性组件的情况下可以很轻松地实现。

2a)MOSFET 开启:VLL = VC_AC - VIN = VC_AC(DC 部分删除)

2b) MOSFET 关闭: VLL = VIN + VOUT - VC_AC - VOUT = VC_AC (DC 部分删除)
图 2a 和 2b SEPIC 转换器的两种工作状态。漏电感的 AC 电压等于耦合电容电压。
有趣的是,极少的厂商已经认识到了这一事实,并且许多厂商已经针对 SEPIC 应用生产出了低漏电感的电感。另一方面,Coilcraft 拥有约 0.5 uH 漏电感的 47 uH MSD1260,同时还于最新开发出了这种设计的其他版本,其具有 10 uH 以上的漏电感。
射频工程师养成培训教程套装,助您快速成为一名优秀射频工程师...
射频和天线工程师培训课程详情>>

