- 易迪拓培训,专注于微波、射频、天线设计工程师的培养
采用ThinSOT或3mm x 2mm DFN封装的低IQ、60V单片式升压/SEPIC/负输出转换器
录入:edatop.com 点击:
作者:凌力尔特公司 (现隶属 ADI 公司)Owen Jong
LT8330 单片式 DC/DC 转换器采用扁平 6 引线 ThinSOT 或 8 引线 (3mm x 2mm) DFN 封装,可用来实现升压、SEPIC 或负输出拓扑。该器件提供 3V 至 40V 输入范围、内部 1A/60V 开关和 6µA 静态电流,符合了小型、高效率电源解决方案的需要。LT8330 很容易满足多种工业和汽车应用的需求。
节省空间的单片式转换器新系列
LT8330 是一个新的单片升压 / SEPIC / 负输出转换器系列之首款器件,该系列转换器采用了新的设计方法和新的工艺技术,以实现低输出纹波突发模式 (Burst Mode) 运行、坚固的电源开关和快速切换,而且其 AC 功耗很低。电源开关具很短的最短接通和关断时间,在 2MHz 高开关频率时允许很宽的占空比范围,从而减小了所需磁性组件及电容器的尺寸,降低了成本。
易于使用
通过内部补偿,简化了转换器的总体设计,并最大限度减少了所需器件的数量。用输出和 FBX 引脚之间的电阻分压器,可以非常容易地设定正或负输出电压。集成的频率折返和软启动功能允许在启动时使输出电容器向着其最终值方向逐渐充电,同时限制电感器峰值电流。运用准确的 EN/UVLO 引脚门限,可以针对输入电源设定欠压闭锁。
采用 ThinSOT 封装的单片式升压 / 负输出 / SEPIC 转换器概述
引脚兼容性
对于需要较高输入电压或较高开关电压的应用而言,LT8330 与 LT3467 / LT3467A 是引脚兼容的 (LT3467 / LT3467A SS 引脚成为 INTVCC 引脚)。
升压型转换器
对于需要输出电压高于输入电压的应用,3V 至 40V 输入能力和内部 60V/1A 电源开关使 LT8330 对很多升压型转换器而言,都是很有吸引力的选择。
在本文所示的一些应用中,转换器以断续导通模式 (DCM) 运行,以实现非常高的升压比。当配置为连续导通模式 (CCM) 时,LT8330 能够提供更大的输出功率。
12V 输入升压至 48V 输出
图 1 所示转换器采用 12V 输入电源,以 90% 的峰值效率产生 48V 电压和高达 6.5W 功率。

图 1:12V 至 48V 升压型转换器及其效率
EFFICIENCY:效率
BOOST:升压
LOAD CURRENT:负载电流
8V ~ 16V 输入升压至 24V 输出
图 2 显示了一款 24V 升压型转换器,用 8V ~ 16V 输入供电。该转换器在效率高达 94% 时能够提供高达 10.8W 功率。

图 2:8V ~ 16V 输入至 24V 输出的升压型转换器及其效率
EFFICIENCY:效率
BOOST:升压
LOAD CURRENT:负载电流
3V ~ 6V 升压至 48V
图 3 显示的 LT8330 配置为以断续导通模式 (DCM) 运行,实现了 16:1 的升压比。这款 48V 升压型转换器在负载电流为 14mA (对于 6V 输入电压) 时,保持效率为 75%。

图 3:3V ~ 6V 输入至 48V 输出的升压型转换器及其效率
SEPIC 转换器
汽车和工业应用常常靠高于和低于所需输出电压的输入电压运行。有些应用要求 DC/DC 转换器对输入既升压也降压,这时常常选择 SEPIC 拓扑。SEPIC 拓扑对需要输出断接的应用也很有用。输出断接确保在停机时没有输出电压,还可使系统承受输出短路故障,因为从输出到输入没有 DC 通路。LT8330 有很高的 60V 额定开关电压,同时电源开关的最短接通和关断时间很短,这就允许宽的输入电压范围,即使在 LT8330 的 2MHz 高开关频率情况下也不例外。
8V ~ 30V 输入转换至 24V 输出的 SEPIC 转换器
图 4 所示电路是一个具宽输入范围的 24V SEPIC 转换器,在效率高达 86.6% 时提供高达 6W 功率。

图 4:8V ~ 30V 输入转换至 24V 输出的 SEPIC 转换器及其效率
160mA AT VIN = 8V:VIN = 8V 时电流为 160mA
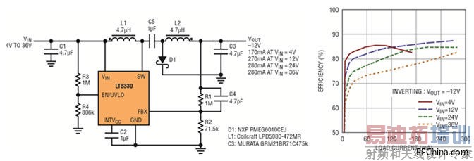
4V ~ 36V 输入转换至 12V 输出的 SEPIC 转换器
图 5 显示了另一款具很宽输入范围的解决方案,工作输入电压可低至 4V,同时以高达 85% 的效率提供 2W 功率。就高于 24V 的输入电压而言,图 5 电路可提供高达 3.4W 功率。

图 5:4V ~ 36V 输入转换至 12V 输出的 SEPIC 转换器及其效率
Cuk 转换器
今天的电子产品中常常使用负电源。不过,很多应用仅用正的输入电压运行。当 LT8330 配置为 Cuk 负输出拓扑时,可用幅度大于或小于负输出电压幅度的正输入电压工作。
就像配置成 SEPIC 拓扑时一样,由于 LT8330 具有高的 60V 额定开关电压,电源开关的最短接通和关断时间又很短,因此允许很宽的输入电压范围,即使在 LT8330 的 2MHz 高开关频率情况下也不例外。
8V ~ 30V 输入转换至 –24V 输出的 Cuk 转换器
图 6 显示,LT8330 配置成 Cuk 拓扑,调节一个负输出电压。这个电路提供高达 6W 功率,保持效率高达 87%。

图 6:8V ~ 30V 输入转换至 –24V 输出的 Cuk 转换器及其效率
160mA AT VIN = 8V:VIN = 8V 时电流为 160mA
EFFICIENCY:效率
INVERTING:负输出
LOAD CURRENT:负载电流
4V ~ 36V 输入转换至 –12V 输出的 Cuk 转换器
–12V 输出 Cuk 转换器如图 7 所示。这个电路具很宽的输入范围,以高效率工作,在高达 3.4W 功率时,实现了 86% 的峰值效率。

图 7:4V ~ 36V 输入转换至 –12V 输出的 Cuk 转换器及其效率
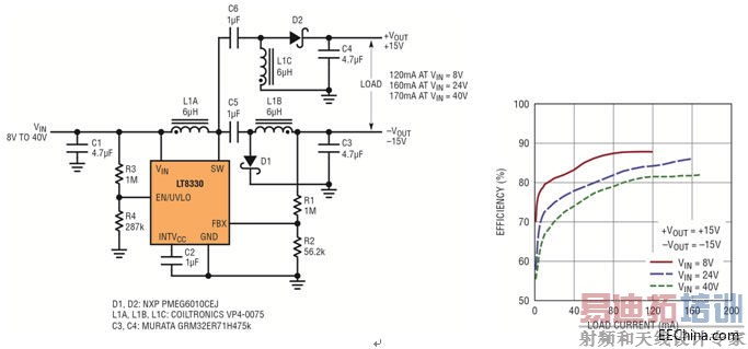
8V ~ 40V 输入转换至 ±15V 输出
图 8 显示了一个双输出、+15V/−15V 转换器。这个电路有很宽的输入范围,以高效率运行,在功率高达 4.8W 时,峰值效率达到 87%。

图 8:8V ~ 40V 输入转换至 ±15V 输出的转换器及其效率
结论
LT8330 非常适合要求在紧凑空间中实现高效率电源解决方案的应用。LT8330 的 3V 至 40V 输入电压范围和坚固的 60V/1A 电源开关可用来实现多种升压 / SEPIC / 负输出转换器解决方案。其低输出纹波突发模式允许在轻负载时保持高效率。电源开关的最短接通和关断时间很短,允许以 2MHz 频率运行,以减小组件尺寸,因此可用这个采用纤巧、扁平 6 引线 ThinSOT 或 8 引线 (3mm x 2mm) DFN 封装的器件实现紧凑的电源解决方案。
LT8330 单片式 DC/DC 转换器采用扁平 6 引线 ThinSOT 或 8 引线 (3mm x 2mm) DFN 封装,可用来实现升压、SEPIC 或负输出拓扑。该器件提供 3V 至 40V 输入范围、内部 1A/60V 开关和 6µA 静态电流,符合了小型、高效率电源解决方案的需要。LT8330 很容易满足多种工业和汽车应用的需求。
节省空间的单片式转换器新系列
LT8330 是一个新的单片升压 / SEPIC / 负输出转换器系列之首款器件,该系列转换器采用了新的设计方法和新的工艺技术,以实现低输出纹波突发模式 (Burst Mode) 运行、坚固的电源开关和快速切换,而且其 AC 功耗很低。电源开关具很短的最短接通和关断时间,在 2MHz 高开关频率时允许很宽的占空比范围,从而减小了所需磁性组件及电容器的尺寸,降低了成本。
易于使用
通过内部补偿,简化了转换器的总体设计,并最大限度减少了所需器件的数量。用输出和 FBX 引脚之间的电阻分压器,可以非常容易地设定正或负输出电压。集成的频率折返和软启动功能允许在启动时使输出电容器向着其最终值方向逐渐充电,同时限制电感器峰值电流。运用准确的 EN/UVLO 引脚门限,可以针对输入电源设定欠压闭锁。
采用 ThinSOT 封装的单片式升压 / 负输出 / SEPIC 转换器概述
| 器件 | VIN | IQ | fSW | 电源开关 | 封装 |
| LT8330 | 3V~40V | 6μA | 2.0MHz | 1A/60V DMOS | ThinSOT–6, |
| 3mm x 2mm DFN | |||||
| LT1615 / LT1617 | 1.1V~15V | 20μA | 恒定 | 0.3A/36V NPN | ThinSOT–5 |
| 关断时间 | |||||
| LT1613 / LT1611 | 1.1V~10V | 3mA | 1.4MHz | 0.55A/36V NPN | ThinSOT–5 |
| LT1930 / LT1931 | 2.6V~16V | 5.5mA | 1.2MHz | 1A/36V NPN | ThinSOT–5 |
| LT1930A / LT1931A | 2.2MHz | ||||
| LT3467 | 2.6V~16V | 1.2mA | 1.3MHz | 1.1A/40V NPN | ThinSOT–6, |
| LT3467A | 2.1MHz | 3mm x 2mm DFN | |||
| LT1935 | 2.6V~16V | 3mA | 1.2MHz | 2A/40V NPN | ThinSOT–5 |
引脚兼容性
对于需要较高输入电压或较高开关电压的应用而言,LT8330 与 LT3467 / LT3467A 是引脚兼容的 (LT3467 / LT3467A SS 引脚成为 INTVCC 引脚)。
升压型转换器
对于需要输出电压高于输入电压的应用,3V 至 40V 输入能力和内部 60V/1A 电源开关使 LT8330 对很多升压型转换器而言,都是很有吸引力的选择。
在本文所示的一些应用中,转换器以断续导通模式 (DCM) 运行,以实现非常高的升压比。当配置为连续导通模式 (CCM) 时,LT8330 能够提供更大的输出功率。
12V 输入升压至 48V 输出
图 1 所示转换器采用 12V 输入电源,以 90% 的峰值效率产生 48V 电压和高达 6.5W 功率。

图 1:12V 至 48V 升压型转换器及其效率
EFFICIENCY:效率
BOOST:升压
LOAD CURRENT:负载电流
8V ~ 16V 输入升压至 24V 输出
图 2 显示了一款 24V 升压型转换器,用 8V ~ 16V 输入供电。该转换器在效率高达 94% 时能够提供高达 10.8W 功率。

图 2:8V ~ 16V 输入至 24V 输出的升压型转换器及其效率
EFFICIENCY:效率
BOOST:升压
LOAD CURRENT:负载电流
3V ~ 6V 升压至 48V
图 3 显示的 LT8330 配置为以断续导通模式 (DCM) 运行,实现了 16:1 的升压比。这款 48V 升压型转换器在负载电流为 14mA (对于 6V 输入电压) 时,保持效率为 75%。

图 3:3V ~ 6V 输入至 48V 输出的升压型转换器及其效率
SEPIC 转换器
汽车和工业应用常常靠高于和低于所需输出电压的输入电压运行。有些应用要求 DC/DC 转换器对输入既升压也降压,这时常常选择 SEPIC 拓扑。SEPIC 拓扑对需要输出断接的应用也很有用。输出断接确保在停机时没有输出电压,还可使系统承受输出短路故障,因为从输出到输入没有 DC 通路。LT8330 有很高的 60V 额定开关电压,同时电源开关的最短接通和关断时间很短,这就允许宽的输入电压范围,即使在 LT8330 的 2MHz 高开关频率情况下也不例外。
8V ~ 30V 输入转换至 24V 输出的 SEPIC 转换器
图 4 所示电路是一个具宽输入范围的 24V SEPIC 转换器,在效率高达 86.6% 时提供高达 6W 功率。

图 4:8V ~ 30V 输入转换至 24V 输出的 SEPIC 转换器及其效率
160mA AT VIN = 8V:VIN = 8V 时电流为 160mA
4V ~ 36V 输入转换至 12V 输出的 SEPIC 转换器
图 5 显示了另一款具很宽输入范围的解决方案,工作输入电压可低至 4V,同时以高达 85% 的效率提供 2W 功率。就高于 24V 的输入电压而言,图 5 电路可提供高达 3.4W 功率。

图 5:4V ~ 36V 输入转换至 12V 输出的 SEPIC 转换器及其效率
Cuk 转换器
今天的电子产品中常常使用负电源。不过,很多应用仅用正的输入电压运行。当 LT8330 配置为 Cuk 负输出拓扑时,可用幅度大于或小于负输出电压幅度的正输入电压工作。
就像配置成 SEPIC 拓扑时一样,由于 LT8330 具有高的 60V 额定开关电压,电源开关的最短接通和关断时间又很短,因此允许很宽的输入电压范围,即使在 LT8330 的 2MHz 高开关频率情况下也不例外。
8V ~ 30V 输入转换至 –24V 输出的 Cuk 转换器
图 6 显示,LT8330 配置成 Cuk 拓扑,调节一个负输出电压。这个电路提供高达 6W 功率,保持效率高达 87%。

图 6:8V ~ 30V 输入转换至 –24V 输出的 Cuk 转换器及其效率
160mA AT VIN = 8V:VIN = 8V 时电流为 160mA
EFFICIENCY:效率
INVERTING:负输出
LOAD CURRENT:负载电流
4V ~ 36V 输入转换至 –12V 输出的 Cuk 转换器
–12V 输出 Cuk 转换器如图 7 所示。这个电路具很宽的输入范围,以高效率工作,在高达 3.4W 功率时,实现了 86% 的峰值效率。

图 7:4V ~ 36V 输入转换至 –12V 输出的 Cuk 转换器及其效率
8V ~ 40V 输入转换至 ±15V 输出
图 8 显示了一个双输出、+15V/−15V 转换器。这个电路有很宽的输入范围,以高效率运行,在功率高达 4.8W 时,峰值效率达到 87%。

图 8:8V ~ 40V 输入转换至 ±15V 输出的转换器及其效率
结论
LT8330 非常适合要求在紧凑空间中实现高效率电源解决方案的应用。LT8330 的 3V 至 40V 输入电压范围和坚固的 60V/1A 电源开关可用来实现多种升压 / SEPIC / 负输出转换器解决方案。其低输出纹波突发模式允许在轻负载时保持高效率。电源开关的最短接通和关断时间很短,允许以 2MHz 频率运行,以减小组件尺寸,因此可用这个采用纤巧、扁平 6 引线 ThinSOT 或 8 引线 (3mm x 2mm) DFN 封装的器件实现紧凑的电源解决方案。
射频工程师养成培训教程套装,助您快速成为一名优秀射频工程师...
天线设计工程师培训课程套装,资深专家授课,让天线设计不再难...
上一篇:安森美半导体的全系列IGBT满足汽车、太阳能逆变器、不间断电源、白家电等各类应用需求
下一篇:四大led显示屏技术问题
射频和天线工程师培训课程详情>>

