- 易迪拓培训,专注于微波、射频、天线设计工程师的培养
详解由MOS管、变压器搭建的逆变器电路及其制作过程
录入:edatop.com 点击:
逆变器,别称为变流器、反流器,是一种可将直流电转换为交流电的器件,由逆变桥、逻辑控制、滤波电路三大部分组成,主要包括输入接口、电压启动回路、MOS开关管、PWM控制器、直流变换回路、反馈回路、LC振荡及输出回路、负载等部分,可分为半桥逆变器、全桥逆变器等。目前已广泛适用于空调、家庭影院、电脑、电视、抽油烟机、风扇、照明、录像机等设备中。
逆变变压器原理
它的工作原理流程是控制电路控制整个系统的运行,逆变电路完成由直流电转换为交流电的功能,滤波电路用于滤除不需要的信号,逆变器的工作过程就是这样子的了。其中逆变电路的工作还可以细化为:首先,振荡电路将直流电转换为交流电;其次,线圈升压将不规则交流电变为方波交流电;最后,整流使得交流电经由方波变为正弦波交流电。
详解逆变器电路工作原理
这里介绍的逆变器(见图1)主要由MOS场效应管,普通电源变压器构成。其输出功率取决于MOS场效应管和电源变压器的功率,免除了烦琐的变压器绕制,适合电子爱好者业余制作中采用。下面介绍该逆变器的工作原理及制作过程。

2.工作原理
这里我们将详细介绍这个逆变器的工作原理。2.1.方波信号发生器(见图2)

这里采用六反相器CD4069构成方波信号发生器。电路中R1是补偿电阻,用于改善由于电源电压的变化而引起的振荡频率不稳。电路的振荡是通过电容C1充放电完成的。其振荡频率为f=1/2.2RC.图示电路的最大频率为:fmax=1/2.2×3.3×103×2.2×10-6=62.6Hz;最小频率fmin=1/2.2×4.3×103×2.2×10-6=48.0Hz.由于元件的误差,实际值会略有差异。其它多余的反相器,输入端接地避免影响其它电路。

由于方波信号发生器输出的振荡信号电压最大振幅为0~5V,为充分驱动电源开关电路,这里用TR1、TR2将振荡信号电压放大至0~12V.如图3所示。
2.3MOS场效应管电源开关电路
下面简述一下用C-MOS场效应管(增强型MOS场效应管)组成的应用电路的工作过程(见图4)。电路将一个增强型P沟道MOS场效应管和一个增强型N沟道MOS场效应管组合在一起使用。当输入端为低电平时,P沟道MOS场效应管导通,输出端与电源正极接通。当输入端为高电平时,N沟道MOS场效应管导通,输出端与电源地接通。在该电路中,P沟道MOS场效应管和N沟道MOS场效应管总是在相反的状态下工作,其相位输入端和输出端相反。通过这种工作方式我们可以获得较大的电流输出。同时由于漏电流的影响,使得栅压在还没有到0V,通常在栅极电压小于1到2V时,MOS场效应管既被关断。不同场效应管其关断电压略有不同。也正因为如此,使得该电路不会因为两管同时导通而造成电源短路。

由以上分析我们可以画出原理图中MOS场效应管电路部分的工作过程(见图5)。工作原理同前所述。这种低电压、大电流、频率为50Hz的交变信号通过变压器的低压绕组时,会在变压器的高压侧感应出高压交流电压,完成直流到交流的转换。这里需要注意的是,在某些情况下,如振荡部分停止工作时,变压器的低压侧有时会有很大的电流通过,所以该电路的保险丝不能省略或短接。

3、制作要点
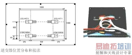
电路板见图6。所用元器件可参考图7。逆变器用的变压器采用次级为12V、电流为10A、初级电压为220V的成品电源变压器。P沟道MOS场效应管(2SJ471)最大漏极电流为30A,在场效应管导通时,漏-源极间电阻为25毫欧。此时如果通过10A电流时会有2.5W的功率消耗。N沟道MOS场效应管(2SK2956)最大漏极电流为50A,场效应管导通时,漏-源极间电阻为7毫欧,此时如果通过10A电流时消耗的功率为0.7W.由此我们也可知在同样的工作电流情况下,2SJ471的发热量约为2SK2956的4倍。所以在考虑散热器时应注意这点。图8展示本文介绍的逆变器场效应管在散热器(100mm×100mm×17mm)上的位置分布和接法。尽管场效应管工作于开关状态时发热量不会很大,出于安全考虑这里选用的散热器稍偏大。

逆变器电路板

4.逆变器的性能测试
测试电路见图9.这里测试用的输入电源采用内阻低、放电电流大(一般大于100A)的12V汽车电瓶,可为电路提供充足的输入功率。测试用负载为普通的电灯泡。测试的方法是通过改变负载大小,并测量此时的输入电流、电压以及输出电压。输出电压随负荷的增大而下降,灯泡的消耗功率随电压变化而改变。我们也可以通过计算找出输出电压和功率的关系。但实际上由于电灯泡的电阻会随受加在两端电压变化而改变,并且输出电压、电流也不是正弦波,所以这种的计算只能看作是估算。

以负载为60W的电灯泡为例:假设灯泡的电阻不随电压变化而改变。因为R灯=V2/W=2102/60=735Ω,所以在电压为208V时,W=V2/R=2082/735=58.9W.由此可折算出电压和功率的关系。通过测试,我们发现当输出功率约为100W时,输入电流为10A.此时输出电压为200V。
逆变变压器原理
它的工作原理流程是控制电路控制整个系统的运行,逆变电路完成由直流电转换为交流电的功能,滤波电路用于滤除不需要的信号,逆变器的工作过程就是这样子的了。其中逆变电路的工作还可以细化为:首先,振荡电路将直流电转换为交流电;其次,线圈升压将不规则交流电变为方波交流电;最后,整流使得交流电经由方波变为正弦波交流电。
详解逆变器电路工作原理
这里介绍的逆变器(见图1)主要由MOS场效应管,普通电源变压器构成。其输出功率取决于MOS场效应管和电源变压器的功率,免除了烦琐的变压器绕制,适合电子爱好者业余制作中采用。下面介绍该逆变器的工作原理及制作过程。

2.工作原理
这里我们将详细介绍这个逆变器的工作原理。2.1.方波信号发生器(见图2)

这里采用六反相器CD4069构成方波信号发生器。电路中R1是补偿电阻,用于改善由于电源电压的变化而引起的振荡频率不稳。电路的振荡是通过电容C1充放电完成的。其振荡频率为f=1/2.2RC.图示电路的最大频率为:fmax=1/2.2×3.3×103×2.2×10-6=62.6Hz;最小频率fmin=1/2.2×4.3×103×2.2×10-6=48.0Hz.由于元件的误差,实际值会略有差异。其它多余的反相器,输入端接地避免影响其它电路。

由于方波信号发生器输出的振荡信号电压最大振幅为0~5V,为充分驱动电源开关电路,这里用TR1、TR2将振荡信号电压放大至0~12V.如图3所示。
2.3MOS场效应管电源开关电路
下面简述一下用C-MOS场效应管(增强型MOS场效应管)组成的应用电路的工作过程(见图4)。电路将一个增强型P沟道MOS场效应管和一个增强型N沟道MOS场效应管组合在一起使用。当输入端为低电平时,P沟道MOS场效应管导通,输出端与电源正极接通。当输入端为高电平时,N沟道MOS场效应管导通,输出端与电源地接通。在该电路中,P沟道MOS场效应管和N沟道MOS场效应管总是在相反的状态下工作,其相位输入端和输出端相反。通过这种工作方式我们可以获得较大的电流输出。同时由于漏电流的影响,使得栅压在还没有到0V,通常在栅极电压小于1到2V时,MOS场效应管既被关断。不同场效应管其关断电压略有不同。也正因为如此,使得该电路不会因为两管同时导通而造成电源短路。

由以上分析我们可以画出原理图中MOS场效应管电路部分的工作过程(见图5)。工作原理同前所述。这种低电压、大电流、频率为50Hz的交变信号通过变压器的低压绕组时,会在变压器的高压侧感应出高压交流电压,完成直流到交流的转换。这里需要注意的是,在某些情况下,如振荡部分停止工作时,变压器的低压侧有时会有很大的电流通过,所以该电路的保险丝不能省略或短接。

3、制作要点
电路板见图6。所用元器件可参考图7。逆变器用的变压器采用次级为12V、电流为10A、初级电压为220V的成品电源变压器。P沟道MOS场效应管(2SJ471)最大漏极电流为30A,在场效应管导通时,漏-源极间电阻为25毫欧。此时如果通过10A电流时会有2.5W的功率消耗。N沟道MOS场效应管(2SK2956)最大漏极电流为50A,场效应管导通时,漏-源极间电阻为7毫欧,此时如果通过10A电流时消耗的功率为0.7W.由此我们也可知在同样的工作电流情况下,2SJ471的发热量约为2SK2956的4倍。所以在考虑散热器时应注意这点。图8展示本文介绍的逆变器场效应管在散热器(100mm×100mm×17mm)上的位置分布和接法。尽管场效应管工作于开关状态时发热量不会很大,出于安全考虑这里选用的散热器稍偏大。

逆变器电路板

4.逆变器的性能测试
测试电路见图9.这里测试用的输入电源采用内阻低、放电电流大(一般大于100A)的12V汽车电瓶,可为电路提供充足的输入功率。测试用负载为普通的电灯泡。测试的方法是通过改变负载大小,并测量此时的输入电流、电压以及输出电压。输出电压随负荷的增大而下降,灯泡的消耗功率随电压变化而改变。我们也可以通过计算找出输出电压和功率的关系。但实际上由于电灯泡的电阻会随受加在两端电压变化而改变,并且输出电压、电流也不是正弦波,所以这种的计算只能看作是估算。

以负载为60W的电灯泡为例:假设灯泡的电阻不随电压变化而改变。因为R灯=V2/W=2102/60=735Ω,所以在电压为208V时,W=V2/R=2082/735=58.9W.由此可折算出电压和功率的关系。通过测试,我们发现当输出功率约为100W时,输入电流为10A.此时输出电压为200V。
射频工程师养成培训教程套装,助您快速成为一名优秀射频工程师...
天线设计工程师培训课程套装,资深专家授课,让天线设计不再难...
上一篇:使用直流稳压电源时的注意事项!
下一篇:锂离子电池电极的压力和应力研究
射频和天线工程师培训课程详情>>

