- 易迪拓培训,专注于微波、射频、天线设计工程师的培养
高功率因数开关三段LED调光恒流驱动芯片SM7392P
[size=12.6316px] SM7392P是一款高端BUCK单级、带有源高功率因数校正、三段调光的高精度高效率的降压型LED恒流驱动控制芯片。采用我司的恒流控制技术,输入无需电解电容。适用于 85Vac~265Vac全范围输入电压,恒流精度<± 5%,PF值>0.9。
SM7392P主要适用于高亮的BUCK LED驱动器,可实现高功率因数和恒定的输出电流。外围器件少,方案成本低。
另外,SM7392P 具有三段调光功能和 LED输出开、短路保护、过温保护特性。可通过 EFT、雷击浪涌等可靠性测试,亦可通过 3C、UL、CE 等认证标准。
芯片内部调光模块实现芯片调光功能,默认状态为100%调光。当开关依次开关一次,芯片调光一次,IC调光的顺序依次为 100%→60%→20%(3段调光)。
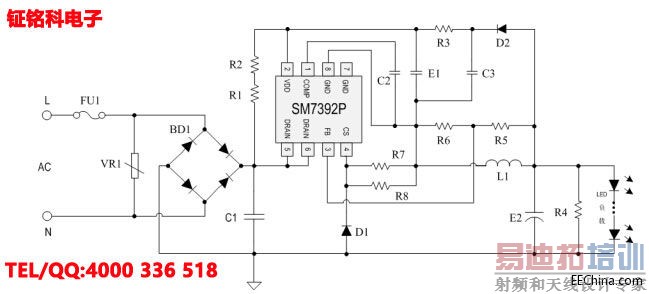
[size=12.6316px]SM7392P宽电压输入方案原理图
(输入:180V~265VAC/输出:80mA/124V)

[size=12.6316px]BOM清单(80mA/124V)

[size=12.6316px]产品实物图展示
1.正面pcb图:
[size=12.6316px]
2.反面PCB图:

[size=12.6316px]注:
[size=12.6316px] SM7392P与非隔离高PF的SM7352P外围电路一样,在同一块DEMO板上即可实现调光与非调光产品的应用。
射频工程师养成培训教程套装,助您快速成为一名优秀射频工程师...
天线设计工程师培训课程套装,资深专家授课,让天线设计不再难...
上一篇:led线性恒流驱动芯片SM2212E、SM2213E调光/调色方案
下一篇:为什么静态电流对于USB
Type-C很重要?

