- 易迪拓培训,专注于微波、射频、天线设计工程师的培养
为GSPS 或RF 采样ADC 供电:开关与LDO
简介
模数转换器 (ADC) 在任何依赖外部(模拟)世界收集信息进行 (数字)处理的系统中都是不可或缺的组成部分。从通信接收机 到数字测试和测量再到军事和航空航天—此处仅举数例—这些 系统在不同的应用中各有不同。硅片处理技术的发展(比如65 nm CMOS 和28 nm CMOS)使高速ADC 得以跨越GSPS(每秒千兆) 门槛。对于系统设计人员来说,这意味着能用于数字处理的采样 带宽越来越宽。出于环境和成本方面的考虑,系统设计人员不断 尝试降低总功耗。一般而言,ADC 制造商建议采用低噪声LDO (低压差)稳压器为GSPS(或RF 采样)ADC 供电,以便达到最 高性能。然而,这种方式的输电网络 (PDN) 效率不高。设计人员 对于使用开关稳压器直接为GSPS ADC 供电且不会大幅降低 ADC 性能的方法呼声渐高。
解决方案是谨慎地进行PDN 部署和布局布线,确保ADC 性能不 受影响。本文讨论了线性和开关电源的不同之处,并表明GSPS ADC 与DC-DC 转换器搭配使用可大幅改善系统能效,且不会影 响ADC 性能。本文通过输电网络组合探讨GSPS ADC 性能,并 对成本和性能进行了对比分析。
通常建议GSPS ADC 使用的PDN
高带宽、高采样速率ADC(或GSPS ADC)可以具有多个电源 域(比如AVDD 或DVDD)。随着尺寸的缩小,不仅电源域的 数量增加,为ADC 供电所需的不同电压数量也有所增加。例如,AD92501 是一款14 位、170 MSPS/250 MSPS、JESD204B 双通道 模数转换器,采用180 nm CMOS 工艺制造,具有3 个域:AVDD、 DVDD 和DRVDD。然而,所有3 个域都具有相同的电压:1.8 V。
现在,来看一下AD96802:一款14 位、1.25 GSPS/1 GSPS/820 MSPS/500 MSPS JESD204B 双通道模数转换器,采用65 nm CMOS 工艺制造。这款GSPS ADC 具有7 个不同的域(AVDD1、 AVDD1_SR、AVDD2、AVDD3、DVDD、DRVDD 和SPIVDD), 以及3 个不同的电压:1.25 V、2.5 V 和3.3 V。
ADP23843 和ADP21644 DC-DC 转换器用于使电压下降到可控水 平,以便LDO 能够在不进入热关断的情况下进行稳压操作。这 些电源域和各种电压的日益普及是在这些采样速率下工作所必 需的。它们可以确保各种电路域(比如采样、时钟、数字和串行 器)之间具有正确的隔离,同时使性能最优。正是因为这个原因, ADC 制造商才设计了评估板,并推荐详细的电源设计方案,确保 最大程度降低风险,使性能最大化。例如,图1 显示了AD9680 评估板使用的默认 PDN 的功能框图。根据 Vita57.1 规格,电源输 入来自 FMC(FPGA 夹层卡)连接器供应的12 V/1 A 和3.3 V/3 A 电源。

图1. 用于AD9680 评估板的默认PDN。
显而易见,这是一种昂贵的解决方案,有7 个LDO 稳压器,每 个域一个。这款PDN 也许是性能最优的,但肯定不是最具性价 比或运行成本效率最高的。系统设计人员认为部署含有多个 ADC 的系统非常有难度。例如,相控阵雷达方案包含成百个 AD9680,全都以同步方式工作。要求系统设计人员为上百个ADC 的每一个电压域都分配一个LDO 稳压器是不合理的。
用于GSPS ADC 的更简单的PDN
一种更具性价比的PDN 设计方案是将具有同样电压值(比如所 有的1.25 V 模拟域)的域组合起来,然后用同一个LDO 来驱 动。这样可以减少元件数(以及物料清单—BOM—成本),这 可能适合某些设计。其简化PDN 如图2 所示;该图为AD9680 评估板的部署。在该部署中,整个AD9680 都可以使用3.3 V 输入供电。

图2. AD9680评估板的简化PDN。
驱动AD9680 的DC-DC 转换器
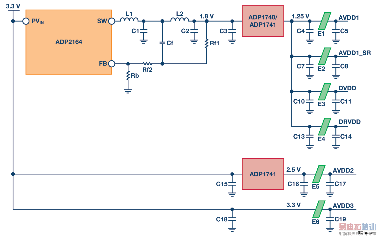
通过移除为1.25 V 域供电的单个LDO,还可进一步简化PDN。 这是最高效、最具性价比的解决方案。这种方案的困难之处在于 确保DC-DC 转换器的操作稳定性,从而不影响ADC 性能。 ADP2164 驱动AD9680 所有1.25 V 域(AVDD1、AVDD1_SR、 DVDD 和DRVDD)的PDN 如图3 所示。

图3. 使用DC-DC转换器为AD9680 供电。
比较不同的PDN
对上文讨论的3 个PDN 以及第4 个网络进行测试;第4 个网络 采用基准电源为AD9680 评估板供电。表1 列出了AD9680 评估 板上部署的各种输电网络。
表1. 输电网络列表
| PDN 设置 | 描述 |
| 基准 | 使用基准电源为AD9680 供电 |
| PDN #1 | 评估板上的默认PDN |
(如图1 所示) | |
| PDN #2 | 所有1.25 V 域采用同一个LDO 驱动 |
(如图2 所示) | |
| PDN #3 | 所有1.25 V 域采用一个DC-DC 转换器驱动 |
(如图3 所示) |
由于SPIVDD 可以支持1.8 V 至3.3 V 且被认为属于非关键节点, 因此它采用1.8 V LDO 输出供电。在一般系统部署中,SPIVDD 可连接2.5 V 或3.3 V 域。也就是说,在那些SPI 总线由很多ADC 与DAC 共享的系统中,仍旧应当监控SPIVDD 连接。如有这种 情况,那么必须非常仔细,确保正常的SPI 操作不会导致SPIVDD 域产生电源瞬变。如果SPIVDD 变得低于阈值电平,那么这些电 源瞬变可能会触发上电复位 (POR) 的情况。
表2. SNR 性能对比 (dBFS)
| 频率 | 基准 | 默认值 | 简化 | 开关 |
| (MHz) | (PDN #1) | (PDN #2) | (PDN #3) | |
| 63 | 66.5 | 66.5 | 66.6 | 66.7 |
| 170 | 66.4 | 66.1 | 65.9 | 66.2 |
| 340 | 64.8 | 64.5 | 64.5 | 64.7 |
| 450 | 64 | 63.7 | 63.6 | 63.8 |
| 765 | 62.5 | 62.2 | 62.2 | 62.3 |
| 985 | 61.3 | 61 | 61 | 61.1 |
| 1283 | 59.8 | 59.5 | 59.5 | 59.5 |
| 1725 | 57.7 | 57.4 | 57.4 | 57.5 |
| 1983 | 56.7 | 56.4 | 56.5 | 56.6 |
表3. SFDR 性能对比 (dBFS)
| 频率 | 基准 | 默认值 | 简化 | 开关 |
| (MHz) | (PDN #1) | (PDN #2) | (PDN #3) | |
| 63 | 83 | 82 | 88 | 83 |
| 170 | 86 | 85 | 85 | 84 |
| 340 | 77 | 76 | 76 | 76 |
| 450 | 72 | 72 | 71 | 71 |
| 765 | 77 | 76 | 76 | 82 |
| 985 | 77 | 76 | 76 | 83 |
| 1283 | 74 | 74 | 74 | 75 |
| 1725 | 67 | 67 | 68 | 67 |
| 1983 | 60 | 60 | 60 | 60 |
表2 和表3 分别显示了AD9680 使用各种PDN 的SNR 和SFDR 性能。根据AD9680 数据手册提供各种奈奎斯特区的前端网络和 寄存器建议设置。
仅使用DC-DC 转换器为AD9680 的1.25 V 域供电的PDN (PDN #3) 在各种输入频率下显示出了良好的性能。这证明了可以组合 域,并在不损失大量ADC 性能的情况下以高效率、高性价比的 方式为它们供电。采用基准源的PDN 具有最佳的噪声性能,因 为它是噪声最低的电源。然而,值得注意的是PDN #3 始终比默 认网络 (PDN #1) 具有更好的SNR 性能。这可能是由于LDO 具 有良好的低频清除特性,但对于电路中存在高于几百kHz 的情况 却无能为力。这可以解释PDN #3 的0.2 dB 优势。
快速傅立叶变换图
图4 和图5 分别显示了170 MHz 和785 MHz 输入时的单音FFT。 FFT 未显示出频谱性能的下降,因为1.25 V 域由单个DC-DC 转 换器供电。

图4. 170 MHz输入时的单音FFT,使用PDN #3。

图5. 785 MHz输入时的单音FFT,使用PDN #3。
开关杂散
除了噪声性能,由于采用了开关元件和磁性元件,因此还应当检 查DC-DC 转换器部署的杂散成分。此时,采用谨慎仔细的布局 技术以降低接地环路和接地反弹将会是有好处的。有很多资源可 以协助测量开关电源噪声5,6。边带杂散出现在开关频率失调的两 侧(本例中为1.2 MHz)。必须说明的是,图2 或图3 中的输出 滤波器级是一个两级滤波器。这个两级滤波器是降低开关噪声 (纹波)的主要贡献因素,有助于改善ADC 噪声 (SNR) 性能。同 样的道理,这个两级滤波器还可协助降低开关杂散,并在输出 FFT 中体现出来。在图6 和图7 中,它们分别表现为170 MHz 和785 MHz。

图6. 170 MHz输入时的1.2 MHz 边带开关杂散。
杂散水平 = -105 dBFS。

图7. 785 MHz输入时的1.2 MHz 边带开关杂散。
杂散水平 = -94 dBFS。
通过了解PSRR(电源抑制比)或ADC 的电源域,可估算边带 杂散水平。7
DC-DC 转换器开关电路仿真
使用诸如ADIsimPE 等工具,可以仿真DC-DC 转换器输出端的 两级滤波器。8 图8 显示了ADIsimPE 原理图,用来仿真PDN 的 输出噪声和稳定性特征。ADIsimPE 是一款使用方便、功能强大 的工具,可帮助系统工程师设计、优化和分析电源网络。

图8. ADP2164 驱动1.25 V 域的ADIsimPE原理图。
图9 显示了第一级输出端的输出纹波以及电路第二级之后的滤 波输出,采用ADIsimPE 仿真。此处显示的纹波约为3 mV p-p。

图9. ADIsimPE仿真的一级和二级输出。
物料清单
表4 显示了AD9680 评估板使用的简化PDN(如图2 所示)物料 清单。通过使用图3 中的网络,系统设计人员可节省高达40%到 45%的BOM成本。BOM成本是在一个使用广泛的电子元件供应 商网站上通过计算千片订量价格估算的。
表4. 图2 中的PDN 物料清单
| 索引标识符 | 数量 | 描述 | 制造商 | 部件编号 | 价值 |
| C1 | 1 | 22 μF、6.3 V、X5R 0805 电容 | Murata | GRM21BR60J226ME39L | 22 µF |
| C2 | 4 | 22 μF、6.3 V、X5R 0805 电容 | Murata | GRM21BR60J226ME39L | 22 µF |
| Cf | 1 | 0.1 μF、10 V、X5R 0402 电容 | Murata | GRM155R61A104KA01D | 0.1 µF |
| C3, C4, C5, C6, C7, C8, C9, C10, C11, C12, C13, C14, C15, C16, C17, C18, C19 | 17 | 4.7 μF、6.3 V、X5R 0402 电容 | Murata | GRM155R60J475ME47D | 4.7 µF |
| E1, E2, E3, E4, E5, E6 | 6 | 铁质片10 Ω 0402 | Murata | BLM15AX100SN1D | 10 Ω |
| L1 | 1 | 1.0 μH 屏蔽电源电感,10 mΩ | Coilcraft | XAL5030-102ME | 1.0 µH |
| L2 | 1 | 2.2 μH 屏蔽电源电感,0.1 Ω | Coilcraft | ME3220-222ML | 2.2 µH |
| Rf1 | 1 | 4.99 kΩ、1% 1、W/10 W 0402 电阻 | Panasonic | ERJ-2RKF4991X | 4.99 kΩ |
| Rf2 | 1 | 41.2 kΩ、1% 1、W/10 W 0402 电阻 | Panasonic | ERJ-2RKF4122X | 41.2 kΩ |
| Rb | 1 | 23.2 kΩ、1% 1、W/10 W 0402 电阻 | Panasonic | ERJ-2RKF2322X | 23.2 kΩ |
| ADP2164 | 1 | IC、REG、降压ADJ、4 A、同步、16 引脚LFCSP | Analog Devices | ADP2164ACPZ-R7 | |
| ADP1741 | 3 | IC、REG、LDO、ADJ、2 A、16 引脚LFCSP | Analog Devices | ADP1741ACPZ-R7 | |
| ADP171 | 2 | IC、REG、LDO、ADJ、0.3 A、5 引脚TSOT-23 | Analog Devices | ADP171AUJZ-R7 |
|
元件选型和布局
采用各种PDN 供电时的ADC 性能不仅取决于精心设计,还取决 于元件选型以及它们在PCB 上的布局。在开关电源内产生的大 电流跳变通常会导致强磁场,它可以耦合到板上其它电磁元件 上,包括匹配网络中发现的电感以及用于耦合模拟和时钟信号的 变压器等。必须采用精心规划的电路板布局手段来防止这些磁场 耦合到关键信号上。
电感选择
由于组成输出滤波器级的电感和电容输电量较大,因此需仔细进 行选型。本例中,混合使用了屏蔽和非屏蔽电感。第一个滤波器 级使用了一个屏蔽电感。本例中,第二级可以使用非屏蔽电感。 然而,建议两级均使用屏蔽电感,最大程度降低EMI 辐射。电 感同样选用具有充足饱和电流 (ISAT) 和直流电阻 (DCR) 裕量的 器件,确保它们不会饱和,或本身产生过多压降。
电容选择
建议使用X5R 或X7R 电容作为输出滤波器电容。电容还必须具 有低ESR(等效串联电阻)。低ESR 有助于降低输出端的开关 纹波。最大程度降低总ESR 和ESI(等效串联电感)的另一个诀 窍是将电容并联连接。如图3 和表4 所示,第一个滤波器级使用 2 个22 μF 电容,而第二个滤波器级使用4 个22 μF 电容。电容 的电压额定值同样也是器件选型的重要依据。这是因为陶瓷电容 的电介质随直流偏置的增加而下降。这意味着额定值为6.3 V 的 22 μF 电容在4 V 直流偏置下最多可能下降50%。9,10 本例中,额 定值为6.3 V 的电容用于1.25 V 电源。在输出端加入更多电容确 实会略为增加BOM成本和电路板占位面积,但这样做可以保证 抑制可能会影响ADC 性能的开关噪声和纹波。
铁氧体磁珠选型
如图3 所示,铁氧体磁珠用于隔离各种域。铁氧体磁珠的选择同 样非常重要,因为如果铁氧体磁珠的DCR(直流电阻)高于所 需水平,则会导致域的电压无法达到最优。这种低电压会致使 ADC 性能(SNR 和SFDR)达不到最优。对于阻抗特性、最大 直流搭载能力以及铁氧体磁珠的DCR 应高度重视。11
PCB 布局考虑
为了最大程度减少开关稳压器和ADC 之间的干扰,DC-DC 转换 器及其开关元件应放置在远离任何磁性元件对ADC 造成干扰的 地方(比如前段匹配网络或时钟网络)。进行DC-DC 转换器布 局设计时,两级滤波器应当尽量靠近DC-DC 转换器,以便最大 程度降低环路电流。
致谢
Justin Correll 为测量和数据收集作出了贡献,在此表示衷心感谢。
结论
RF 采样(或GSPS)ADC 可对宽带宽进行数字化处理,在系统 设计方面具有独特的优势。针对这些GSPS ADC,业界正在力求 降低电源设计的复杂度、尺寸和成本。若足够重视设计、元件选 型和PCN 布局,则能够为GSPS ADC 供电的低噪声、高性价比 PDN 是有可能实现的。因此,经过部署后,开关稳压器还有助 于改善电源系统的效率,并节省运作成本和BOM,同时不会影 响性能。
参考文献
1AD9250. Analog Devices.
2AD9680. Analog Devices.
3ADP2384. Analog Devices.
4ADP2164. Analog Devices.
5Akdrick Limjoco。“了解开关调节器的输出,加快电源设计”。 模拟对话 ,第48 卷第3 期
6“Ericsson 电源模块的输出纹波和噪声测量方法”。 Ericsson。
7Rob Reeder。“高速ADC 的电源设计”。ADI 公司。
8ADIsimPE。ADI 公司。
9GRM21BR60J226ME39L。Murata。
10Istvan Novak、Kendrick Barry Williams、Jason R. Miller、GustavoBlando 和Nathaniel Shannon。“电容的直流和交流偏置依赖性。” DesignCon 2011。
11Jefferson Eco 和Akdrick Limjoco。AN-1368 应用笔记: 铁氧体磁珠揭秘 。ADI 公司。
作者
Umesh Jayamohan [umesh.jayamohan@analog.com] 是ADI 公司高速转 换器部门(位于北卡罗来纳州格林斯博罗)的应用工程师, 于2010 年加 入ADI 公司。Umesh 于1998 年获得印度喀拉拉大学电气工程学士学位, 于2002 年获得美国亚利桑那州立大学电气工程硕士学位。
射频工程师养成培训教程套装,助您快速成为一名优秀射频工程师...
天线设计工程师培训课程套装,资深专家授课,让天线设计不再难...
上一篇:大学课本里不会有的基础知识:电阻读数方法
下一篇:智能电源为实现全面智能化铺平道路

