- 易迪拓培训,专注于微波、射频、天线设计工程师的培养
线性电源( LDO) 原理性分析总结
录入:edatop.com 点击:
文章内容为线性电源(LDO)原理性分析总结。
线性电源(LDO)
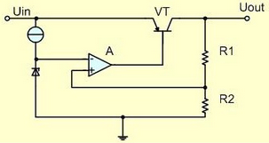
低压差线性稳压器(LDO)的基本电路如下所示,该电路由串联调整管VT、取样电阻R1和R2、比较放大器A组成。

对此的理解:稳压管为运放反向端提供稳定的参考电压Uref,输出端通过R2的分压提供运放同相端的电压。当输出电压过高时,同相端电压值大于反向端参考,输出为正值,因此三极管截止,Uout下降。当输出电压Uout过低时,同相端电压值小于反向端参考,输出为负值,因此三极管导通,Uout上升。因此,稳压电路就是通过这种机制不断调节输出电压,使其保持稳定。
取样电压加在比较器A的同相输入端,与加在反相输入端的基准电压Uref相比较,两者的差值经放大器A放大后,控制串联调整管的压降,从而稳定输出电压。当输出电压Uout降低时,基准电压与取样电压的差值增加,比较放大器输出的驱动电流增加,串联调整管压降减小,从而使输出电压升高。相反,若输出电压Uout超过所需要的设定值,比较放大器输出的前驱动电流减小,从而使输出电压降低。

运放负端提供稳定的电压,运放正端通过输出电压由电阻网络分压得到。但输出电压高时,运放正端电压也高,比负端值大,运放输出为正,MOS管截止,OUT输出降低;当输出电压低时,运放正端电压也低,比负端值小,运放输出为负,MOS管导通,OUT输出升高。稳压芯片就是通过这种机制不断调整输出电压,使其稳定的。
线性电源(LDO)
低压差线性稳压器(LDO)的基本电路如下所示,该电路由串联调整管VT、取样电阻R1和R2、比较放大器A组成。

对此的理解:稳压管为运放反向端提供稳定的参考电压Uref,输出端通过R2的分压提供运放同相端的电压。当输出电压过高时,同相端电压值大于反向端参考,输出为正值,因此三极管截止,Uout下降。当输出电压Uout过低时,同相端电压值小于反向端参考,输出为负值,因此三极管导通,Uout上升。因此,稳压电路就是通过这种机制不断调节输出电压,使其保持稳定。
取样电压加在比较器A的同相输入端,与加在反相输入端的基准电压Uref相比较,两者的差值经放大器A放大后,控制串联调整管的压降,从而稳定输出电压。当输出电压Uout降低时,基准电压与取样电压的差值增加,比较放大器输出的驱动电流增加,串联调整管压降减小,从而使输出电压升高。相反,若输出电压Uout超过所需要的设定值,比较放大器输出的前驱动电流减小,从而使输出电压降低。

运放负端提供稳定的电压,运放正端通过输出电压由电阻网络分压得到。但输出电压高时,运放正端电压也高,比负端值大,运放输出为正,MOS管截止,OUT输出降低;当输出电压低时,运放正端电压也低,比负端值小,运放输出为负,MOS管导通,OUT输出升高。稳压芯片就是通过这种机制不断调整输出电压,使其稳定的。
射频工程师养成培训教程套装,助您快速成为一名优秀射频工程师...
天线设计工程师培训课程套装,资深专家授课,让天线设计不再难...
上一篇:三种负电压电源设计
下一篇:如何降低运放电路中的电源噪声
射频和天线工程师培训课程详情>>

