- 易迪拓培训,专注于微波、射频、天线设计工程师的培养
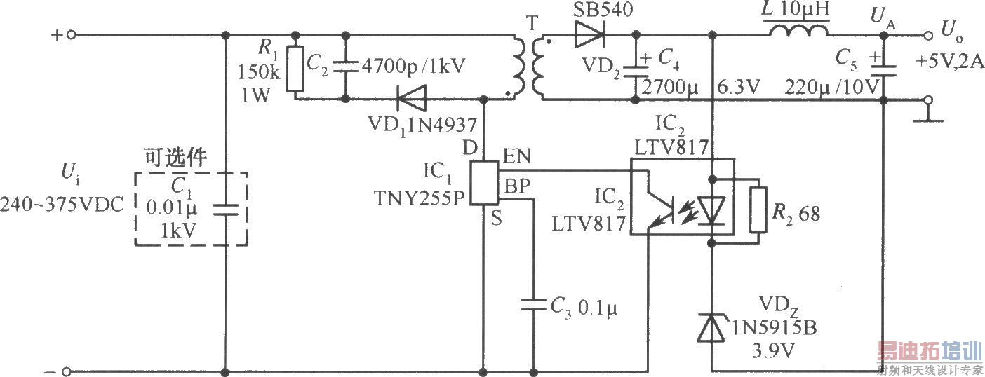
TNY255P构成的5V、2A PC待机电源电路
录入:edatop.com 点击:

一种供PC使用的由TNY255P构成的5V、2A(10W)待机电源电路如图所示。其输入电压Ui取自PC主电源。由Rl、C2和VDl组成的吸收电路,可将TNY255P漏极关断时在初级产生的尖峰电压限定在安全范围内。因TNY255P的开关频率达130kHz,恰好是TNY253P的3倍,故仍选EE16型磁心即可满足输出10W功率的要求。次级电压经VD2、C4、L和C5整流滤波后,获得 5V稳压输出。
射频工程师养成培训教程套装,助您快速成为一名优秀射频工程师...
天线设计工程师培训课程套装,资深专家授课,让天线设计不再难...
上一篇:CW117/CW217/CW317构成数字控制的可调集成稳压电源
下一篇:输出电压为0~9.99V的数字式程控基准电压源电路
射频和天线工程师培训课程详情>>

