- 易迪拓培训,专注于微波、射频、天线设计工程师的培养
数字设定型标准电源电路(CD4516、μA723C)
录入:edatop.com 点击:

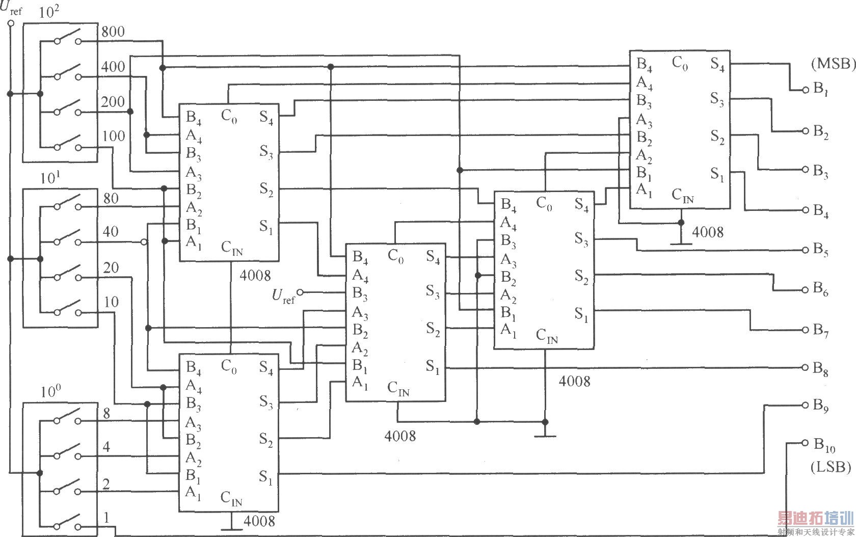
如图是数字设定型标准电源电路,它由数字设定电压的开关(S1~S10)、数字设定型脉宽调制电路(CD4516、CD4025和CD4013)、平滑脉宽调制信号滤波器(LF356)、时钟发生器(CD4025)、基准电压源(μA723C)等组成。输出电压由Sl~S10设定,设定代码为二进制代码。RPl用于满度调整,当数字输入全为l时,输出电压Uo调整为10.23V。滤波器的增益为2倍(6dB),因此,Uref为10.23V的一半,电压设定步进为10mV。用数字开关的BCD码设定电压时,要采用下图所示的BCD-二进制数转换电路。这时,Uo设定为3位数字显示,当步进电压为10mV时,输出电压为9.99V。

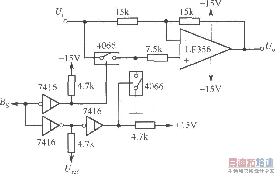
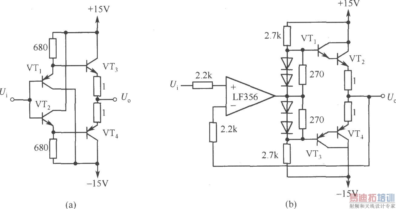
要进行输出电压正负极性转换时,可采用下图所示电路,当Bs为0时,输出Uo为正电压;当Bs为l时,输出Uo为负电压。若要增大输出功率,可增设如图所示功率放大器,但±l5V的电源要有足够的输出功率。要把标准电压源变为标准电流源,可增设图示的恒流电路。
输出电压正负极性转换电路:

功率放大器电路:

恒流电路:

射频工程师养成培训教程套装,助您快速成为一名优秀射频工程师...
天线设计工程师培训课程套装,资深专家授课,让天线设计不再难...
上一篇:DAC-80-CCD-V构成的自动可逆控制的电源电路
下一篇:以DS2762为核心设计的智能锂离子电池监测系统的硬件结构
射频和天线工程师培训课程详情>>

