- 易迪拓培训,专注于微波、射频、天线设计工程师的培养
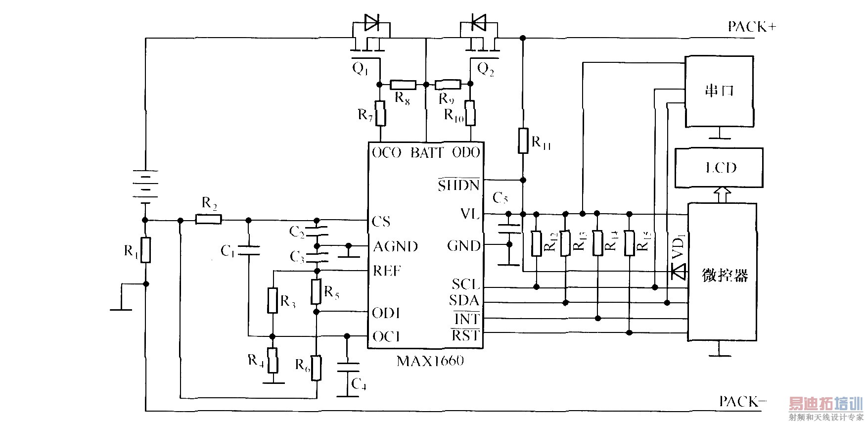
由MAX1660构成的充放电系统
录入:edatop.com 点击:

本电路作为一个便携式嵌入系统的附属电源模块,由于系统成本限制,采用了镍氢电池.MAXl660既可以监控锂离子电池又可监控镍基电池,而其他类型电池监控芯片一般为锂离子电池监控芯片.
由MAXl660构成的系统,其系统软件采用查询机制,其程序流程图如下所示

射频工程师养成培训教程套装,助您快速成为一名优秀射频工程师...
射频和天线工程师培训课程详情>>


射频工程师养成培训教程套装,助您快速成为一名优秀射频工程师...