- 易迪拓培训,专注于微波、射频、天线设计工程师的培养
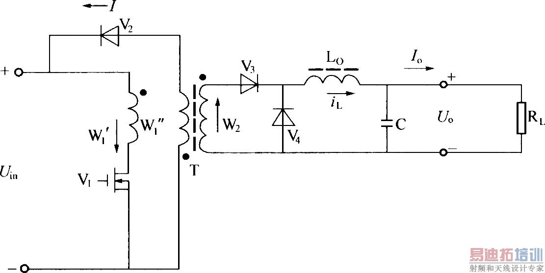
单端正激式变换器电原理
录入:edatop.com 点击:

如图所示,当开关管V1导通时,输入电压Uin全部加到变换器初级线圈W1'两端,去磁线圈W1''上产生的感应电压使二极管V2截止,而次级线圈W2上感应的电压使V3导通,并将输入电流的能量传送给电感Lo和电容C及负载;与此同时在变压器中建立起磁化电流,当V1截止时,V3截止,Lo上的电压极性反转并通过续流二极管 V4继续向负载供电,变压器中的磁化电流则通过W1''、V2向输入电源Uin释放而去磁;W1''具有钳位作用,其上的电压等于输入电压Uin,在V1再次导通之前,T中的去磁电流必须释放到零,即T中的磁通必须复位,否则,变压器T将发生饱和导至V1损坏。通常W1'=W1'',采用双线并绕耦合方式的占空比<0.5,否则T将饱和。单端正激式变换器波形如下图所示。

射频工程师养成培训教程套装,助您快速成为一名优秀射频工程师...
天线设计工程师培训课程套装,资深专家授课,让天线设计不再难...
上一篇:双正激式变换器电原理
下一篇:三端稳压器扩流电路
射频和天线工程师培训课程详情>>

