- 易迪拓培训,专注于微波、射频、天线设计工程师的培养
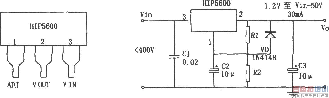
用高压线性稳压器HIP5600构成的小功率无变压器稳压电源
录入:edatop.com 点击:

如图所示为用高压线性稳压器HIP5600构成的小功率无变压器稳压电源。其主要特点如下:
(1)直流工作电压可达400V;
(2)交流工作电压有效值可达280V;
(3)外接两只电阻,直流输出电压可在1.2V至输入电压VIN~50V间调整;输出电压的确定如表所示,输出电流可在1mA至30mA范围内调整;
(4)自设散热器,芯片内有热断路和输出限流电路,不需设置外保护电路。

射频工程师养成培训教程套装,助您快速成为一名优秀射频工程师...
射频和天线工程师培训课程详情>>

