- 易迪拓培训,专注于微波、射频、天线设计工程师的培养
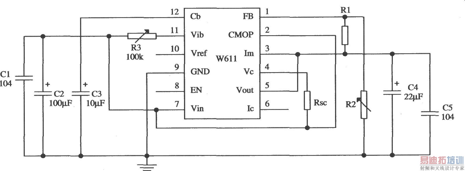
由W611组成的输出电压可调的应用电路
录入:edatop.com 点击:

如图所示是用W611多端可调高精度正集成稳压器组成的输出电压可调的应用电路。图示电路中R1和R2构成取样网络。R2通常取1.6 kΩ,使流过该电阻的电流为1 mA,与稳压器内部误差放大器同相端内的基准电流相一致。这时,稳压器的输出电压Vout可由下式表示:

,式中,Vref是稳压器基准电压,在1.8 V左右,因此调整R1可以获得不同的输出电压值。
射频工程师养成培训教程套装,助您快速成为一名优秀射频工程师...
射频和天线工程师培训课程详情>>

