- 易迪拓培训,专注于微波、射频、天线设计工程师的培养
推挽式变换电路开关稳压电源原理
录入:edatop.com 点击:

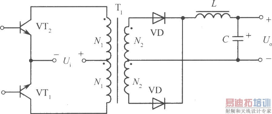
推挽式变换电路属于双端式变换电路。其高频变压器工作于磁滞回线的两侧,是一种设计简单、工作合理的线路,适用范围比较广。其典型电路如图所示。开关晶体管VT1、VT2由基极驱动电路激励交替导通与截止,输入直流电压Ui变换成高频方波交流电压。VT1导通时,Ui通过VT1加到变压器T1的初级绕组Nl上。由于变压器的作用,因此截止的晶体管VT2将施加于2倍的输入电压,即2Ui。当基极激励消失时,VT1、VT2管均截止。其集电极施加的电压均为输入电压Ui。下半个周期,VT2导通,VT1截止,VT1施加2倍的输入电压,接着又是两管截止,下一个周期重新开始。推挽式电路的主要缺点是开关晶体管的耐压要达到2倍的输入电源。电压的峰值,以220(1±10%)V的电网电压为例,稳态截止电压的最大值为680V,加上动态过程中的尖峰电压,开关晶体管必须要承受800V以上的电压。
射频工程师养成培训教程套装,助您快速成为一名优秀射频工程师...
天线设计工程师培训课程套装,资深专家授课,让天线设计不再难...
上一篇:推挽式变换器式开关稳压电源实用电路
下一篇:全桥式开关稳压电源实用电路
射频和天线工程师培训课程详情>>

