- 易迪拓培训,专注于微波、射频、天线设计工程师的培养
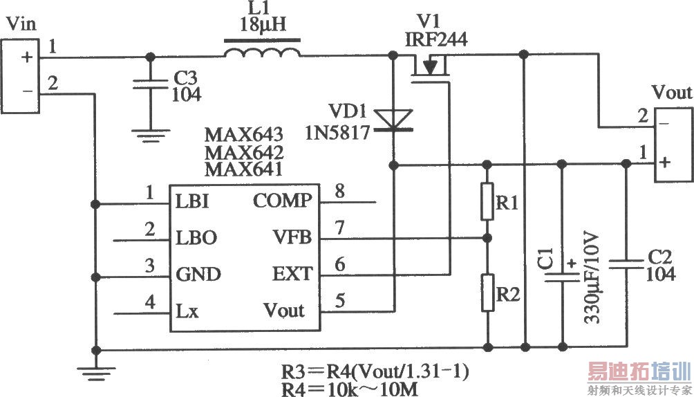
MAX641/MAX642构成的输出电压可调的应用电路
录入:edatop.com 点击:

MAX641/MAX642构成的输出电压可调的应用电路如图所示。该应用电路通过改变外加分压器中电阻R3和R4的值,就可以改变其输出电压,它们之间所满足的关系为:

。外加功率开关管的选择是根据输入/输出电压、工作频率、输出电流等条件来选择确定的。
射频工程师养成培训教程套装,助您快速成为一名优秀射频工程师...
天线设计工程师培训课程套装,资深专家授课,让天线设计不再难...
上一篇:开关集成稳压器L4970A/L4975A/L4977A(L4972A/L4974A)的典型应用电路
下一篇:频率调制式开关稳压电源电路之一
射频和天线工程师培训课程详情>>

