- 易迪拓培训,专注于微波、射频、天线设计工程师的培养
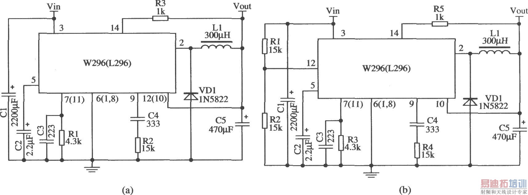
两种不同接法构成重置功能的应用电路(W296)
录入:edatop.com 点击:

W296与其他开关稳压器相比还有一个特点:它内部设置了重置功能电路,当稳压器的输出电压在正确的限定范围内时产生重置信号。重置功能通过重置输入端12脚、延迟端13脚、重置输出端14脚三个引线端实现。当12脚电压低于5 V时,通过重置电路的比较器使重置输出为低电平;当12脚电压高于5 V时,重置输出端将延迟一小段时间变为高电平,延长时间由13脚所接的延迟电容的值决定。重置电容的值在1~4.7μF之间选择,当选2.2μF时延迟时间为l00 ms。重置输出端是开路集电极,使用时需外接电阻。其用法有两种,一种是12脚直接与输出端相连,另一种则是由输入端接电阻,分压后送至12脚,如图所示。(a)接输出;(b)接输入。
射频工程师养成培训教程套装,助您快速成为一名优秀射频工程师...
天线设计工程师培训课程套装,资深专家授课,让天线设计不再难...
上一篇:金星C7428电源
下一篇:蓄电池自动充电器电路
射频和天线工程师培训课程详情>>

