- 易迪拓培训,专注于微波、射频、天线设计工程师的培养
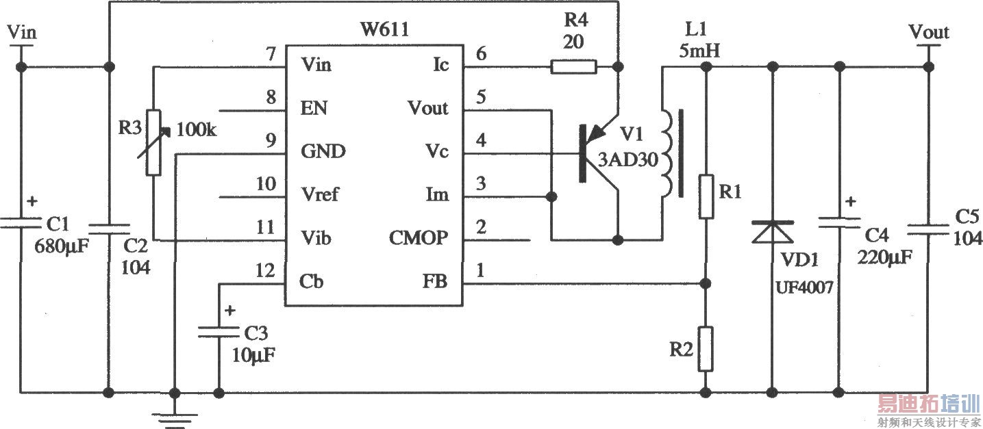
用W611构成开关稳压电源的应用电路
录入:edatop.com 点击:

如图所示电路是用W611多端可调高精度正集成稳压器组成的自激式开关稳压电源的应用电路。图示电路的开关频率约20~100 kHz,要求开关三极管Vl和续流二极管VDl有足够的开关速度和负载能力。图中开关三极管与W611内部的有关晶体管组成等效的NPN型管。图中输入、输出滤波电容同样应选得大一些。提高SV(线性调整率)的电阻仍以50 kΩ为宜。取样电阻R1、R2从输出电压端取出误差信号送入到误差放大器。晶体三极管的开关时间主要由输出电压Vout来决定。

如图所示电路是用W611多端可调高精度正集成稳压器组成的他激式开关稳压电源的应用电路。用W611稳压器组成他激式开关稳压电路时,控制信号可从专用开关控制端8脚输入(也可以从基准电压端10脚输入)。图示电路中,当控制信号高电平送入8脚时,稳压器内部有关晶体管导通,将基准电压拉下,此时稳压器控制开关管,使之关断;当控制信号为低电平时,稳压器内部有关晶体管截止,基准电压恢复,开关管又导通。电路输出电压的高低和稳压器的开关工作频率均取决于外接控制信号的电平及开关速度。控制信号如从10脚基准电压端输入,最好接一个滤波电容,该信号经滤波后,周期地改变基准电压值,从而控制稳压器的开和关。输出电压的高低及稳压器开关工作频率也取决于外接控制信号。
射频工程师养成培训教程套装,助您快速成为一名优秀射频工程师...
天线设计工程师培训课程套装,资深专家授课,让天线设计不再难...
上一篇:由W117/W217/W317构成的构成开关式稳压电源的应用电路
下一篇:CW34063构成的降压型的典型应用电路
射频和天线工程师培训课程详情>>

