- 易迪拓培训,专注于微波、射频、天线设计工程师的培养
DZW75-48/50(50II)稳压及限流、均流电路
录入:edatop.com 点击:
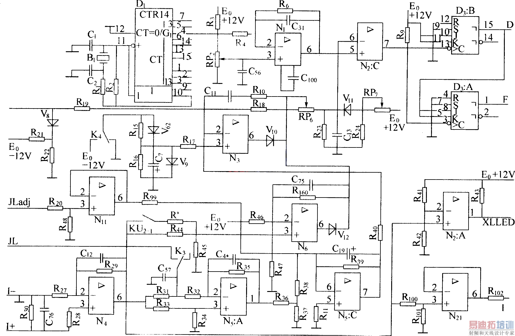
输出电压的稳定,主要是利用负反馈原理,将输出电压的取样值反馈到误差比较器,由误差比较器输出的误差电压控制或调制(调节)脉宽调制器的输出脉冲宽度从而调节输出电压的高低,实现稳压输出的目的。如图,取样电压LOAD(-)经电阻R19,送到误差比较器N3的“-”端,N3的“+”端通过电阻R17接到由-12V电源和稳压二极管V9提供的-4.3V基准电压,正常工作时K4接点倒向-12V。N3实际是一个差值放大器,它将两输入端输入电压的差值进行放大输出,因为基准电压是不变的,所以若取样电压升高(负电压增大),它与基准电压相减后的负电压增大,反相放大后,输出的误差电压(正值)增大,反之若取样电压降低(负电压减小),它与基准电压相减后的负电压降低,反相放大后,输出的误差电压(正值)降低。而取样电压的高低,反映的正是输出电压的高低。由此不难看出其稳压调节过程:输出电压增大一取样电压增大→误差电压增大→脉宽调制器输出脉冲宽度减小→输出电压下降。反之亦然,输出电压减小→取样电压减小→误差比较器输出误差电压减小→脉宽调制器输出脉冲宽度增大输出电压上升,这种电压负反馈通过脉宽调制器调节脉冲宽度,从而调节稳定输出电压的功能正是PWM高频开关电源的基本工作原理。电位器RP7和电阻R24分压后通过二极管V11送到N2:A“-”端的电压,主要用以控制脉宽调制器输出脉冲的最大占空比,特别是在刚开机,误差比较器N3尚未正常工作时可防止N2:A输出脉冲过宽。


射频工程师养成培训教程套装,助您快速成为一名优秀射频工程师...
射频和天线工程师培训课程详情>>

