- 易迪拓培训,专注于微波、射频、天线设计工程师的培养
全自动交流调压器
录入:edatop.com 点击:
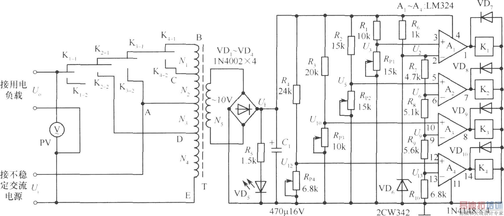
如图所示的全自动交流调压器可以把160~270V范围内变化的市电电压Ui自动、有效地控制在220±10%V以内。
继电器K1~K4和变压器T视调压源的负载而定。本节按100W用电负荷设计、选型,能满足一般家用电器使用。K1~K4选用4098(DC9V)继电器。T的铁心采用GEIB30-D310-0.35B优质硅钢片,叠厚为30mm,ST=9cm2,Po≈l00W。匝/伏比Tr=5匝/V。N1、N2、N3用Φ0.57rnrn(23#)高强度漆包线绕到129匝、283匝、99匝;N4和N5用Φ0.36mm(27#)高强度漆包线分别绕制1004匝、50匝。RPl~RP4选用WHW-1型合成膜微调。VD5为2EF102(全塑、Φ5rnrn、红色)发光二极管。VD6选用2CW342或1N59958。PV选用85L1-V300V型成品电压表头。其他元器件按图所示标注选型。

继电器K1~K4和变压器T视调压源的负载而定。本节按100W用电负荷设计、选型,能满足一般家用电器使用。K1~K4选用4098(DC9V)继电器。T的铁心采用GEIB30-D310-0.35B优质硅钢片,叠厚为30mm,ST=9cm2,Po≈l00W。匝/伏比Tr=5匝/V。N1、N2、N3用Φ0.57rnrn(23#)高强度漆包线绕到129匝、283匝、99匝;N4和N5用Φ0.36mm(27#)高强度漆包线分别绕制1004匝、50匝。RPl~RP4选用WHW-1型合成膜微调。VD5为2EF102(全塑、Φ5rnrn、红色)发光二极管。VD6选用2CW342或1N59958。PV选用85L1-V300V型成品电压表头。其他元器件按图所示标注选型。

射频工程师养成培训教程套装,助您快速成为一名优秀射频工程师...
天线设计工程师培训课程套装,资深专家授课,让天线设计不再难...
上一篇:500W家用交流自动调压器电路
下一篇:1000W自动调压交流稳压电源电路
射频和天线工程师培训课程详情>>

