- 易迪拓培训,专注于微波、射频、天线设计工程师的培养
1.25~27V的可调电源(NE555、LM723)
录入:edatop.com 点击:
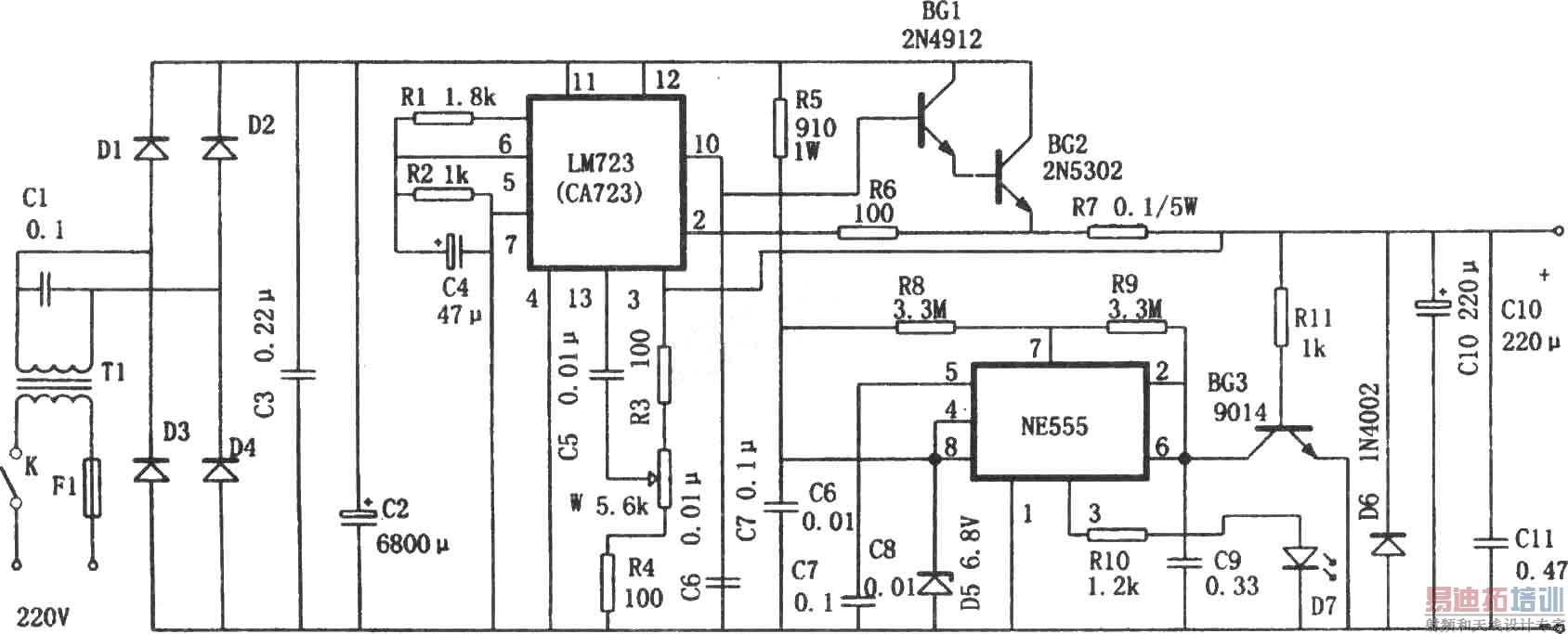
如图所示为1.25~27V的可调电源电路。本电源电路是采用高精度集成电路μA723组成的。它有如下特点:(1)输出电压在1.25~27V范围内连续可调。(2)具有限流保护功能,当输出电流≥6.5A时,μA723内部限流电路启动,从而保护稳压器。(3)电压稳定好,在电流为0~4.5A范围内,输出电压变化0.03V。(4)具有短路指示功能。用555集成电路构成短路指示振荡器,在输出电压存在时,555不振荡,LED常亮,当无输出电压(输出端短路)时,555产生振荡,LED以0.5~1Hz的频率闪烁。


射频工程师养成培训教程套装,助您快速成为一名优秀射频工程师...
天线设计工程师培训课程套装,资深专家授课,让天线设计不再难...
上一篇:开关电源的驱动电路
下一篇:TWH9101构成的低压差高精度大电流稳压电源
射频和天线工程师培训课程详情>>

