- 易迪拓培训,专注于微波、射频、天线设计工程师的培养
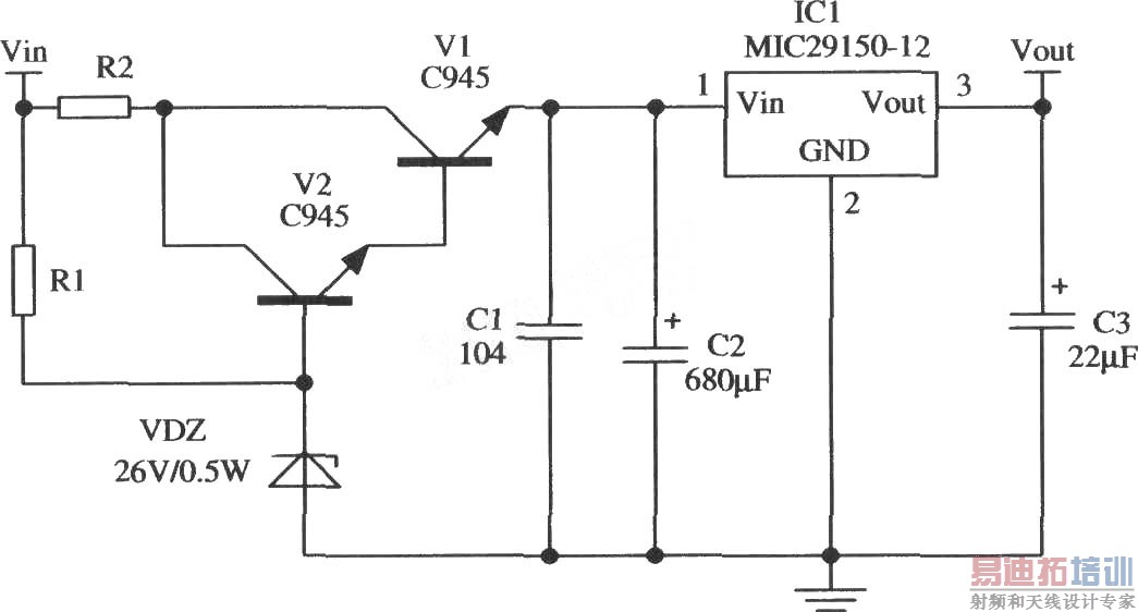
由MIC29150-12构成的具有宽输入电压范围的稳压器电路
录入:edatop.com 点击:

如图所示的电路是采用MIC29150-12构成的具有宽输入电压范围的稳压器电路。该稳压器具有以下两个特点:
(1)扩宽了输入电压范围,输入电压最高可达40 V;
(2)由于增加了电阻R2,使Vl和IC1上的功耗转移到了电阻Rl上,所以使V1和IC1所需的散热片面积减小了许多。
该电路中的电阻Rl、R2的取值与输入电压的关系见下表,复合晶体管V1的B值要求在1000以上。

射频工程师养成培训教程套装,助您快速成为一名优秀射频工程师...
射频和天线工程师培训课程详情>>

