- 易迪拓培训,专注于微波、射频、天线设计工程师的培养
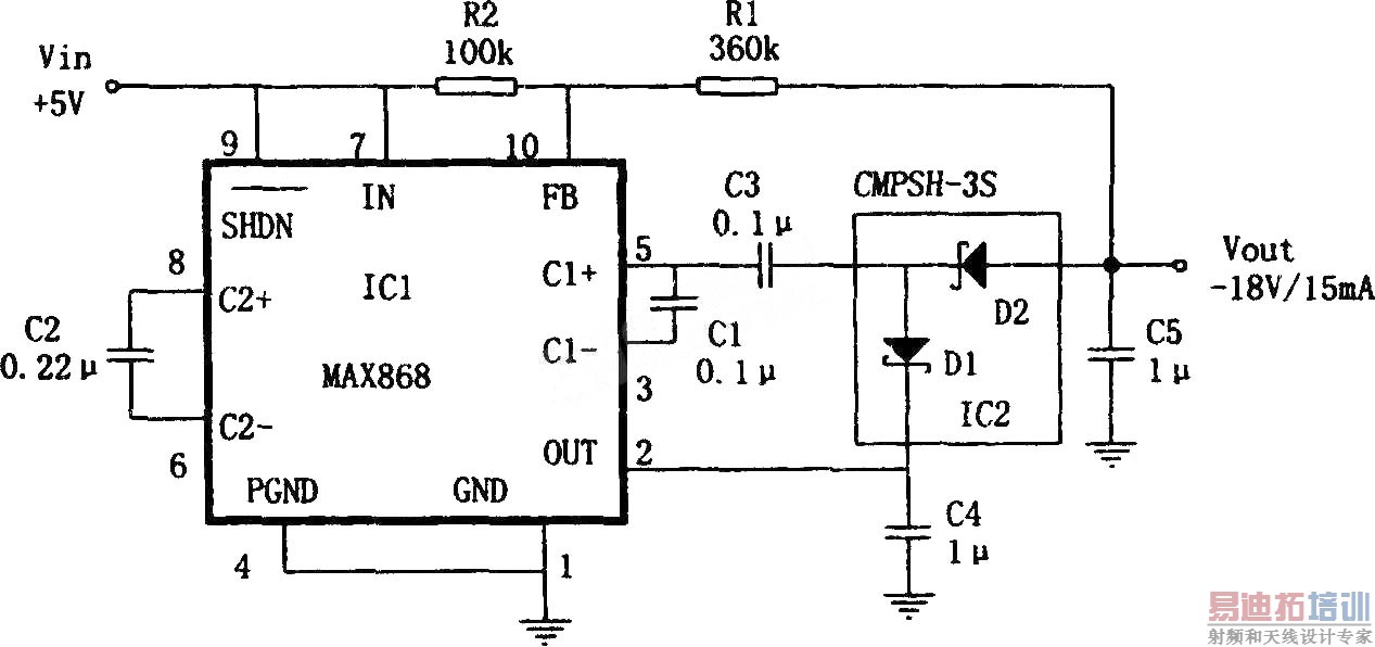
MAX668构成的反相四倍压的DC/DC变换稳压电源
录入:edatop.com 点击:
如图所示为采用IC1MAX868和CMPSH-3S组成的反相四倍压的DC/DC变换稳压电源。其中IC1MAX868是一只稳压型反相电荷泵集成电路,可产生最高至-2VIN的输出电压,输入电压VIN范围从1.8~5.5V。IC1通过脉频调制(PFM)调节输出电压,其最大频率450kHz。静态电流极低(30μA)。在其反馈回路中插入一个由C3、C4和特基二极管构成的电荷泵,就形成了一个反相四倍压的电源电路。
本电源在VOUT=-18V时,可提供电流15mA,效率76%,纹波60mV。如果降低VOUT,则允许输出较高的电流,如VOUT=-15V时,可提供20mA,VOUT=-12V时则为30mA。其稳定的输出电压由反馈电阻Rl和R 的比值确定。即VOUT=-VIN(R1/R2)。

本电源在VOUT=-18V时,可提供电流15mA,效率76%,纹波60mV。如果降低VOUT,则允许输出较高的电流,如VOUT=-15V时,可提供20mA,VOUT=-12V时则为30mA。其稳定的输出电压由反馈电阻Rl和R 的比值确定。即VOUT=-VIN(R1/R2)。

射频工程师养成培训教程套装,助您快速成为一名优秀射频工程师...
射频和天线工程师培训课程详情>>

