- 易迪拓培训,专注于微波、射频、天线设计工程师的培养
一种紧凑型全桥DC-DC隔离电源设计方案
全桥结构在电路设计当中有着相当广泛的作用。本文介绍了一种基于全桥DC-DC的隔离电源设计。文中提及的半桥IGBT板为两组隔离的正负电压输出,这样做是为了能够成为IGBT的驱动及保护。并且在实践设计时,需要根据选择的IGBT开关管参数和工作频率,来确定驱动板电源功率。而后对原边共用全桥控制的DC-DC电源设计进行了介绍,给出了变压器的选择方法。
IGBT半桥集成驱动板电源特点
半桥IGBT的有效驱动和可靠保护都由半桥IGBT集成驱动板来实现。半桥IGBT集成驱动板自身必须具备两路DC-DC隔离电源,该电源要求占用PCB面积小、体积紧凑、可靠性高,并且两组电源副边完全隔离。在大功率半桥IGBT集成驱动单元的项目中,针对驱动单元需要高效、可靠的隔离电源,设计了一种电源变压器原边控制拓扑,即两组隔离电源变压器原边共用一组全桥控制的思路,提高了电源功率密度和效率,节省了功率开关数量。全桥开关管巧妙搭配,无需隔离驱动,减少了占用集成驱动板上的PCB面积。
半桥IGBT集成驱动板在两路驱动上表现出负载特性一致的原因是,因为上下半桥当中两个单元IGBT的性能参数一致,并且采用同体封装。因此在IGBT半桥集成驱动板的电源设计中,两组隔离的DC-DC电源原边完全可以共用一组控制电路。IGBT半桥集成驱动板一般镶嵌在IGBT功率模块上,它对驱动板的要求有两个:第一是半桥集成驱动板对PCB面积、体积要求很高,要求尽可能减小PCB面积和体积;第二因为驱动IGBT需要的功率较大,对板上电源的功率密度、效率要求也较高。
原边共用全桥控制的DC-DC电源设计
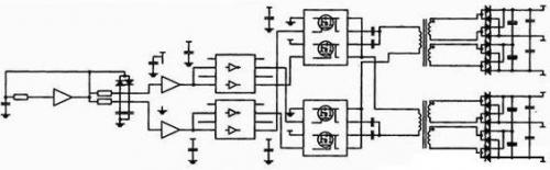
本设计采用了两个变压器原边共用,也就是全桥电路控制DC-DC电源变压器。正常模式下两个全桥变换拓扑需要两组全桥开关,同时全桥开关的脉冲驱动电路也为两组共8路PWM脉冲。采用共用全桥拓扑节省了控制电路和全桥开关,简化了DC-DC隔离电源电路。由于该电源是给半桥IGBT驱动电路供电,负载稳定且可计算,因此全桥DC-DC电源采用开环控制,满足最大功率需求即可。电路原理如图1所示,该电源由4部分组成:4路PWM脉冲产生电路、全桥驱动开关、电源变压器及其副边整流滤波电路。DC-DC电源输入为单+15 V电源,输出为两组隔离的+15 V和-10 V双电源,采用负电源是为可靠地关断IGBT.

图1原边共用全桥电路的DC-DC原理图
共用全桥开关的两组DC-DC隔离电源工作原理为:对角的开关管同时开通,另外一组对角已经关断,此时两组磁芯原边同时正反相激磁,副边耦合,再进行全波整流滤波后得到稳定的电源。设计全桥开关工作频率为360 kHz,同时采用全波整流,因此副边不需要很大的滤波、储能元件,有利于实现DC-DC电源小型化。
全桥DC-DC电源参数为:输入+15 V、输出+15 V、-10 V、输出功率6 W、工作频率360 kHz。要求额定负载下动态特性、满足:+15 V波动<+1 V、-10 V波动<-2V、工作频率满足5%的偏差容限。其中工作频率由施密特触发器CD40106参数及RC数值决定。具体参数为:R=2.2kΩ、C=748 pF、VDD=15 V、VT+=8.8 V、VT-=5.8 V。根据式(1)计算出振荡频率为748.792 kHz,因为设计中多谐振荡器输出对2路RC充放电,充电电容容量增大一倍,因此振荡频率为上述计算频率的1/2,即374.396kHz。

原边共用全桥控制的4路PWM信号产生
传统的全桥DC-DC拓扑由4只相同的开关管组成,需要2路互反的PWM控制信号,每路PWM信号驱动对角的2只开关管,2路PWM信号要求有死区,避免全桥直通。全桥拓扑的上桥臂驱动必须隔离,否则无法完成正确驱动,隔离电路一般采用光耦或磁性器件实现,电路复杂、体积大。设计采用2个电源变压器原边绕组共用一个全桥开关,由于系统为+15 V单电源输入,因此全桥开关采用2片内含PMOS和NMOS的S14532ADY实现,此时PWM驱动脉冲无需隔离,即不用将全桥的上下臂驱动脉冲进行隔离,使用振荡电路的逻辑门进行驱动,简化了控制电路,同时该全桥开关为小体积的SO-8封装,实现了最小PCB设计。据此原理设计全桥开关需要4路PWM 脉冲驱动,分为2组,每组内互反,驱动对角的PMOS和NMOS开关,2组之间带有死区,具体的4路。G11、G2、 G22、G1为4路PWM驱动,T1、T11为两个DC-DC电源变压器,此处只画出了原边绕组,C为隔直电容,能够有效地防止变压器磁芯饱和。可以看到,对角的开关同时导通,两组对角交替开关,两个变压器磁芯工作在I、Ⅲ工作象限,双向励磁,有利于实现高功率密度。

图2 DC-DC全桥控制原理
一般PWM驱动产生方法用MCU、DSP或专用IC产生,难以实现低成本和紧凑设计。文中对通用多谐振荡器电路进行改进,分别增加两个二极管、电阻及电容,即可输出满足上述要求的4路PWM驱动信号,简化了电源设计,提高了可靠性。
[p]DC-DC电源变压器的选择及设计
系统电源采用全桥驱动,磁芯工作在I、Ⅲ象限,驱动上要能够防止磁芯饱和,同时要求效率高、体积小。基于上述考虑,选用环形磁芯T10×6×5,材质为PC40,环形磁芯漏磁小、效率高。具体参数为:μi=2 400,Ae=9.8 mm2,Aw=28.2mm2,J=2A/mm2.系统工作状态为:ηB=90%,Km=0.1,fs=366 kHz,Bm=2 000 GS,根据P0=Ae×Aw×2×fs×Bm×J×ηB×Km×10-6。得出P0=9.8×10-2×28.2 x 10-2×2×366×103×2 000 x 2×0.9×0.1×10-6=7.3 W,理论计算表明,所选磁芯满足设计的功率要求。
变压器匝数设计是根据式(2)和式(3)计算,其中μi为输入电压最小值,△Vce为额定电流下全桥回路开关管压降,Dmax=0.48;μo为输出电压额定值,△Vd为输出额定电流下全波整流二极管压降。理论计算原副边匝数为:原边Np=4.6匝,副边Ns1=5.8匝,Ns2=3.9匝。
Np=[(μi-△Vce)×Dmax]/(2△B×Ae×fs) (2)
Np=[(μo-△Vd)×(1-Dmax)]/(2△B×Ae×fs) (3)
实际调试结果为:原边p=6匝,副边Ns1=8匝,Ns2=5匝。
带死区的4路互补PWM信号仿真
两路DC-DC电源变压器原边共用全桥拓扑,全桥电路的4路PWM信号是在多谐振荡器电路的基础上添加几个无源器件生成的,并且产生的两组驱动信号带有死区,能够有效防止全桥开关器件直通。电路的工作原理是:对通用多谐振荡器输出加以改进,使其充放电电容容量不同,产生2路充放电曲线略有差异的波形,这个差异就会在两组PWM波之间产生死区,再分别经过同相器和反相器,即可产生4路满足驱动要求的PWM脉冲。

图3 Saber仿真原理结果图
4路PWM生成电路的Saber仿真原理图及仿真结果如图3(a)和图3(b)所示。由仿真结果可以看出,4路PWM脉冲能够满足共用全桥拓扑的控制要求。
实验结果
图4(a)所示为实际全桥DC-DC电源变压器原边及副边绕组带载波形,其中CH1为原边线圈两端电压,CH2为副边线圈正电压。由于器件分散性,实际测试DC-DC电源工作频率为366 kHz,频率偏差为3.8%,满足设计要求。图4(b)所示为动态加载输出波形,其中CH1为输出正电压,CH2为输出负电压。测试时负载为35 Ω/10 W,可以看到突加突卸额定负载时输出正电压较平稳,波动<1 V,满足设计要求。负电压稍有波动,考虑到IGBT负压是用来维持关断状态,负压在-5~-15 V即可,因此满足半桥集成驱动电源的要求。

图4 电源变压器绕组带载波形及动态加载输出波形图
本篇文章通过对原理的分析和计算,介绍了一种比较稳定且性能较高的DC-DC隔离电源设计,这种设计不仅容易安装,还能与IGBT模块完美集成。并且在最后通过对实验结果的分析,证明了该种电源的高效性和可靠性,达到了设计目的。
射频工程师养成培训教程套装,助您快速成为一名优秀射频工程师...

