- 易迪拓培训,专注于微波、射频、天线设计工程师的培养
MC3423的OVP反激式开关电源电路分析
录入:edatop.com 点击:
引言
随着电力电子技术的发展。绿色、高效、智能、稳定的电源系统已成为当代电源系统发展的主流和趋势。开关电源是一种新型电源变换器。它利用变化电场产生变化的磁场,而变化的磁场又产生变化的电场,从而起到变压作用。根据电磁辐射原理,电磁辐射的能量与频率f有关,频率越高,能量越大。因此,如将变压器开关频率提高,则在相同功率下,变压器体积变小,电源效率增高;而在开关电源体积减小、效率增高的同时,又要保证电源系统输出的稳定性和安全性,这就要求在开关电源输出上必须加上保护措施,以防止过压和过流,从而保护后继用电器。
开关电源的设计通常包括电路设计和磁路设计两部分,电路的设计包括输入电路、PWM控制电路、输出电路和过压过流保护等;磁路的设计主要包括高频隔离变压器等。本文以MC3423为输出过压保护电路,给出了一种反激式开关电源的设计方法。
电路设计
1输入电路设计
若输入电压一般为AC180V~260V。一次整流滤波后的空载峰值电压为直流253~368V,交流电流频率为50Hz,每个线路同期的能量Ein为:
UC3842型PWM控制器是一款保护功能比较完善的集成电路,它采用DIP8封装。具有输入过压保护、输入欠压保护、输出过流保护等功能。而且过流保护是用逐个脉冲限流保护方式与过流关闭保护方式共用,通过不同阀值比较器实现保护功能,当出现过载时,这些比较器将短路PWM输出脉冲,同时打开慢启动晶体管,并慢启动电容放电,从而保证故障消除后系统能够正确的重新启动,UC3842的PWM产生电路如图2所示。
MC3423是实现OVP检测的专用芯片。MC3423一般和晶闸管(SCR)配合使用来构成过压保护电路(OVP)。OVP用于保护监视电路,以避免其由于过压或稳压器故障而造成损坏。当系统发生过压时,过压检测器将触发SCR导通而短路系统电源,迫使电源进入限流状态或通过烧断保险丝来断开系统供电。保护电压阈值可通过外接分压电阻来决定。为了避免被监视电压由于噪声而导致OVP误动。引起保护动作的最小持续时间可通过外接电容来调整。过压保护电路的作用是在输出电压超过设计值时,把输出电压限定在安全范围内。MC3423主要由两个比较器、一个内部基准电压发生器、一个恒流源电路和驱动三极管组成,MC3423的内部结构和引脚排列如图3所示。其引脚功能如下:
Vec:芯片供电端,电压为4.5~40V;
Sense1:第一个比较器反相输入端,可通过分压电阻接被监视电压,引脚正常输出电压为2.3~2.8V:
Sense2:第二个比较器同相输入端,与电流源输出脚(脚4)相连,引脚正常输出电压为2.3~2.8V;
CurrentSource:电流源输出,引脚正常输出电流为0.1~0.3mA;
RemodeActivation:远程作用输入,第二个比较器强制作用脚,引脚电压应大于14V;
IndicatorOutput:过压指示,三极管集电极开路输出脚,使用时外接上拉电阻;
VEE:接地端;
DriveOutput:过压输出驱动引脚;当检测到过压后,第8脚触发外接SCR导通,该引脚采用射随输出。
其一是当输出感应检测电压接Sense1(2脚)时,3脚和4脚须短路,如检测到输出过压,8脚输出电压将触发SCR导通;
其二是当输出感应检测电压接Sense2(3脚)时,3脚和4脚须断路,此时如检测到输出过压,8脚输出电压将触发SCR导通。
MC3423的OVP应用电路如图4所示。

,即可得出R1。图4中的Rg为SCR触发限流电阻(取RG=470Ω)。可控硅采用2N6400,它的正向导通电流为16A,浪涌电流为160A,采用TO-220封装。
许多情况下,MC3423都用于噪声复杂的环境,为防止假过压保护而影响负载的正常运行,可利用MC3423具有的可编程延迟功能,来在MC-3423的3脚和4脚接陶瓷电容到地,并通过电容充放电来检测是否由噪声引起的过压保护。如果电容未放电完,过压状态已消失,即认定是由于噪声引起的过压,此时电路不产生动作。
磁路设计
高频电源变压器一般有功率传送、电压变换和绝缘隔离三个功能。功率传送有两种方式:第一种是变压器功率传送方式,即加在原边绕组的电压在磁芯中产生磁通变化,使副边绕组产生感应电压,从而使功率从原边传送到副边;第二种是电感器功率传送方式,也就是在原边绕组输入电能使磁芯激磁并转变为磁能储存起来,然后通过去磁使副边绕组感应电压,并变成电能释放给负载。高频变压器通过原边绕组和副边绕组匝数的不同,可实现原边和副边电压的隔离。
设计变压器时,第一步是计算变压器初级电感峰值电流。假设δmax=0.25,输入的交流最低电压为180V,那么Vinmin="180x1".4-22=230V,22V为输出电压纹波和整流器的压降。则变压器初级峰值电流:

,因此,其开关管可选择MTP3N60场效应管,它的VDS=600V、ID=3.9A、Pt=100W、VGS=20V;
接下来第二步是确定最小占空比δmin,然后是计算变压器初级电感量

,接着选择并确定磁芯及骨架尺寸,再计算空气隙Lg和变压器初级线圈的匝数L1,最后再计算各次级线圈的绕组。
整体电路设计
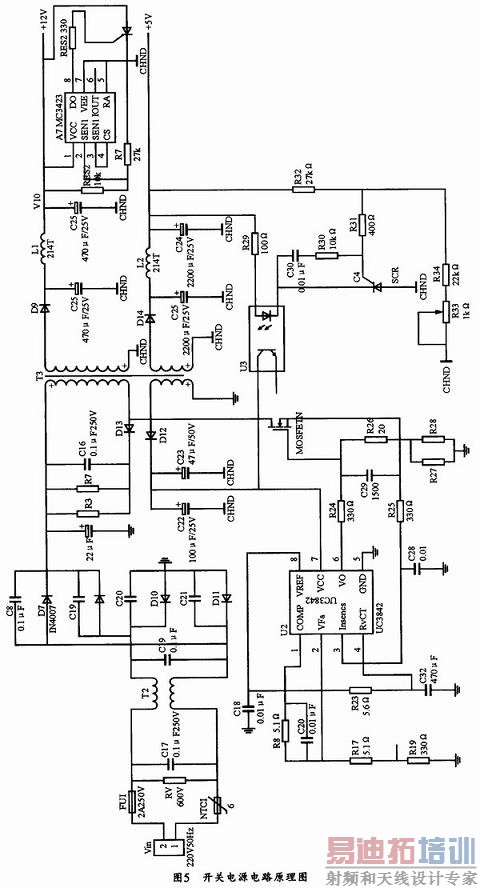
该电路设计可分为四部分:输入电路、PWM控制电路、输出保护电路和直流输出电路,图5所示是整个开关电源电路的原理图。其中输入电路直接可将交流220V/50Hz整流滤波成为300V直流电压,然后通过开关管MTP3N60将高频变压器初级300V直流电压逆变成高频方波并由整流二极管1620和滤波电容再次整流滤波以输出DC+5V和DC+12V。其中PC817、TL431属于输出反馈回路,当输出过大时,TL431导通,光耦PC817也随之导通。从而控制UC3842第2脚的输入电压,而反馈输入电压则可改变UC3842第6脚输出的PWM信号占空比,从而控制次级输出平均直流电压以使之达到稳定。MC3423为过压保护电路,过压时,MC3423第8脚的输出电压将触发SCR2N6400导通,从而起到分流作用以保护负载。
测试时,先给UC3842外加16V电源,以测试PWM系统是否起振,然后观测第4脚是否输出2.5V平均直流电压(为频率68kHz±1O%的锯齿波),之后,可将变压器初级输出引脚断开,测试300V直流电压。此时连接UC3842第7脚Vcc的电压应为16V;接着测试变压器+5V输出端是否有30V/70kHz左右的脉冲电压和+12V输出端是否有46V/140kHz左右的脉冲电压;再给输出端加+12V可变直流电压,测试MC3423第8脚,调整直流电压略高于+12V。再次测试MC3423第8脚的输出;然后再给输出端加+5V可变直流电压,测试PC817各引脚电压,调整直流电压略高于+5V,再次测试PC817各引脚电压;下来将整机电路连接完整,确认无误时可短时间加电,断开交流电源,检查集成电路、三极管、二极管是否由发热现象,电解电容是否有发热或突起现象,如有则须查明原因并更换元器件。
该电路的测试结果为:当输出+5V时,纹波为37mV,输出+12V时的纹波为66mV,线性调整率为0.0085%/V,负载调整率为1.785%/A。加上负载后测试,其+5V输出的最大电流为2.86A,最高效率为95.3%;+12V输出时的最大电流为2.81A,最高效率为93%,设计通过。
结束语
本文分电路和磁路两部分给出了一种基于MC3423的OVP反激式开关电源的设计方法。同时给出了整个开关电路的电路图和测试结果。根据测试结果证明,本设计可以满足设计要求。
随着电力电子技术的发展。绿色、高效、智能、稳定的电源系统已成为当代电源系统发展的主流和趋势。开关电源是一种新型电源变换器。它利用变化电场产生变化的磁场,而变化的磁场又产生变化的电场,从而起到变压作用。根据电磁辐射原理,电磁辐射的能量与频率f有关,频率越高,能量越大。因此,如将变压器开关频率提高,则在相同功率下,变压器体积变小,电源效率增高;而在开关电源体积减小、效率增高的同时,又要保证电源系统输出的稳定性和安全性,这就要求在开关电源输出上必须加上保护措施,以防止过压和过流,从而保护后继用电器。
开关电源的设计通常包括电路设计和磁路设计两部分,电路的设计包括输入电路、PWM控制电路、输出电路和过压过流保护等;磁路的设计主要包括高频隔离变压器等。本文以MC3423为输出过压保护电路,给出了一种反激式开关电源的设计方法。
电路设计
1输入电路设计
若输入电压一般为AC180V~260V。一次整流滤波后的空载峰值电压为直流253~368V,交流电流频率为50Hz,每个线路同期的能量Ein为:

若Cin取标称值100μF,耐压400V。那么,该滤波电容将减小一次整流滤波后的输出纹波电压。图1所示是一个电源输入电路图。

UC3842型PWM控制器是一款保护功能比较完善的集成电路,它采用DIP8封装。具有输入过压保护、输入欠压保护、输出过流保护等功能。而且过流保护是用逐个脉冲限流保护方式与过流关闭保护方式共用,通过不同阀值比较器实现保护功能,当出现过载时,这些比较器将短路PWM输出脉冲,同时打开慢启动晶体管,并慢启动电容放电,从而保证故障消除后系统能够正确的重新启动,UC3842的PWM产生电路如图2所示。

MC3423是实现OVP检测的专用芯片。MC3423一般和晶闸管(SCR)配合使用来构成过压保护电路(OVP)。OVP用于保护监视电路,以避免其由于过压或稳压器故障而造成损坏。当系统发生过压时,过压检测器将触发SCR导通而短路系统电源,迫使电源进入限流状态或通过烧断保险丝来断开系统供电。保护电压阈值可通过外接分压电阻来决定。为了避免被监视电压由于噪声而导致OVP误动。引起保护动作的最小持续时间可通过外接电容来调整。过压保护电路的作用是在输出电压超过设计值时,把输出电压限定在安全范围内。MC3423主要由两个比较器、一个内部基准电压发生器、一个恒流源电路和驱动三极管组成,MC3423的内部结构和引脚排列如图3所示。其引脚功能如下:
Vec:芯片供电端,电压为4.5~40V;
Sense1:第一个比较器反相输入端,可通过分压电阻接被监视电压,引脚正常输出电压为2.3~2.8V:
Sense2:第二个比较器同相输入端,与电流源输出脚(脚4)相连,引脚正常输出电压为2.3~2.8V;
CurrentSource:电流源输出,引脚正常输出电流为0.1~0.3mA;
RemodeActivation:远程作用输入,第二个比较器强制作用脚,引脚电压应大于14V;
IndicatorOutput:过压指示,三极管集电极开路输出脚,使用时外接上拉电阻;
VEE:接地端;
DriveOutput:过压输出驱动引脚;当检测到过压后,第8脚触发外接SCR导通,该引脚采用射随输出。

其一是当输出感应检测电压接Sense1(2脚)时,3脚和4脚须短路,如检测到输出过压,8脚输出电压将触发SCR导通;
其二是当输出感应检测电压接Sense2(3脚)时,3脚和4脚须断路,此时如检测到输出过压,8脚输出电压将触发SCR导通。
MC3423的OVP应用电路如图4所示。


,即可得出R1。图4中的Rg为SCR触发限流电阻(取RG=470Ω)。可控硅采用2N6400,它的正向导通电流为16A,浪涌电流为160A,采用TO-220封装。
许多情况下,MC3423都用于噪声复杂的环境,为防止假过压保护而影响负载的正常运行,可利用MC3423具有的可编程延迟功能,来在MC-3423的3脚和4脚接陶瓷电容到地,并通过电容充放电来检测是否由噪声引起的过压保护。如果电容未放电完,过压状态已消失,即认定是由于噪声引起的过压,此时电路不产生动作。
磁路设计
高频电源变压器一般有功率传送、电压变换和绝缘隔离三个功能。功率传送有两种方式:第一种是变压器功率传送方式,即加在原边绕组的电压在磁芯中产生磁通变化,使副边绕组产生感应电压,从而使功率从原边传送到副边;第二种是电感器功率传送方式,也就是在原边绕组输入电能使磁芯激磁并转变为磁能储存起来,然后通过去磁使副边绕组感应电压,并变成电能释放给负载。高频变压器通过原边绕组和副边绕组匝数的不同,可实现原边和副边电压的隔离。
设计变压器时,第一步是计算变压器初级电感峰值电流。假设δmax=0.25,输入的交流最低电压为180V,那么Vinmin="180x1".4-22=230V,22V为输出电压纹波和整流器的压降。则变压器初级峰值电流:

,因此,其开关管可选择MTP3N60场效应管,它的VDS=600V、ID=3.9A、Pt=100W、VGS=20V;
接下来第二步是确定最小占空比δmin,然后是计算变压器初级电感量

,接着选择并确定磁芯及骨架尺寸,再计算空气隙Lg和变压器初级线圈的匝数L1,最后再计算各次级线圈的绕组。
整体电路设计
该电路设计可分为四部分:输入电路、PWM控制电路、输出保护电路和直流输出电路,图5所示是整个开关电源电路的原理图。其中输入电路直接可将交流220V/50Hz整流滤波成为300V直流电压,然后通过开关管MTP3N60将高频变压器初级300V直流电压逆变成高频方波并由整流二极管1620和滤波电容再次整流滤波以输出DC+5V和DC+12V。其中PC817、TL431属于输出反馈回路,当输出过大时,TL431导通,光耦PC817也随之导通。从而控制UC3842第2脚的输入电压,而反馈输入电压则可改变UC3842第6脚输出的PWM信号占空比,从而控制次级输出平均直流电压以使之达到稳定。MC3423为过压保护电路,过压时,MC3423第8脚的输出电压将触发SCR2N6400导通,从而起到分流作用以保护负载。

测试时,先给UC3842外加16V电源,以测试PWM系统是否起振,然后观测第4脚是否输出2.5V平均直流电压(为频率68kHz±1O%的锯齿波),之后,可将变压器初级输出引脚断开,测试300V直流电压。此时连接UC3842第7脚Vcc的电压应为16V;接着测试变压器+5V输出端是否有30V/70kHz左右的脉冲电压和+12V输出端是否有46V/140kHz左右的脉冲电压;再给输出端加+12V可变直流电压,测试MC3423第8脚,调整直流电压略高于+12V。再次测试MC3423第8脚的输出;然后再给输出端加+5V可变直流电压,测试PC817各引脚电压,调整直流电压略高于+5V,再次测试PC817各引脚电压;下来将整机电路连接完整,确认无误时可短时间加电,断开交流电源,检查集成电路、三极管、二极管是否由发热现象,电解电容是否有发热或突起现象,如有则须查明原因并更换元器件。
该电路的测试结果为:当输出+5V时,纹波为37mV,输出+12V时的纹波为66mV,线性调整率为0.0085%/V,负载调整率为1.785%/A。加上负载后测试,其+5V输出的最大电流为2.86A,最高效率为95.3%;+12V输出时的最大电流为2.81A,最高效率为93%,设计通过。
结束语
本文分电路和磁路两部分给出了一种基于MC3423的OVP反激式开关电源的设计方法。同时给出了整个开关电路的电路图和测试结果。根据测试结果证明,本设计可以满足设计要求。
射频工程师养成培训教程套装,助您快速成为一名优秀射频工程师...
天线设计工程师培训课程套装,资深专家授课,让天线设计不再难...
上一篇:激光功率计的变换与显示电路
下一篇:电源电路设计1
射频和天线工程师培训课程详情>>

