- 易迪拓培训,专注于微波、射频、天线设计工程师的培养
一款小型化高压小功率电源的设计
摘要:论述了一种小型化的高压电源,它一改传统的高、低压组合式为一体化式,从而使体积、重量都大大减小。同时指出了开关电源技术在高压小功率电源应用中存在的问题和解决办法。在研制和实验过程中应用了PSPICE仿真技术,给出实测和仿真波形。
引言
高压电源已经被广泛地应用,医学、工业无损探伤、车站、海关检验等检测设备中,也广泛应用于诸如雷达发射机、电子航空图显示器等军事领域。传统的高压电源体积大、笨重,严重影响了所配套设备的发展。目前的高压电源多采用开关电源形式,大大降低了体积重量,增加了功率,提高了效率。特别是高压小功率开关电源,几乎都是开关电源结构。本文所讨论的高压小功率开关电源,是为X射线电视透视系统配套设计的。这种系统是对原始X射线设备的改进,它增加一个叫做图像增强器的设备。这种设备采用电极对电子进行加速和聚焦,因而需要与之相配套的小功率高压电源。
方案选择
小功率高压电源最常用的例子是电视机的阳极高压发生器,它将几十伏的直流电源,通过功率变换和高压变压器升压,再整流滤波,变为高压输出;另一个应用实例是负离子发生器,常采用晶闸管调压方式。以上两种调压方式都需要一台单独可调的辅助电源,即高、低压组合方式。这样便加大了电源的体积和复杂程度。加之,由于电路结构形式的不同,它们的输出电压范围的调节很有限,需要大范围调节时,只能通过改变供电电压来实现。而X射线增强器的主路电压调节范围近10kV,上述电路形式很难满足要求。本文采用的半桥谐振式开关电源,成功地解决了以上问题。
技术指标
输入电压220(1±10%)V,(50±0.5)Hz;或宽范围输入电压180~250V.
输出电压/电流
阳极(正)电压/电流
标称值+25kV/1mA,
电压范围+23kV~+32kV;
标称值+7.35kV/200μA,
电压范围+6.0kV~+7.8kV;
标称值+0.985kV/200μA;
电压范围+0.8kV~+1.1kV;
阴极(负)电压/电流
标称值-0.75kV/500μA;
电压范围-0.5kV~-1kV.
以上4路电压连动输出。
稳定度1%.
工作温度范围0℃~+40℃。
存贮温度范围-40℃~+55℃。
外形尺寸160mm×135mm×43mm.
图像增强器的电极在加工时不可避免存在有毛刺,在高电压下尖端放电击穿打火。要把毛刺烧掉,需要有较大的电流。这样,一方面要求电源输出功率设计得更要大些,另一方面应有完善的保护措施。
系统框图及工作原理
25kV小型化高压电源的系统框图如图1所示。

图1系统框图
输入的市电经净化滤波后整流成300V左右的直流电压加到半桥电路的MOS管上。控制电路由最常用SG3525芯片组成。控制电路通过高压部件反馈绕组检测输出电压的变化量,产生激励脉冲去驱动功率MOS场效应管,实现稳压输出。技术难点及解决办法
1体积与绝缘
这种电源是专为X射线增强器配套的,它被安装在X射线增强器底座下一个狭小的空间,因而要求体积小。体积的减小与电路形式的选择,电路的性能及绝缘,散热等问题有直接关系。本电路将功率变换、控制电路等部分和高压部分分开屏蔽放置,并选择高强度的绝缘介质填充高压部分,很好地解决了这个问题。
2高频高压变压器

图2考虑分布电容的变压器模型
高频高压变压器是高压电源的核心部件。在低压(功率)变压器中,可以不考虑波形的畸变和工作频带的问题,因而可以忽略分布电容的影响。在高频高压变压器中,由于匝数增多,特别是次级匝数增多,当变压器工作频率比较高和电压变化率比较大时,必须考虑分布电容和漏感问题。这时,变压器模型如图2所示。L1为漏感,Cp和Cs分别为初级和次级的分布电容。变压器漏感L1和次级分布电容构成了串联谐振电路。当变压器次级开路或负载较轻时变压器可看成电感,因而与次级分布电容Cs构成并联谐振电路,其等效电路如图3所示。发生谐振时,电容两端的电压会高出工作电压,也就是说变压器内部的电压会高于输出电压。这无形中增大了对变压器的耐压要求。因而在变压器的绕制过程中,要尽量减少分布电容和漏感。假设各层电容相等,绕组共有m层,则分布电容Cs=C(C为次级绕组固有电容,N2为次级绕组匝数)。当次级匝数一定时,次级等效到初级的分布电容与次级的层数有关,层数越多分布电容越小。每一层上的匝数越少,分布电容越小。为了减小分布电容,采取分段分组绕制方式,并增加层数,减小每层匝数。变压器采用马蹄形铁氧体磁芯,其绕制示意如图4所示。

图3分布电容折合到初级的等效电路

图4高压变压器绕制示意图
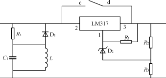
3输入电压范围的调制
工作在高频高压条件下的小功率电源,输入电压范围的调节会出现困难。不但调整率很差,而且在输入电压超过一定值时,电源无输出,或输出电压不稳定。原因是高压小功率电源的占空比很小,工作时的导通脉宽很窄(呈窄脉冲工作状态)。当输入电压升高时,输出能量不变,脉冲宽度变窄,幅度加长。输入电压升高到一定限度,控制电路呈失控状态,无法实现有效的闭环控制,导致整个电路关闭。为解决这个问题,经过分析试验,设计了一个输入电压调节电路,如图5所示。

图5输入电压调节电路
它实际上是一个输入电压预稳压电路,输入电压经过它,成为基本稳定的电压,再加到主电路(开关电路)上。
经过调试,试验和长期装机应用,证明了该电路的稳定与可靠。表1是设置输入电压调节电路与没有设置时的实测数据。为简化起见,这里只给出输出主电路(25kV)参数。明显看出,加了该电路后,输入电压调整率大大提高,输入电压调节范围也增至250V.

表1输入电压变化对输出电压的影响
由于上电时,输入端瞬间冲击电流很大,对输入电压调节电路造成危害。为此,还专门设计了输入缓冲电路。
另外,高压电源变压器的变比n大,变压器次级反馈到初级变化率较小,带来的问题是稳压效果不理想。这样,还设计了输出电压预稳压电路。因篇幅有限,实际电路从略。
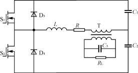
5开关电路的仿真实验

图6开关电路电原理图
开关级电路原理图如图6所示。这里开关级的负载是高频高压变压器,它的输入特性与负载的特性有关。在高压小功率应用中,由于输出电流小,负载电阻大,次级整流二极管的导通角很小。为便于建立仿真模型。可忽略负载电阻的影响。


由于应用了仿真技术,大大简化了实验过程,降低了设计周期。用PSPICE仿真程序对图6电路分为轻载10μA和重载1mA两种情况进行仿真,结果见图7(a)和图8(a)。在以后进行的电路实验中,实测的电流波形见图7(b)和图8(b)与仿真的波形基本相符。另外,从仿真波形还可看到轻载时的浪涌电流峰值较大,与重载时几乎相等。变压器空载损耗增加,导致变压器发热,这是需要进一步解决的问题。
结语
经过小批量生产和几年的装机使用,证明该电源达到了设计要求,性能稳定、可靠,可以替代同种类产品(例如日本某公司生产的汤姆逊电源)。
在X射线增强器生产工序中,需配置一台大功率的高压(输出电压高达30kV)电源,对半成品进行老化,打毛刺。由于本电源性能已满足上述要求,可以用来替代这台大功率电源,既节省了设备,又缩短了生产加工周期。
射频工程师养成培训教程套装,助您快速成为一名优秀射频工程师...

