- 易迪拓培训,专注于微波、射频、天线设计工程师的培养
三相正弦波逆变器瞬态的共同导通问题设计方案
在三相正弦波逆变器瞬中瞬态共同导通往往是被忽略的问题,因为瞬态过程很难捕捉。
以半桥变换器为例,其典型驱动电路如下图a)所示,理想的栅极电压波形如下图(b)所示。

但是,在实际测试中的栅极电压波形则如下图所示。

图中,圆圈处的电压尖峰就是其中一个MOSFET开通时,引起处于关闭状态的另一个MOSFET的栅极电压尖峰。如果这个电压尖峰超过MOSFET的导通阈值电压(特别是在结温较高时,阈值电压下降到常温的2/3),原处于关断的MOSFET将被触发导通,就会产生桥臂的两个MOSFET瞬态共同导通现象,即使仅导通数十纳秒也很可能损坏MOSFET.由于使MOSFET损坏的时刻是随机的,故通常很难找到故障的真正原因。
产生这种现象的根本原因是MOSFET漏极电压迅速上升,并产生电容电流,通过MOS-FET的反向传输电容与输入电容分压,在MOSFET的栅一源极间产生电压。
1.瞬态共同导通产生的原因与分析
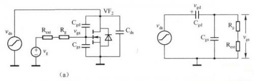
可以通过MOSFET的动态模型进行分析,MOSFET的动态模型如下图所示。

图中,Cgs、Cgd、Cds、Rg分别为MOSFET内部的的栅/源电容、栅/漏电容、输出电容和MOSFET的栅极体电阻。
在VF1开通阶段,尽管VF2处于关断状态,VF2的寄生二极管导通续流。由于VF1的开通,VF2的漏极电压急速上升,这个高幅值的dv/dt将通过VF2的寄生参数对VF2的栅极电压造成影响,其等效电路如下图所示。

图中的Rext为驱动电路内阻和驱动电路与MOSFET间串联电阻之和。
由于MOSFET在开通时并不能立即导通,因此可认为是一个线性上升的函数。这一阶段的等效电路如下图(a)和下图(b)所示,同时可以认为VF2的栅极电压为O.

图(b)的等效电路变为一个简单的RC回路,其节点和回路方程为

解式(18-8)的微分方程,开通过程完成时幅值最大,即t=Tm时,其Vgsmax为

很显然,Vgsmax的幅值为V通过Cgd、Cgs所得到的分压值。
当C.dv/dt引起的栅极电压超过了VF2的导通阈值电压,在VF1开通时,VF2也将开通。这样,输入电源将经过VF1、VF2流过一个大的穿通电流,同时,VF1还承担负载电流。
这样,VF1、VF2的功耗增加,又导致结温升高,使整个电源的效率下降,甚至会损坏MOSFET.
解决方案
综上所述,需要采取措施消除由于C.dv/dt造成的误导通。其基本方法为:尽可能地采用Crss/Ciss比值小的MOSFET;降低Rt. (Cgdd+Cgs)时间常数,即减小Rt的阻值;减缓MOS-FET漏极电压的上升速率;采用负极性电压维持MOSFET的关断,将C.dv/dt所产生的电压尖峰施加负的初始电压,使其峰值不超过MOSFET的导通阈值电压Vth.
采用Crss/Ciss比值小的MOSFET
实际上,早期MOSFET的Cgd/(Cgd+Cgs)的比值往往小于Vth/Vm的比值,如400V/10A的IRF740,其Cgd为120pF;Cgs为1400pF;Cgd/(Cgd+Cgs)为0.0789,这个数值远高于IRF740的3.5V的导通阈值电压与180~200V峰值漏极电压变化值的比值。因此在驱动速度极快时,引起IRF740误导通的栅极电压最高可以达到约14V.如果不加以限制,误导通将是必然的。
如果选用近几年问世的低栅极电荷的MOSFET,这种情况将大大改善,如ST的STP12NM50的Cgd为20pF,Cgs为lOOOpF,Cgd/(Cgd+Cgs)为0.0196,约为Vth/Vm,即使在快速驱动条件下也不会产生误导通现象。因此,选择性能优异的MOSFET是第一选择。
也可以采用加大MOSFET栅一源间外加电容的方式减小Crss/Ciss比值,但是这样将降低MOSFET的开关速度,增加开关损耗。这种方式仅限于早期的MOSFET桥式变换器的应用,从提高变换器效率角度考虑,一般不推荐采用。
采用高导通电压阈值的MOSFET和双极性电压驱动
提高MOSFET的导通电压阈值也是抑制或消除MOSFET误导通的一个好办法。如果将常温导通阈值电压从3.SV提高到4~4.5V,则MOSFET误导通的可能性就会大大降低。对于耐压在400V以上的MOSFET,比较高的导通阈值电压一般不会引起MOSFET损耗的增加。
在功率较大的桥式变换器的应用中经常采用双极性电压驱动,即在MOSFET关断期间,MOSFET栅极一源极电压保持在负极性电压值。这样,MOSFET误导通就从原来MOSFET本身的导通阈值电压变为导通阈值电压加负偏置电压。例如,采用-15V关断电压值,则令MOSFET误导通的电压至少要达到18.5V,这是几乎不可能达到的干扰电压值。下图所示的实测栅极电压波形证实了这一点。

从图中可以看到,上图形中的误导通电压值接近4.5V,已经超过MOSFET的导通电压阈值,出现瞬态共同导通现象。在图波形中,仅有不到1V的电压尖峰,甚至可以完全消除这个尖峰。其原因是低驱动回路阻抗与负电压的共同作用强有力地抑制了栅一源极间的dv/dt和电压幅值。
因此,即使采用-5V甚至-2V的关断偏置电压,也可以确保消除瞬态共同导通想像。
这种解决方案的缺点是电路相对复杂,电路成本略高于其他解决方案。但是这种解决方案是最有效的。
射频工程师养成培训教程套装,助您快速成为一名优秀射频工程师...
天线设计工程师培训课程套装,资深专家授课,让天线设计不再难...
上一篇:MSL2164:16串LED驱动器应用案例精讲
下一篇:适用于LED灯泡和T8灯管驱动器LYTSwitch-0全方位评测

