- 易迪拓培训,专注于微波、射频、天线设计工程师的培养
详解高频脉宽调制技术运用在逆变器中的设计
引言
由于对逆变器高频化的追求,硬开关所固有的缺陷变得不可容忍:开通和关断损耗大;容性开通问题;二极管反向恢复问题;感性关断问题;硬开关电路的EMI问题。因此,有必要寻求较好的解决方案尽量减少或消除硬开关带来的各种问题。软开关技术是克服以上缺陷的有效办法。最理想的软开通过程是:电压先下降到零后,电流再缓慢上升到通态值,开通损耗近似为零。因功率管开通前电压已下降到零,其结电容上的电压即为零,故解决了容性开通问题,同时也意味着二极管已经截止,其反向恢复过程结束,因此二极管的反向恢复问题亦不复存在。最理想的软关断过程为:电流先下降到零,电压再缓慢上升到断态值,所以关断损耗近似为零。由于功率管关断前电流已下降到零,即线路电感中电流亦为零,所以感性关断问题得以解决。

图1 HPWM控制方式
基于此,本文探讨性地提出了一种用于全桥逆变器的,HPWM控制方式的ZVS软开关技术,如图1所示。其出发点是在尽量不改变硬开关拓扑结构,即尽量不增加或少增加辅助元器件的前提下,有效利用现有电路元器件及功率管的寄生参数,为逆变桥主功率管创造ZVS软开关条件,最大限度地实现ZVS,从而达到减少损耗,降低EMI,提高可靠性的目的。
HPWM控制方式下实现ZVS的工作原理
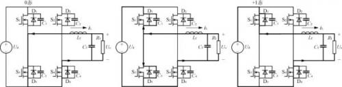
考虑到MOS管输出结电容值的离散性及非线性,每只MOS管并联一小电容,吸收其结电容在内等效为C1-C4,且C1=C2=C3=C4=Ceff;D1-D4为MOS管的体二极管,则HPWM软开关方式在整个输出电压的一个周期内共有12种开关状态。基于正负半周两个桥臂工作的对称性,以输出电压正半周为例,其等效电路模式如图2所示。图3给出了输出电压正半周的一个开关周期内的电路的主要波形,此时S4常通,S2关断。由于载波频率远大于输出电压基波频率,在一个开关周期Ts内近似认为输出电压Uo保持不变,电感电流的相邻开关周期的瞬时极值不变。

(a)模式A (b)模式A1 (c)模式B

(d)模式B1(e)模式C (f)模式C1
图2 HPWM软开关方式工作状态及电路模式

图3 ZVS方式主要波形
1)模式A[t0,t1] S1和S4导通,电路为+1态输出模式,滤波电感电流线性增加,直到t1时刻S1关断为止。电感电流:
iL(t)=
(1)
2)模式A1[t1,t2]在t1时刻,S1关断,电感电流从S1中转移到C1和C3支路,给C1充电,同时C3放电。由于C1、C3的存在,S1为零电压关断。在此很短的时间内,可以认为电感电流近似不变,为一恒流源,则C1两端电压线性上升,C3两端电压线性下降。t2时刻,C3电压下降到零,S3的体二极管D3自然导通,结束电路模式A1.
I1=iL(t1)(2)
uc1(t)=
t2(3)
uc3(t)=Ud-
t(4)
3)模式B[t2,t3] D3导通后,开通S3,所以S3为零电压开通。电流由D3向S3转移,此时S3工作于同步整流状态,电流基本上由S3流过,电路处于零态续流状态,电感电流线性减小,直到t3时刻,减小到零。此期间要保证S3实现ZVS,则S1关断和S3开通之间需要死区时间tdead1.
iL(t)=I1-t(5)
tdead1> (6)
4)模式B1[t3,t4]此时加在滤波电感Lf上的电压为-Uo,则其电流开始由零向负向增加,电路处于零态储能状态,S3中的电流也相应由零正向增加,到t4时刻S3关断,结束该模式。电感电流:
iL(t)=-
t(7)
5)模式C[t4,t5]与模式A1近似,S3关断,C3充电,C1放电,同理S3为零电压关断。
-I0=iL(t4)(8)
uc3(t)=
t(9)
uc1(t)=Ud-
t(10)
t5时刻,C1的电压降到零,其体二极管D1自然导通,进入下一电路模式。
6)模式C1[t5,t6] D1导通后,开通S1,则S1为零电压开通。电流由D1向S1转移,S1工作于同步整流状态,电路处于+1态回馈模式,电感电流负向减小,直到零,之后输入电压正向输出给电感储能,回到初始模式A,开始下一开关周期。此期间电感电流:
iL(t)=-I0+
(11)
同理,要保证S1零电压开通,则S3关断和S1开通之间需要死区时间tdead2,类似式(6),有
tdead2>
(12)
多数情况下,有I1>I0,因而一般需tdead2>tdead1.
3 ZVS实现的条件及范围
从以上的工作模式分析可知,由于电容C1及C3的存在,S1及S3容易实现ZVS关断;要实现功率管的零电压开通,必须保证有足够的能量在其开通之前抽去等效并联电容上所储存的电荷,即1/2
LfiL2>1/2
CeffUd2+1/2
CeffUd2=CeffUd2(13)
在上面的分析中,下管总是容易实现ZVS开通,因为其开通时刻总是在电感电流的瞬时最大值的时刻,即使轻载时电感储存的能量也可以保证其实现零电压开通;对于上管来说,则必须在零态续流模式中电感电流瞬时值由正变负,达到一定负向值,才能保证在下管关断时该电流可以使上管等效并联电容放电,从而实现其零电压开通。此种情况实际为在输出半个周期中,电感电流与输出电压同向,即uo>0,iL>0的情况;当二者反向即iL<0时,则上下管的情况正好互换,上管容易实现ZVS开通,而下管实现ZVS的条件则同样在零态续流模式中要保证电感电流瞬时值反向。对输出电压负半周,上下管实现 ZVS的情况与正半周相同。
滤波电感的取值直接影响ZVS实现的范围,也影响到电路的效率。考虑到输出电压半个周期内电路可以等效为一Buck变换器,由此得滤波电感的最大值需满足Lfmax≤
。电感值大,电感电流瞬时值变化范围小,ZVS实现的范围减小,也就是说在较大负载情况下,在半波电感电流峰值附近上管难以实现ZVS开通,从而仍然有较大的开通损耗;电感取值减小,其电流瞬时值脉动变大,则ZVS实现的范围加大,开通损耗可以减小,但此时由于整个输出周期内电感上的瞬时电流的高频脉动很大,因而磁芯的磁滞及涡流损耗增加。所以,电感的取值、ZVS实现的范围及电路的效率之间需根据具体情况适当折衷。
在实际应用中须做以下说明。
1)如考虑逆变器负载功率因数较大的情况,则uo,iL在整个周期大部分时间内为同向,即有tdead2>tdead1成立。为充分保证上管软开关的实现,则可以考虑在下管驱动附加加速关断措施,如采用电阻二极管网络,以适当增加下管关断到上管开通之间的死区时间。
2)由上述可知,由于要保证ZVS的实现,则滤波电感上必然存在较大的电流脉动,因而电感的磁芯损耗比较大,实际应用须选用电阻率高、高频损耗小的磁芯材料。
3)同理,由于ZVS实现的范围与电感磁芯损耗的矛盾,在负载范围较大的情况下,很难折衷得到较好的效果,因此该方式只适用于较小功率的应用场合,而应用于较大功率场合时,则可以考虑用相同功率的模块并联。
实验波形和结语
图4是上下功率管在实现ZVS时的驱动电压与相应漏源电压波形。由图4可以看出,上下管均很好地实现了零电压开关。

(a)上管

(b)下管
图4逆变器功率管驱动(上曲线)与漏源电压(下曲线)

图5空载输出电压与电感电流

图6阻性满载输出电压及电感电流

图7逆变器的效率
图5是空载输出电压与电感电流。图6是阻性满载输出电压及电感电流。空载时由于电感上的电流在半个周期内均可以过零,因而此时功率管可以较好地实现软开关;而满载时电感电流瞬时值过零的范围明显减少,此时上很难实现软开通。要进一步确定电感取值与负载、ZVS实现的范围以及电路效率之间的关系除了理论分析外,也还需要进行大量的实验。图7为逆变器的效率曲线,阻性满载的输出效率约为92%.
射频工程师养成培训教程套装,助您快速成为一名优秀射频工程师...

