- 易迪拓培训,专注于微波、射频、天线设计工程师的培养
基于一款小功率光伏并网逆变器控制的设计方案
引言
21世纪,人类将面临着实现经济和社会可持续发展的重大挑战。在有限资源和保护环境的双重制约下能源问题将更加突出,这主要体现在:①能源短缺;②环境污染;③温室效应。因此,人类在解决能源问题,实现可持续发展时,只能依靠科技进步,大规模地开发利用可再生洁净能源。太阳能具有储量大、普遍存在、利用经济、清洁环保等优点,因此太阳能的利用越来越受到人们的广泛重视,成为理想的替代能源。文中阐述的功率为200W太阳能光伏并网逆变器,将太阳能电池板产生的直流电直接转换为220V/50Hz的工频正弦交流电输出至电网。
系统工作原理及其控制方案
1光伏并网逆变器电路原理
太阳能光伏并网逆变器的主电路原理图如图1所示。在本系统中,太阳能电池板输出的额定电压为62V的直流电,通过DC/DC变换器被转换为400V直流电,接着经过DC/AC逆变后就得到220V/50Hz的交流电。系统保证并网逆变器输出的220V/50Hz正弦电流与电网的相电压同步。

图1电路原理框图
系统控制方案

图2主电路拓扑图
图2为光伏并网逆变器的主电路拓扑图,此系统由前级的DC/DC变换器和后级的DC/AC逆变器组成。DC/DC变换器的逆变电路可选择的型式有半桥式、全桥式、推挽式。考虑到输入电压较低,如采用半桥式则开关管电流变大,而采用全桥式则控制复杂、开关管功耗增大,因此这里采用推挽式电路。DC/DC变换器由推挽逆变电路、高频变压器、整流电路和滤波电感构成,它将太阳能电池板输出的62V的直流电压转换成400V的直流电压。
DC/AC逆变器的主电路采用全桥式结构,由4个MOS管(该管内部寄生了反并联的二极管)构成,它将400V的直流电转换成为220V/50Hz的工频交流电。
1、DC/DC变换器控制方案

图3 DC/DC变换器的控制框图
DC/DC变换器的控制框图如图3所示。控制电路是以集成电路SG3525为核心,由SG3525输出的两路50kHz的驱动信号,经门极驱动电路加在推挽电路开关管Q1和Q2的门极上。为保持DC/DC变换器输出电压的稳定,将检测到的输出电压与指令电压进行比较,该误差电压经PI调节器后控制SG3525输出驱动信号的占空比。该控制电路还具有限制输出过流过压的保护功能。当检测到DC/DC变换器输出电流过大时,SG3525将减小门极脉冲的宽度,降低输出电压,进而降低了输出电流。当输出电压过高时,会停止DC/DC变换器的工作。由于推挽式电路容易因直流偏磁导致变压器饱和,因此,推挽式电路的设计难点在于如何防止变压器的磁饱和。在本电路中,除了注意电路的对称性之外,还设计了磁饱和检测电路,当流经推挽电路的两个支路电流失衡时,就会启动SG3525的软启动功能,使DC/DC变换器重新启动,变压器得以复位。

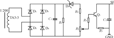
图4偏磁检测电路
偏磁检测电路如图4所示。图中只画出了磁环的副边。原边两个线圈接在主电路的变压器原边的两个绕组上,流过两个线圈中的电流方向要相反。当变压器发生偏磁时,某一方向的电流异常大,通过电流互感器检测,可在互感器的输出电阻R1上产生一个电压,如果该电压足够大,可以使稳压二极管D5导通,在电位器上产生压降,将电位器的值调到合适的阻值,使电位器上的压降大于三极管的门限电压,使三极管导通,接在芯片SG3525的脚8与地之间的电容放电,然后SG3525中的恒流源对它充电,SG3525重新启动,从而使变压器磁心复位。
2、DC/AC逆变器控制方案

图5 DC/AC逆变器的控制框图
DC/AC逆变器是光伏并网的重点和难点,因此以下将着重阐述该部分。DC/AC逆变器控制框图如图5所示。核心控制芯片采用了TI公司的TMS320F240.尽管单片机也能实现并网逆变器的脉宽调制,但是DSP实时处理能力更强大,因此可以保证系统有更高的开关工作频率。从图5可以清楚看出系统输入和输出信号的情况。
3、输出功率优化控制方案
在静态情况下,当并网逆变器与太阳能电池相连时,并网逆变器可等效为太阳能电池的负载电阻。当光强λ和温度T变化时,太阳能电池输出的端电压将会随之发生变化。为了有效地利用太阳能,应使太阳能电池的输出始终处于适当的工作点。因此,控制方案要求当太阳能电池的电压升高时,可以增大它的输出功率;反之就降低它的输出功率。

图6 DSP的控制方案
DSP的控制方案如图6所示,参考电压和太阳能电池的实际电压相比较后,其误差经过PI调节,将得到的电流指令(直流量)IREF与ROM里的正弦表值相乘,就得到交变的输出电流指令iref,再将它与实际的输出电流值比较后,其误差经过比例(P)环节,将所得到的指令取反,与采集到的交流侧电压Us相加后,所得到的波形再与三角波比较,就产生4路PWM调制信号(三角波的频率为20kHz)。
4、交流侧电压Us的检测
将同步变压器副边的同步信号,滤波、整流,就可以得到比较稳定的直流电,将其送到DSP的A/D转换口。由于最后得到的直流电压与电网电压有一个比较稳定的关系,因此,就比较容易换算Us的值了。

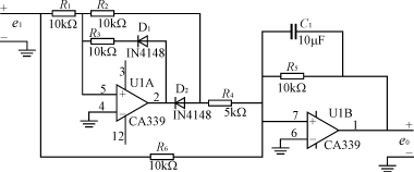
图7 Us的整流电路
由于涉及到共地的问题,因此,采用了运算放大器的全波精密整流电路,如图7所示。
5、电流指令的同步
并网时要求逆变器输出的正弦波电流与电网电压同频、同相。首先,将电网电压信号经过滤波整形为同步方波信号,再将其输入到TMS320F240的外部中断口XINT1,目的是为了捕捉电网电压的过零信号。如图8所示,电网电压正弦波,经过整形后就得到了方波。

图8同步信号波形
当DSP检测到过零信号的上跳沿时,便触发同步中断,以此时间点作为基准给定正弦波信号时间起点,也就是正弦表指针复位到零;每当T1下溢中断(PWM实时控制)时,正弦表指针便加1,并从正弦表中取值。一个周期的单位正弦波数据被分成了400个点采用表的形式存放在存储器中。由于同步信号比较容易受到谐波和尖峰电压的干扰,因此在进入同步中断后可以先做一个延时,判断外部中断脚XINT1是否仍然是高电平,如果是高电平,就执行中断程序,否则就从中断程序跳出。
从图6的控制方案可看出,IREF与正弦表中数据相乘后,便形成了幅值可调的正弦波的电流给定信号,然后,再实时比较电流给定值,经过P环节后,所得信号反相后,与采集到的交流侧电网电压信号Us相加,所得波形与三角波比较,就产生了PWM波,控制桥臂的通断。总之,输出电流和电网电压的同频、同相的要求是通过电流跟踪控制实现的。
6、PWM脉宽调制波的产生
PWM波的产生是通过TMS320F240的全比较单元输出的,频率为20kHz.从图6可知,调制脉冲的产生是通过将电流指令值与实际电流值比较后,经过P环节,所得到的波形与三角波(频率为20kHz)比较后获得的。因此MOS管Q3、Q4、Q5、Q6(见图2)脉冲的产生时刻可以从图8得出,参照正弦波与三角波调制,两者相交决定了PWM的脉冲时刻。实际由采样的波形(实际上是阶梯波)与三角波相交,由交点得出脉冲宽度。本系统是在三角波的底点位置对波形进行采样而形成的阶梯波。此阶梯波与三角波的交点所确定的脉宽在一个采样周期内的位置是对称的,如图9所示。

图9正弦脉宽调制波形
图9(a)正弦波B与三角波的交点决定了Q3的导通时刻;正弦波A与三角波的交点决定了Q5的导通时刻。
图9(b)为Q3的脉冲示意图,同一桥臂上Q3与Q4的脉冲是互补的。
图9(c)为Q5的脉冲示意图,同一桥臂上Q5与Q6的脉冲是互补的。
7、TMS320F240软件控制流程

图10软件流程图
这部分的软件主要分成4块,即主程序,T1下溢中断,T2下溢中断和同步中断。流程图如图10所示。T1下溢中断每50μs发生一次,程序主要用来生成PWM波;T2下溢中断每10ms发生一次,程序主要用来产生电流指令;同步中断大约每20ms(网压周期)发生一次。
8、系统保护
本系统设计有直流侧过压、欠压,交流侧过流,过热等多种保护。当出现太阳能电池板的输出电压过压、欠压故障的时候,由TMS320F240向SG3525发出一个信号,封锁DC/DC的脉冲,使其停止工作,当检测到直流电压恢复正常时,DC/DC又自动复位开始工作;当出现交流过流、过热故障时,程序进入中断服务子程序,封锁所有驱动信号。当故障排除后,手动复位,系统重新启动。
主要元器件选择与实验波形
推挽式电路MOS管选用的是IRFP350(耐压400V,漏源额定电流为16A)。桥式逆变电路MOS管选用的是IRFPC40(耐压600V,漏源额定电流为6.8A)。DC/DC滤波电感L1选用1.2mH,DC/AC滤波电感L2选用33.4mH.
结语
本文阐述了一种小功率光伏并网逆变器的控制系统。DC/DC控制器的拓扑结构采用推挽式电路,是用芯片SG3525来控制的,该电路有效地防止了偏磁;DC/AC逆变器为全桥逆变电路,是用DSP来控制的,由于DSP的运算速度比较高,因此逆变器的输出电流能够很好地跟踪电网电压波形。该光伏并网逆变器控制方案的有效性在实验室得到验证。该控制系统能确保逆变电源的输出功率因数接近1,输出电流为正弦波形。
射频工程师养成培训教程套装,助您快速成为一名优秀射频工程师...

