- 易迪拓培训,专注于微波、射频、天线设计工程师的培养
一种高转换效率高功率因素的大功率LED电源研究
大功率LED照明驱动电源对led灯具整体的效能、寿命、维护成本有直接的影响,高转换效率、高功率因素、简化线路、高可靠性、减少电磁污染是对高性能LED驱动电源的主要挑战。本文探讨了一种基于PLC810PGPFC控制芯片PFC+LLC结构的驱动电源设计,满载工作情况下电源输入输出转换效率可达到92%,电源功率因数可达到98%,具有集成度高、元件少、可靠性高的特点,能推广用于80W~150W的LED照明灯具的驱动电源。
0 引言
LED照明与其他照明相比具有以下优点:1)发光效率高,耗能少,而且光的单色性好、光谱窄;2)使用寿命长,LED的使用寿命可以长达近十万小时;3)安全环保;4)启动时间短;5)体积小。
大量的LED路灯需要配套相应的驱动电源,因此研制高效率高功率因数的LED驱动电源也具有庞大的需求和广阔的市场前景。
本文根据杭州某家照明灯具厂商的要求,开发研制一种适用于80W~150W的LED照明灯具的驱动电源,要求有较高电源输入输出转换效率和较高的电源功率因数,可靠性高、符合IEC-61000标准。
1 主电路拓扑结构选择
当采用开关电源拓扑结构时,必须满足IEC61000-3-2等标准关于D类设备电流谐波限制性规定,同时还必须符合对C类(照明)设备的电流谐波限量要求和"能源之星"等规范对功率因数(PF)不能低于0.9的要求。为达此目的,LED路灯电源必须采用功率因数校正(PFC),同时还要求采用支持相应功率的电源拓扑结构。
目前AC/DC恒流源驱动IC正从反激式拓扑结构转向高效率谐振半桥(LLC)+PFC拓扑结构,以充分发挥零电压开关拓扑结构(ZVS)的优势,和满足LED灯具对PFC(功率因素较正)日益提高的要求,并要求能提高效率>90%.宽电压输入、短路和过功率保护、开路保护、较低的总谐波失真(THD)是基本的要求。
传统功率因数校正电路技术复杂、设计步骤繁琐、所需元器件多、体积大而且成本高。因此,设计时往往要在性能和成本之间进行折衷。
BOOST采用主动式有源功率因数校正(APFC)电路,工作在连续模式,谐波电流和开关管电压电流应力小。DC/DC采用半桥LLC串联谐振转换器,元器件数量有限,谐振储能(tank)元件能够集成到单个变压器中,因此只需要1个磁性元件。在所有正常负载条件下,初级开关都可以工作在零电压开关(ZVS)条件,而次级二极管可以采用零电流开关(ZCS)工作,没有反向恢复损耗。
特别适用于中、高输出电压转换器的高性价比、高能效和性能优异的解决方案。
因此,主电路采用FPC(采用CCM方式)+LLC二级拓扑结构。
由于PLC810PG同时集成了CCM方式PFC和LLC控制器,特别适合本系统方案设计的需求。
2 基于PLC810PG的大功率LED电源电路设计
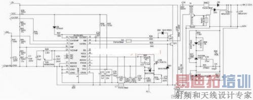
基于PLC810PG的大功率LED电源电路图如图1所示。
LED驱动电源分为输入电路、PFC升压变换器和LLC谐振转换器等几个主要部分。

图1电源电路图
输入电路部分主要由输入滤波器、桥式整流器(BR1)等组成,C1~C6 和L1、L2 及R1~R3 组成EMI 滤波器。C1 和C5 连接在相线L 和中线N 之间,用于保护地(E),同时用于控制高频(>30MHz)噪声。C3 和C4 提供差模EMI 滤波。共模电感器L1、L2 控制低频和中频(<10MHz)EMI,C2 和C6 控制中频区中的谐振峰值。当交流(AC)电源切断时,R1、R2 和R3 为EMI 电容放电提供通路,以满足安全要求。
F1 是保险丝,起短路保护作用。RV1 用作过电压保护。RT1是NTC 热敏电阻,在电路启动期间限制浪涌电流。当电路启动之后进入正常操作时,继电器动作,将热敏电阻短路,由于RT1 没有电流通过,使电路效率至少能提高1%。
PFC 升压变换器主电路由L4、升压二极管D2、PFC 开关Q2、输出电容C9、C11 等组成。在AC 输入电压范围为140~265V 时,PFC 输出直流(DC)升压电压(VB+)稳定在385V,并且在桥式整流器BR1 输入端产生正弦电流,使系统呈现纯电阻性的负载,线路功率因数接近于1。
PLC810PG 的PFC 部分采用无需正弦信号输入参考的通用输入连续电流模式(CCM) 设计,从而减少了系统成本和外部元件。
Q1 和Q3 等组成Q2 的缓冲级。Q2 栅极和漏极分别串接了铁氧体磁珠,可以改善EMI。
PFC 缓冲级Q1 选用60V、1A、采用SOT-23 封装的FMMT491TA 型NPN 晶体管。 Q3 选用60V、1A、采用SOT-23 封装的FMMT591TA 型PNP 晶体管。偏置电源中Q26、Q17选用40V、0.2A、采用SOT-23 封装的NPN 型小信号晶体管MMBT3904LT1G。
PFC 开关Q2 选用STW 20NM50FD,500V,20A,导通电阻0.22Ω,采用TO-247AC 封装。
R6 和R8 是PFC 级电流传感电阻。连接在R6 和R8 上的二极管D3 和D4,在浪涌期间箝位(箝位电压为D3 和D4 的正向压降,约0.7V×2=1.4V),R6 和R8 上的电压以保护U1(PLC810PG)的电流感测输入。
在系统加电时,对C9 的充电电流通过二极管D1,而没有浪涌电流通过L4,这就避免了L4 出现饱和的可能性。PFC 级输入小电容C7 用作旁路高频成分,C7 选择低损耗丙乙烯电容器。电容C11 用作减小Q2、D2 和C9 等高频环路元件的EMI。
LLC 谐振转换器由LLC 输入级与LLC 输出级组成。Q10 和Q11 是LLC 转换器的半桥高/ 低端MOSFET,它们由U1 经电阻R56 和R58 直接驱动。C39 是变压器T1 初级谐振电容,它与T1初级形成谐振槽路。由于谐振电感器已结合进T1 初级绕组线圈中,这种电路仍被称为LLC 谐振槽路,而不将其称作LC 谐振槽路。
电容C40 被安置到邻近的Q10 和Q11,用于旁路。
半桥开关Q10 和Q11 选用IRFIB7N50LPBF 型N 沟道MOSFET,500V,6.8A,0.32Ω,采用TO-247AC 封装。
变压器T1 次级输出经D9 和C37、C38 整流滤波提供48V 的输出,为LED 路灯供电。T1 次级串接的铁氧体磁珠,用作抑制高频噪声。
PLC810PG 中DC-DC 控制器驱动LLC 谐振,这个变频控制器可使MOSFET 在零电压时进行开关操作,从而消除大部分的开关损耗,提高效率。LLC 控制器的核心是一个电流控制的振荡器,其频率控制范围支持电视机电源的传统工作频率。
为了确保零电压开关,PLC810PG 中LLC 开关的死区时间被严格控制在容差范围之内,并可通过一个外部电阻进行调节。高低压两端的占空比紧密匹配,以提供平衡的输出电流,从而降低输出二极管的成本。
3 LED 驱动电源测试结果
通过在实验室对样品线路板连接LED 灯模组进行测试,测试结果为:在满载时,PFC 级效率PFC> 95%,LLC 级效率LLC>95%,系统总效率total>92%(AC200-265VAC)。由于LED 路灯电源带有功率因数校正,在140VAC~220VAC 范围内,PF ≥ 0.98,LED 路灯电源传导EMI 符合CISPR22B/EN55022B 规范要求,安全性满足IEC950/UL1950 II 类要求。
射频工程师养成培训教程套装,助您快速成为一名优秀射频工程师...

