- 易迪拓培训,专注于微波、射频、天线设计工程师的培养
功率更大、尺寸更小和温度更低的负载点DC/DC调节
每一代高端处理器、FPGA 和 ASIC 都因更重的负载而增加了电源的负担,但是系统设计师很少为了符合这种功率增大的情况而额外分配宝贵的系统电路板空间。由于广泛需要更多专用和安装在电路板上的电源,以向多个电压轨提供 POL (负载点) 调节,所以这种对电源的挤压就更严重了。个别电源轨必须越来越多地在低电压 (≤1V) 下支持数 10A至超过 100A 的电流,因而要求大约 1% 的初始准确度和出色的负载瞬态偏差 (低于几%)。因此挑战是找到准确和能在低电压提供大的负载电流同时占用很少系统电路板空间的电源解决方案。
当发现一款功能合适的稳压器解决方案时,必须对其进行功率损失和热阻评估。倘若这两项参数不能满足系统的散热要求 (特别是当系统必须在高环境温度条件下运作时),就会导致一款原本不错的稳压器解决方案大打折扣。显然,转换效率必须很高,以限制功率损耗,而且封装设计必须具备很低的内部热阻以及很低的环境连接热阻。随着解决方案的缩小,稳压器和电路板之间的热阻面积也减小了,这就使得保持电路板低温度更加困难了,因为电源稳压器通常将大多数功率损耗传导到系统电路板中,从而显著提高了系统的内部温度。
真正的问题:热量和冷却成本
系统和热设计工程师花费大量时间对这些复杂的电子系统进行建模和评估,以设计能去除以热量形式体现功率损耗的解决方案。一般用空气流动和散热器来去除这种不想要的热量。真正的问题是,随着系统内部温度的升高,新式处理器、FPGA 和定制 ASIC 通常消耗显著增大的功率。不幸的是,这需要电源稳压器提供更多功率,而且将增大内部功率损耗,从而进一步升高系统温度。因此,消除功率损耗和热量是非常重要,而且高密度电源解决方案必须限制功率损耗,并有效地消除热量。但是,封装极其紧凑的电源解决方案要么耗散过多的功率,要么无法有效地移除热量,因此假如不实施大幅度的降额就不能在高温环境中运作。需要一种适合的解决方案来帮助缓解这一实际问题。
毫不奇怪,为了使大功率设计的温度保持在合理水平,注意冷却方法是至关重要的。安装风扇、冷却板、散热器以及有时将系统浸没到特殊液体中都是一些设计师被迫采用的方法的实例。所有这些方法都是昂贵但必要的。不过,如果一个大功率负载点稳压器能提供所需功率,同时能均匀和高效率地消散热量,那么冷却这部分电路的要求就会降低,从而能减少冷却系统的尺寸、重量、维护工作和成本。
功率密度是误导
谈论高功率密度 DC/DC 稳压器是误导的,因为它不涉及器件温度问题。当系统设计师决定选用一款可满足系统对于 DC/DC 稳压器的电气、物理和电源要求的产品时,应当教会他们从器件的产品手册中寻觅到更多的相关信息。下面举一个例子:如果一个 2cm x 1cm 的 DC/DC 稳压器向负载提供 54W 功率,它的功率密度额定值为 27W/cm2。这一数字也许会给一些设计师留下深刻印象,并满足他们的搜寻要求:想要的功率、想要的尺寸和想要的价格。不过,被忘记的是热量最终会转变成温度上升。如欲获取重要的相关信息,则需研究分析 DC/DC 稳压器的热阻抗,寻找封装的"结点至外壳"、"结点至空气"和"结点至 PCB"热阻数值。
继续看上面的例子,该器件还有另一个吸引人的属性。它以令人印象深刻的 90% 的效率工作。它消耗 6W 功率,同时提供 54W 输出,所采用的封装具备 20ºC/W 结点至空气的热阻。6W 乘以 20ºC/W,结果为在环境温度之上升高 120ºC。当在 45ºC 的环境温度时,这个似乎令人印象深刻的 DC/DC 稳压器封装结温的计算结果就是 165ºC。165ºC 不是一个令人感觉很好的值,原因有两点:(a) 它高于大多数硅 IC 大约为 120ºC 的最高温度;(b) 它需要特别关注,以保持结温在一个低于 120ºC 的较安全值。
上述的简单计算有时会被忽视了。一个看似满足所有电气和功率要求的 DC/DC 稳压器未能满足系统的热量指导原则,或者被证明由于在安全的温度环境中工作需要采取额外措施,因此用起来太过昂贵。在首次参与评估电压、电流和尺寸等属性时,记着研究 DC/DC 稳压器的热性能是很重要的。
本文将介绍一种新的高密度和可扩展的 LTM4620 微型模块 (µModule) 稳压器。内容将包括电气、机械 / 封装和热性能以及不同的可扩展型电源设计。目标是展示一种新的高密度、可扩展的电源稳压器,该稳压器具备卓越的电气性能、低功率损耗和独特的耐热增强型封装设计,可帮助克服高功率密度挑战。
[p]LTM4620 双通道 13A 或单通道 26A µModule 稳压器
图 1 显示了 LTM4620 µModule 稳压器的照片。LTM4620 采用 SIP (系统级封装),是 15mm x 15mm x 4.41mm LGA 器件。它能在 13A 时提供两个独立输出,或在 26A 时提供单个输出。该封装支持在顶部和底部安装散热系统,以实现卓越的热量管理。

图 1:LTM4620 封装:15mm x 15mm x 4.41mm LGA
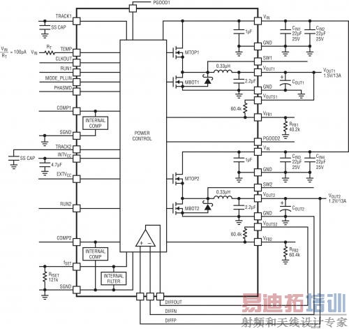
图 2 显示了 LTM4620 µModule 稳压器的方框图。LTM4620 由两个高性能同步降压型稳压器组成。输入电压范围为 4.5V 至 16V,输出电压范围为 0.6V 至 2.5V,而 LTM4620A 的输出电压范围为 0.6V 至 5.5V。LTM4620 的电气特性为 ±1.5% 的总输出准确度、经过全面测试的准确均流、快速瞬态响应、具备自定时和可编程相移的多相并联工作、频率同步以及准确的远端采样放大器。
保护功能包括反馈参考的输出过压保护、折返过流保护和内部温度二极管监视。

图 2:LTM4620 方框图
INTERNAL COMP:内部比较器
POWER CONTROL:电源控制
LTM4620 独特的封装设计
图 3 显示了一个尚未模制的 LTM4620 之染色侧视图和顶视图。封装设计由热传导性很高的 BT 衬底和足够的铜箔层组成,以提高电流承载能力并实现至系统电路板的低热阻。一种专有引线框架功率 MOSFET 栈用来提供高功率密度、低互连电阻、以及给器件的顶部和底部提供很高的热传导性。专有散热器设计连接到功率 MOSFET 栈和功率电感器上,以提供有效的顶部散热。可以在顶部的裸露金属面上加上一个外部散热器,以利用空气流动去除热量。由于该专有散热器的构造和模制封装,仅有气流而没有散热器就可去除顶部的热量。

图 3:LTM4620 的染色侧视图和尚未模制的 LTM4620
Top Side Heat Sinking:顶部散热
Bottom Side Heat Sinking:底部散热
Power MOSFET Stack:功率 MOSFET 栈
Power Inductors:功率电感器
图 4 显示了 LTM4620 的热像以及在 26A 设计时 12V 至 1V 的降额曲线。当具有 200LFM 气流时,温升仅为 35°C (在环境温度以上),而且降额曲线显示:一直到大约 80°C 时最大负载电流都无需降额。图 4 显示了热量数据,这些数据显示了耐热增强型高密度电源稳压器解决方案的真正优点。独特的封装设计在小尺寸中尽可能减少功率损耗,并有效地去除了作为功率损耗函数的热量。
| 无散热器,大约在 TA = 29.8oC 之上上升 35oC, 空气流动 = 200LFM,12V 至 1V/26A | 12V 至 1V/26A,直至大约 80oC 时无降额, 空气流动 = 200LFM |

图 4:LTM4620 热像及减额曲线
CURRENT:电流
AMBIENT TEMPERATURE: 环境温度
[p]LTM4620 的电气性能

图 5:LTM4620、两相 1.5V/26A 并联输出
5V TO 16V INTERMEDIATE BUS:5V 至 16V 中间总线
PULL-UP RESISTOR AND ZENER ARE OPTIONAL:上拉电阻器和齐纳二极管是可选的
图 5 显示以双输出均流模式工作的 LTM4620。这种配置提供密度非常高的 1.5V/26A 解决方案。RUN、TRACK、COMP、VFB、PGOOD 和 VOUT 引脚连接在一起,以实现并联工作。该设计显示了一种利用一个 LTC2997 温度传感器监视器监视 LTM4620 内部温度二极管的方式。温度采样二极管可由很多不同的器件监视,这些器件监视一个连接二极管的晶体管。图 6 显示两相并联输出、1.5V 时的效率和两通道均流性能。就如此高密度的解决方案而言,86% 的效率是相当好的,而且正如图 4 的热量数据所示,由于电路板安装后的低 JA 热阻,温度上升得到了良好控制。有效的顶部和底部散热系统使 LTM4620 能以很少的温度上升及满功率工作。图 6 显示了VOUT1 和 VOUT2 的均流性能。LTM4620 的内部控制器经过了准确微调和测试,以实现输出均流。这使 LTM4620 成为高密度、可扩展电源解决方案的卓越选择。高效率和快速瞬态响应电流模式架构很好地满足了高性能处理器、FPGA 和定制 ASIC 所需的低压内核电源要求。出色的输出电压初始准确度和差分远端采样在负载点提供适当的 DC 电压调节。独特的热量控制能力和卓越的均流允许将输出电流能力扩展至高达超过 100A。为每个稳压器通道设定多相工作无需外部相移时钟源。每个 LTM4620 具有一个"时钟输入"引脚和一个"时钟输出"引脚,以及用于对并联通道进行定时的内部可编程相移功能。可以选择外部频率同步或内部内置定时。这些定时功能进一步实现了功率调整概念。

图 6:两相、1.5V 的效率和均流图
EFFICIENCY:效率
OUTPUT CURRENT:输出电流
Dual LTM4620 Single Output Current Sharing:双 LTM4620 单输出均流
TOTAL CURRENT:总电流
图 7 显示了 8 相、4 个 µModule 稳压器 100A 设计图片以及所有 4 个稳压器的均流图。所有 8 个相位是定时相位,并连接到一起以实现可扩展至 100A 的均流方案。正如图 7 注释所示,要支持 100A 的电源解决方案,实际的 µModule 稳压器占用的电路板空间大约为 1.95 平方英寸。这就为这类大电流提供了卓越的高密度电源解决方案。一个散热器可以运用到所有 4 个模块上,以通过空气流动去除电源损耗。这可防止大量电源损耗消散到系统电路板中。

图 7: 8 相、4 个 µModule 稳压器可扩展至 100A的设计
SINGLE uModule OUTPUT CURRENT:单个 µModule 输出电流
100A Four uModules in Parallel Current Sharing: 4 个 µModule 并联均流 100A
TOTAL CURRENT:总电流
[p]性能证明
为了验证 LTM4620 的性能,我们提供了 4 段视频短片,以显示设定和测量方法。这些视频短片涵盖的主题包括:短路保护、在 26A 和 100A 时的热量表现和温度上升、散热器连接以及在启动、稳定状态和停机时的精确均流。如需观看这些视频,请访问:http://video.linear.com.cn/p4634-126。
结论
LTM4620 µModule稳压器为高密度电源解决方案提供了一种新概念。这款高性能稳压器装在一个进行了卓越的热设计的封装中,使大功率设计能在非常小的外形尺寸内实现。具备准确均流的多相定时功能实现了 25 A、50 A 和超过 100 A 的可扩展设计。LTM4620 独特的热特性在环境温度逐渐上升时,允许全功率工作。在实现大电流设计的同时,还可以将功率损耗和温度控制在可接受的水平。
立即进入凌力尔特技术社区
射频工程师养成培训教程套装,助您快速成为一名优秀射频工程师...

