- 易迪拓培训,专注于微波、射频、天线设计工程师的培养
反激式(RCD)开关电源原理及设计
因该电源是公司产品的一个配套使用,且各项指标都不是要求太高,故选用最常用的反激拓扑,这样既可以减小体积(给的体积不算大),还能降低成本,一举双的!
反激拓扑的前身是Buck-Boost变换器,只不过就是在Buck-Boost变换器的开关管和续流二极管之间放入一个变压器,从而实现输入与输出电气隔离的一种方式,因此,反激变换器也就是带隔离的Buck-Boost变换器。
先学习下Buck-Boost变换器

工作原理简单介绍下
1.在管子打开的时候,二极管D1反向偏置关断,电流Is流过电感L,电感电流IL线性上升,储存能量!
2.当管子关断时,电感电流不能突变,电感两端电压反向为上负下正,二极管D1正向偏置开通!给电容C充电及负载提供能量!
3.接着开始下个周期!
从上面工作可以看出,Buck-Boost变换器是先储能再释放能量,VS不直接向输出提供能量,而是管子打开时,把能量储存在电感,管子关断时,电感向输出提供能量!
根据电流的流向,可以看出上边输出电压为负输出!
根据伏秒法则
Vin*Ton=Vout*Toff
Ton=T*D
Toff=T*(1-D)
代入上式得
Vin*D=Vout*(1-D)
得到输出电压和占空比的关系Vout=Vin*D/(1-D)
看下主要工作波形

从波形图上可以看出,晶体管和二极管D1承受的电压应力都为Vs+Vo(也就是Vin+Vout);
再看最后一个图,电感电流始终没有降到0,所以这种工作模式为电流连续模式(Ccm模式)。
如果再此状态下把电感的电感量减小,减到一定条件下,会出现这个波形!

从上图可以看出,电感电流始终降到0后再到最大,所以这种模式叫不连续模式(DCM模式)。
把上边的Buck-Boost变换器的开关管和续流管之间加上一个变压器就会变成反激变换器!

还是和上边一样,先把原理大概讲下:
1.开关开通,变压器初级电感电流在输入电压的作用下线性上升,储存能量。变压器初级感应电压到次级,次级二极管D反向偏置关断。
2.开关关断,初级电流被关断,由于电感电流不能突变,电感电压反向(为上负下正),变压器初级感应到次级,次级二极管正向偏置导通,给C充电和向负载提供能量!
3.开始下个周期。以上假设C的容量足够大,在二极管关断期间(开关开通期间)给负载提供能量!
咱先看下在理想情况下的VDS波形

上面说的是指变压器和开关都是理想工作状态!
从图上可以看出Vds是由VIN和VF组成,VIN大家可以理解是输入电压,那VF呢?
这里我们引出一个反激的重要参数:反射电压即VF,指次级输出电压按照初次级的砸比反射到初级的电压。可以用公式表示为VF=VOUT/(NS/NP),(因分析的是理想情况,这里我们忽略了整流管的管压降,实际是要考虑进去的)
式中VF为反射电压;
VOUT为输出电压;
NS为次级匝数;
NP为初级匝数。
比如,一个反激变换器的匝比为NP:NS=6:1,输出电压为12V,那么可以求出反射电压VF=12/(1/6)=72V.
上边是一个连续模式(CCM模式)的理想工作波形。

下面咱在看一个非连续模式(DCM模式)的理想工作波形
从图上可以看出DCM的Vds也是由VIN和VF组成,只不过有一段时间VF为0,这段时候是初级电流降为0,次级电流也降为0.
那么到底反激变化器怎么区分是工作在连续模式(CCM)还是非连续模式(DCM)?
是看初级电感电流是否降到0为分界点吗,NO,反激变换器的CCM和DCM分界点不是按照初级电感电流是否到0来分界的,而是根据初次级的电流是否到0来分界的。
如图所示

从图上可以看出只要初级电流和次级电流不同时为零,就是连续模式(CCM);
只要初级电流和次级电流同时为零,便是不连续模式(DCM);
介于这俩之间的是过度模式,也叫临界模式(CRM)。
以上说的都是理想情况,但实际应用中变压器是存在漏感的(漏感的能量是不会耦合到次级的),MOS管也不是理想的开关,还有PCB板的布局及走线带来的杂散电感,使得MOS的Vds波形往往大于VIN+VF.类似于下图

这个图是一个48V入的反激电源。
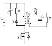
从图上看到MOS的Vds有个很大的尖峰,我用的200V的MOS,尖峰到了196了。这是尖峰是由于漏感造成的,上边说到漏感的能量不能耦合到次级,那么MOS关断的时候,漏感电流也不能突变,所以会产生个很高的感应电动势,因无法耦合到次级,会产生个很高的电压尖峰,可能会超过MOS的耐压值而损坏MOS管,所以我们实际使用时会在初级加一个RCD吸收电路,把尖峰尽可能的吸到最低值,来确保MOS管工作在安全电压。具体RCD吸收电路图如下

简单分析下工作原理
1.当开关S开通时,二极管D反骗而截至。电感储存能量。
2当开关S关断时,电感电压反向,把漏感能量储存在C中,然后通过R释放掉。细心的朋友可能会发现,当开关关断的时候,这个RCD电路和次级的电路是一模一样的,D整流,C滤波。R相当于负载。只不过输出电压不是VO,而变成了次级反射到初级的电压VF.所以,注意了,R的值不能取得太小,太小了损耗严重,影响效率。而且电阻的功率会变的很大!
下边来个加了RCD吸收的波形

关于RCD吸收的选取网上有很多文章,在以后我会介绍下!
面讲下变压器的设计方法!
变压器的设计方法有多种,个人感觉适合自己的才是最好的,选择一个你自己最熟悉的,能够理解的才是最好的!
我先介绍下一种设计方法:
1.先确定输入电压,一般是按照最低输入直流电压计算VINmin计算
A.要是直流输入按直流的最低输入来计算;
B.要是输入为交流电,一般对于单相交流整流用电容滤波,直流电压不会超过交流输入电压有效值的1.4倍,也不低于1.2倍。
列如,全范围交流输入85-265VAC的电源,一般按85VAC时计算,那VINmin=85*1.2=102V,一般会取整数按100VDC计算。
2.确定导通时间Ton
导通时间Ton=T*D
T为周期T=1/F
D为最大占空比,一般在最低输入电压的时候,D会最大,保证输出稳定。
注意大的占空比可以降低初级的电流有效值,和MOS的导通损耗,但是根据伏秒法则,初级占空比大了,次级的肯定会小,那么次级的峰值电流会变大,电流有效值变大,会导致输出纹波变大!所以,一般单端反激拓扑的占空比选取不要超过0.5.
而且一般的电流控制模式,占空比大于0.5要加斜率补偿的,对调试是个难度。
还有一重要的是你的占空比决定你的匝比,匝比决定啥,嘿嘿,反射电压VF,忘了再去上边看下,再加上你漏感引起的尖峰,最终影响你MOS的耐压。占空比越小匝比越小,反射电压VF越低,MOS的电压应力小。反之MOS的电压应力大,所以占空比要考虑好了。要保证再最高电压下你的VDS电压在MOS的规定电压以下,最好是降额使用,流出足够的余量来!
列如,电源的开关频率为100K,最低输入时的最大占空比为0.4,那T=1/100000=10μS,那么Ton=0.4*10μS=4μS.
3.确定磁芯的有效面积AE
AE一般会在磁芯的资料中给出。
4.计算初级匝数NP
NP=VINmin*Ton/ΔB*AE
式中VINmin为直流最低输入电压;
Ton为导通时间
AE为磁芯的有效面积
ΔB为磁感应强度变化量,这个值和磁芯材质,及温升等有关,一般考经验来选取,在0.1-0.3之间,取得越大,余量越小,变压器在极端情况下越容易饱和!俺一般取0.2.
5.计算次级匝数NS
NS=(Vo+Vd)*(1-D)*NP/VINmin*D
式中Vo为输出电压
Vd为二极管管压降
D为占空比
NP为初级匝数
VINmin为最低输入电压
6.确定次级整流二极管的应力VDR
上边算出变压器的初级匝数NP和次级匝数NS后,就可以得出次级整流二极管的电压应力
VDR=(VINmax*NS/NP)+VOUT
式中VINmax为最大输入电压,要保证在最高输入电压下你的二极管的电压应力不超标。一般算出来的这个VDR还要考虑降额使用,所以二极管的耐压要高于这个VDR值。
一般还要在整流管上并一个RC吸收,从而降低二极管反向回复时间造成的电压尖峰!尤其是CCM模式的时候!
7.确定初级电感量LP
确定电感量之前我们先看下上边的两个电流图

对于上图是两种工作模式的初级电感电流波形,我加了两个参数Ip1和Ip2;
Ip1对应最低输入电流
Ip2对应最高峰值电流
有上边这两个我们也就可以算出平均电流Iavg了
Iavg=(Ip1+Ip2)Dmax/2
式中Dmax为最大占空比
如果输出功率为Pout,电源效率为Η,那么
Pout/Η=VINmin*Iavg=VINmin*(Ip1+Ip2)Dmax/2
得出Ip1+Ip2=2Pout/VINmin*Dmax*Η
然后就可以计算Ip1和Ip2的值了
对于DCM来说,电流是降到零的,所以Ip1为零
对于CCM来说Ip1和Ip2都是未知数,又出来个经验选择了,一般取Ip2=(2-3)Ip1,不能取得太小,太小了会有一个低电流斜率,虽然这样损耗小点,但容易使变压器产生磁饱和,也容易使系统产生震荡!俺一般取Ip2=3Ip1.
计算出Ip1和Ip2后,这时候可以计算初级的电感量了
在Ton内电流的变化量ΔI=Ip2-Ip1
根据(VINmin/LP)*Ton=/ΔI
得出LP=VINmin*Ton/ΔI
到此变压器的初级电感量计算完毕,变压器的参数也计算完毕!
还有一种计算方法,就是按照上边的确定初级电感量的方法先确定电感量,然后来选择磁芯,选择磁芯的方法有很多种,一般最常用的是AP法
这个公式是看资料上的,具体我也没推倒过具体可以看看赵修科老师的那本《开关电源中的磁性元器件》。
式中L为初级电感量也就是LP
Isp为初级峰值电流Ip也就是ΔI,
I1L为满载初级电流有效值,但我往往会把Isp和I1L看成是一个,都是初级的峰值电流,所以仁者见仁智者见智,大家可以到应用时具体的来微调!
Bmax为磁感应强度变化量也就是ΔB.这个取值和上边一样,取得太大,磁芯小但容易饱和,而取得太小磁芯的体积又很大,所以一般折中取值!而且和频率关系也很大,要是频率很高,建议取小点,因为频率高了损耗也大,变压器大了有利于散热俺经常取0.2!
K1=Jmax*Ko*10-4
其中Jmax为最大电流密度俺一般取450A/平方厘米。但赵老师书里取得是420A/平方厘米
Ko为窗口面积,有的也叫窗口利用率吧,一般取0.2-0.4,具体要看绕线的结构了,比如加不加挡墙等因素,所以选取时要充分考虑,免得因取得变压器太小,结构要求苛刻而绕不下,导致项目失败!
10-4是由米变厘米的系数
所以上式整理下可得
AP=Aw*Ae=(LP*IP2*104/450*ΔB*Ko)4/3Cm4
计算出了AP就可以找到合适的磁芯,然后找到Ae再根据式
NP=LP*IP/ΔB*Ae
式中LP就是上边算得初级电感量
IP为初级峰值电流
ΔB为磁感应强度变化量
AE为磁芯的有效面积
后边的次级匝数NS和次级整流二极管电压应力的确定就和上边的步骤5和6一样了!
那这两种初级匝数NP的确定方法到底哪个对呢,可以告诉大家都对。根据电磁磁感应定律:
(VINmin/LP)*Ton=IP
所以VINmin*Ton=L*Ip
所以这两个从本质上式一样的。
所以个人觉得第一个适合有经验的工程师,可以凭经验来选择变压器,然后来计算变压器参数而第二种适合初学者,先确定变压器再算变压器参数,免得因自己经验不足而走了弯路!
变压器说到这把,以上是自己的个人意见,欢迎大家批评指正。其实设计出来的参数仅供参考,由于变压器的漏感,PCB的布局,走线等因素会在调试时做微调,最后做出一个最优的、可靠的产品!
射频工程师养成培训教程套装,助您快速成为一名优秀射频工程师...

