- 易迪拓培训,专注于微波、射频、天线设计工程师的培养
一款功率稳压逆变电源的设计与制作
标称功率300W的逆变电源,用于家庭电风扇、电视机,以及日常照明等是不成问题的。300W逆变器,利用12V/60AH蓄电池向上述家用电器供电,一次充满电后,可使用近5小时。不过,即使蓄电池电压充足,启动180立升的电冰箱仍有困难,因启动瞬间输出电压下降为不足180V而失败。电冰箱压缩机标称功率多为100W左右,实际启动瞬间电流可达2A以上,若欲使启动瞬间降压不十分明显,必须将输出功率提高至600VA.如在增大输出功率的同时,采用PWM稳压系统,可使启动瞬间降压幅度明显减小。无论电风扇还是电冰箱,应用逆变电源供电时,均应在逆变器输出端增设图1中的LC滤波器,以改善波形,避免脉冲上升沿尖峰击穿电机绕组。

采用双极型开关管的逆变器,基极驱动电流基本上为开关电流的1/β,因此大电流开关电路必须采用多级放大,不仅使电路复杂化,可靠性也变差而且随着输出功率的增大,开关管驱动电流需大于集电极电流的1/β,致使普通驱动IC无法直接驱动。虽说采用多级放大可以达到目的,但是波形失真却明显增大,从而导致开关管的导通/截止损耗也增大。目前解决大功率逆变电源及UPS的驱动方案,大多采用MOS FET管作开关器件。
MOSFET管的应用
近年来,金属氧化物绝缘栅场效应管的制造工艺飞速发展,使之漏源极耐压(VDS)达kV以上,漏源极电流(IDS)达50A已不足为奇,因而被广泛用于高频功率放大和开关电路中。
除此而外,还有双极性三极管与MOS FET管的混合产品,即所谓IGBT绝缘栅双极晶体管。顾名思义,它属MOS FET管作为前级、双极性三极管作为输出的组合器件。因此,IGBT既有绝缘栅场效应管的电压驱动特性,又有双极性三极管饱合压降小和耐压高的输出特性,其关断时间达到0.4μs以下,VCEO达到1.8kV,ICM达到100A的水平,目前常用于电机变频调速、大功率逆变器和开关电源等电路中。
一般中功率开关电源逆变器常用MOS FET管的并联推挽电路。MOS FET管漏-源极间导通电阻,具有电阻的均流特性,并联应用时不必外加均流电阻,漏源极直接并联应用即可。而栅源极并联应用,则每只MOS FET管必须采用单独的栅极隔离电阻,避免各开关管栅极电容并联形成总电容增大,导致充电电流增大,使驱动电压的建立过程被延缓,开关管导通损耗增大。
MOSFET的驱动
近年来,随着MOSFET生产工艺的改进,各种开关电源、变换器都广泛采用MOS FET管作为高频高压开关电路,但是,专用于驱动MOS FET管的集成电路国内极少见。驱动MOSFET管的要求是,低输出阻抗,内设灌电流驱动电路。所以,普通用于双极型开关管的驱动IC不能直接用于驱动场效应管。
目前就世界范围来说,可直接驱动MOSFET管的IC品种仍不多,单端驱动器常用的是UC3842系列,而用于推挽电路双端驱动器有SG3525A(驱动N沟道场效应管)、SG3527A(驱动P沟道场效应管)和SG3526N(驱动N沟道场效应管)。然而在开关电源快速发展的近40年中,毕竟有了一大批优秀的、功能完善的双端输出驱动IC.同时随着MOSFET管应用普及,又开发了不少新电路,可将其用于驱动MOSFET管,解决MOSFET的驱动无非包括两个内容:一是降低驱动IC的输出阻抗;二是增设MOSFET管的灌电流通路。为此,不妨回顾SG3525A、SG3527A、SG3526N以及单端驱动器UC3842系列的驱动级。
图2a为上述IC的驱动输出电路(以其中一路输出为例)。振荡器的输出脉冲经或非门,将脉冲上升沿和下降沿输出两路时序不同的驱动脉冲。在脉冲正程期间,Q1导通,Q2截止,Q1发射极输出的正向脉冲,向开关管栅极电容充电,使漏—源极很快达到导通阈值。当正程脉冲过后,若开关管栅—源极间充电电荷不能快速放完,将使漏源极驱动脉冲不能立即截止。为此,Q1截止后,或非门立即使Q2导通,为栅源极电容放电提供通路。此驱动方式中,Q1提供驱动电流,Q2提供灌电流(即放电电流)。Q1为发射极输出器,其本身具有极低的输出阻抗。
为了达到上述要求,将普通用于双极型开关管驱动输出接入图2b的外设驱动电路,也可以满足MOS FET管的驱动要求。设计驱动双极型开关管的集成电路,常采用双端图腾柱式输出两路脉冲,即两路输出脉冲极性是相同的,以驱动推挽的两只NPN型三极管。为了让推挽两管轮流导通,两路驱动脉冲的时间次序不同。如果第一路输出正脉冲,经截止后,过一死区时间,第二路方开始输出。两路驱动级采用双极型三极管集射极开路输出,以便于取得不同的脉冲极性,用于驱动NPN型或PNP型开关管。

图2b中接入了PNP型三极管Q和二极管D,其作用是分别使驱动电流和灌电流分路。
前级驱动IC内部缓冲器的发射极,在负载电阻R1上建立未倒相的正极性驱动脉冲使三极管Q截止。在驱动脉冲上升沿开始,正极性脉冲通过二极管D加到MOS FET开关管栅—源极,对栅源极电容CGS充电,当充电电压达到开关管栅极电压阈值时,其漏源极导通。正脉冲持续期过后,IC内部缓冲放大器发射极电平为零,输出端将有一定时间的死区。此时,Q的发射极带有CGS充电电压,因而Q导通,CGS通过Q的ec极放电,Q的集电极电流为灌电流通路。R2为开关管的栅极电阻,目的是避免开关管的栅极在Q、D转换过程中悬空,否则其近似无穷大的高输入阻抗极容易被干扰电平所击穿。采用此方式利用普通双端输出集成电路,驱动MOS FET开关管,可以达到比较理想的效果。为了降低导通/截止损耗,D应选用快速开关二极管。Q的集电极电流应根据开关管决定,若为了提高输出功率,每路输出采用多只MOS FET管并联应用,则应选择ICM足够大的灌流三极管和高速开关二极管。
[p]TL494应用

目前所有的双端输出驱动IC中,可以说美国德州仪器公司开发的TL494功能最完善、驱动能力最强,其两路时序不同的输出总电流为SG3525的两倍,达到400mA.仅此一点,使输出功率千瓦级及以上的开关电源、DC/DC变换器、逆变器,几乎无一例外地采用TL494.虽然TL494设计用于驱动双极型开关管,然而目前绝大部分采用MOS FET开关管的设备,利用外设灌流电路,也广泛采用TL494.为此,本节中将详细介绍其功能及应用电路。其内部方框图如图3所示。其内部电路功能、特点及应用方法如下:
A.内置RC定时电路设定频率的独立锯齿波振荡器,其振荡频率fo(kHz)=1.2/R(kΩ)。C(μF),其最高振荡频率可达300kHz,既能驱动双极性开关管,增设灌电流通路后,还能驱动MOS FET开关管。
B.内部设有比较器组成的死区时间控制电路,用外加电压控制比较器的输出电平,通过其输出电平使触发器翻转,控制两路输出之间的死区时间。当第4脚电平升高时,死区时间增大。
C.触发器的两路输出设有控制电路,使Q1、Q2既可输出双端时序不同的驱动脉冲,驱动推挽开关电路和半桥开关电路,同时也可输出同相序的单端驱动脉冲,驱动单端开关电路。
D.内部两组完全相同的误差放大器,其同相输入端均被引出芯片外,因此可以自由设定其基准电压,以方便用于稳压取样,或利用其中一种作为过压、过流超阈值保护。
E.输出驱动电流单端达到400mA,能直接驱动峰值电流达5A的开关电路。双端输出脉冲峰值为2×200mA,加入驱动级即能驱动近千瓦的推挽式和桥式电路。
TL494的各脚功能及参数如下:第1、16脚为误差放大器A1、A2的同相输入端。最高输入电压不超过VCC+0.3V.第2、15脚为误差放大器A1、A2的反相输入端。可接入误差检出的基准电压。第3脚为误差放大器A1、A2的输出端。集成电路内部用于控制PWM比较器的同相输入端,当A1、A2任一输出电压升高时,控制PWM比较器的输出脉宽减小。同时,该输出端还引出端外,以便与第2、15脚间接入RC频率校正电路和直接负反馈电路,一则稳定误差放大器的增益,二则防止其高频自激。另外,第3脚电压反比于输出脉宽,也可利用该端功能实现高电平保护。第4脚为死区时间控制端。当外加1V以下的电压时,死区时间与外加电压成正比。如果电压超过1V,内部比较器将关断触发器的输出脉冲。第5脚为锯齿波振荡器外接定时电容端,第6脚为锯齿波振荡器外接定时电阻端,一般用于驱动双极性三极管时需限制振荡频率小于40kHz.第7脚为接地端。第8、11脚为两路驱动放大器NPN管的集电极开路输出端。当第8、11脚接Vcc,第9、10脚接入发射极负载电阻到地时,两路为正极性图腾柱式输出,用以驱动各种推挽开关电路。当第8、11脚接地时,两路为同相位驱动脉冲输出。第8、11脚和9、10脚可直接并联,双端输出时最大驱动电流为2×200mA,并联运用时最大驱动电流为400mA.第14脚为内部基准电压精密稳压电路端。输出5V±0.25V的基准电压,最大负载电流为10mA.用于误差检出基准电压和控制模式的控制电压。TL494的极限参数:最高瞬间工作电压(12脚)42V,最大输出电流250mA,最高误差输入电压Vcc+0.3V,测试/环境温度≤45℃,最大允许功耗1W,最高结温150℃,使用温度范围0~70℃,保存温度-65~+150℃。
TL494的标准应用参数:Vcc(第12脚)为7~40V,Vcc1(第8脚)、Vcc2(第11脚)为40V,Ic1、Ic2为200mA,RT取值范围1.8~500kΩ,CT取值范围4700pF~10μF,最高振荡频率(fOSC)≤300kHz.

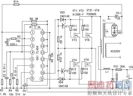
图4为外刊介绍的利用TL494组成的400W大功率稳压逆变器电路。它激式变换部分采用TL494,VT1、VT2、VD3、VD4构成灌电流驱动电路,驱动两路各两只60V/30A的MOS FET开关管。如需提高输出功率,每路可采用3~4只开关管并联应用,电路不变。TL494在该逆变器中的应用方法如下:
第1、2脚构成稳压取样、误差放大系统,正相输入端1脚输入逆变器次级取样绕组整流输出的15V直流电压,经R1、R2分压,使第1脚在逆变器正常工作时有近4.7~5.6V取样电压。反相输入端2脚输入5V基准电压(由14脚输出)。当输出电压降低时,1脚电压降低,误差放大器输出低电平,通过PWM电路使输出电压升高。正常时1脚电压值为5.4V,2脚电压值为5V,3脚电压值为0.06V.此时输出AC电压为235V(方波电压)。第4脚外接R6、R4、C2设定死区时间。正常电压值为0.01V.第5、6脚外接CT、RT设定振荡器三角波频率为100Hz.正常时5脚电压值为1.75V,6脚电压值为3.73V.第7脚为共地。第8、11脚为内部驱动输出三极管集电极,第12脚为TL494前级供电端,此三端通过开关S控制TL494的启动/停止,作为逆变器的控制开关。当S1关断时,TL494无输出脉冲,因此开关管VT4~VT6无任何电流。S1接通时,此三脚电压值为蓄电池的正极电压。第9、10脚为内部驱动级三极管发射极,输出两路时序不同的正脉冲。正常时电压值为1.8V.第13、14、15脚其中14脚输出5V基准电压,使13脚有5V高电平,控制门电路,触发器输出两路驱动脉冲,用于推挽开关电路。第15脚外接5V电压,构成误差放大器反相输入基准电压,以使同相输入端16脚构成高电平保护输入端。此接法中,当第16脚输入大于5V的高电平时,可通过稳压作用降低输出电压,或关断驱动脉冲而实现保护。在它激逆变器中输出超压的可能性几乎没有,故该电路中第16脚未用,由电阻R8接地。
该逆变器采用容量为400VA的工频变压器,铁芯采用45×60mm2的硅钢片。初级绕组采用直径1.2mm的漆包线,两根并绕2×20匝。次级取样绕组采用0.41mm漆包线绕36匝,中心抽头。次级绕组按230V计算,采用0.8mm漆包线绕400匝。开关管VT4~VT6可用60V/30A任何型号的N沟道MOS FET管代替。VD7可用1N400X系列普通二极管。该电路几乎不经调试即可正常工作。当C9正极端电压为12V时,R1可在3.6~4.7kΩ之间选择,或用10kΩ电位器调整,使输出电压为额定值。如将此逆变器输出功率增大为近600W,为了避免初级电流过大,增大电阻性损耗,宜将蓄电池改用24V,开关管可选用VDS为100V的大电流MOS FET管。需注意的是,宁可选用多管并联,而不选用单只IDS大于50A的开关管,其原因是:一则价格较高,二则驱动太困难。建议选用100V/32A的2SK564,或选用三只2SK906并联应用。同时,变压器铁芯截面需达到50cm2,按普通电源变压器计算方式算出匝数和线径,或者采用废UPS- 600中变压器代用。如为电冰箱、电风扇供电,请勿忘记加入LC低通滤波器。
射频工程师养成培训教程套装,助您快速成为一名优秀射频工程师...

