- 易迪拓培训,专注于微波、射频、天线设计工程师的培养
电源设计小贴士 47:解决隔离式开关的传导性共模辐射问题
录入:edatop.com 点击:
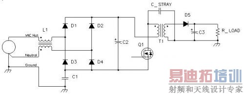
在《电源设计小贴士 40:非隔离式电源的共模电流》中,我们讨论了开关级中大电压摆动如何形成共模电流的问题,并介绍了它驱动电流进入电容到机架接地的过程。在这篇《电源设计小贴士》中,我们将继续讨论共模电流的问题。 在隔离式电源中,这种情况变得更加糟糕,因为隔离变压器的次级绕组最终连接至机架接地。因此,存在相当大的初级到次级寄生电容。图 1 显示了一个这种情况的简化示意图。
图 1 Q1 高压开关驱动 C-STRAY 中共模电流 这是一种离线工作的隔离式反向结构。110 伏到 220 伏 AC 输入电源经过整流,从而向功率级提供 100 伏到 400 伏DC。电源开关迅速开启和关闭,在 Q1 漏极上产生 500 伏到 600 伏开关波形,其同时也施加于电源变压器的初级绕组。这种开关电压,在变压器初级绕组到次级绕组之间的杂散电容中形成电流。该电流流经负载的预设机架接地,或者只是以电容方式接地耦合。该电流必须完成噪声返回通路,从而产生开关式电源。在没有 C1 的情况下,它流回 AC 输入电源,然后流入电源的输入线,其很可能会超出 EMI 辐射规格。 由于其高电源阻抗,这种电流的滤波特别困难。变压器的杂散电容大小级别为 100 pF,其典型电源开关频率的阻抗为 10 千欧。只在电流通路中添加一个电感来减小这种电流的方法并不实际。例如,如果我们希望将电流减小 10 倍,其要求100 千欧的电抗(也即 0.1 亨),且分布电容小于 10 pF,这并不现实。 电容器 C1 带来了另一种解决方案。它为电流提供了一条本地返回通路。大多数共模电流通过该电容器在电源内部回流,而不是通过 AC 输入电源回流。另外,C1 还减小了系统的电源阻抗,这样共模串联电感 L1 就变得现实了。 在共模滤波器的设计过程中,一个关键因素是 C1 值的选择。从电磁干扰 (EMI) 的角度来看,其值越大越好。更大的电容可获得更小的 EMI 信号,且电源阻抗也更低。你可以利用电容的平方原则,估计 EMI 信号的减小程度。但是,高电容也意味着机架连线的线频率电流更大。另外,这种电流还有一些安全限制,目的是减少触电事故的发生机率。当电源机架连线断裂时,人员进入电流通路便会发生触电事故,如图 2 所示。IEC Std 601-1 将这种电流的大小限制为 0.5 mA RMS,同时人们还在讨论出台更为严格的安全规定。输入为 230 伏时,IEC 可有效地将 C1 值限制为 4700 pF。
图 2 C1 可以成为一种触电风险 总之,驱动寄生电容机架接地的高 dV/dt 电压波形,会形成共模电流。这种电流特别难以滤波,原因是其存在高电源阻抗。滤波要求使用一个机架电容器,提供另一条本地返回通路,并降低阻抗。尽管从 EMI 滤波器的角度来看,电容越大越好,但是总电容受限于安全规定。 如欲了解本文的更多详情,敬请参阅 2003 Unitrode 电源设计研讨会主题 3:www.ti.com/2003powerseminar-ca。 下次,我们将讨论如何利用共模滤波电感器在离线电源中实现共模滤波,最终达到减少 EMI 的目的。
图 1 Q1 高压开关驱动 C-STRAY 中共模电流 这是一种离线工作的隔离式反向结构。110 伏到 220 伏 AC 输入电源经过整流,从而向功率级提供 100 伏到 400 伏DC。电源开关迅速开启和关闭,在 Q1 漏极上产生 500 伏到 600 伏开关波形,其同时也施加于电源变压器的初级绕组。这种开关电压,在变压器初级绕组到次级绕组之间的杂散电容中形成电流。该电流流经负载的预设机架接地,或者只是以电容方式接地耦合。该电流必须完成噪声返回通路,从而产生开关式电源。在没有 C1 的情况下,它流回 AC 输入电源,然后流入电源的输入线,其很可能会超出 EMI 辐射规格。 由于其高电源阻抗,这种电流的滤波特别困难。变压器的杂散电容大小级别为 100 pF,其典型电源开关频率的阻抗为 10 千欧。只在电流通路中添加一个电感来减小这种电流的方法并不实际。例如,如果我们希望将电流减小 10 倍,其要求100 千欧的电抗(也即 0.1 亨),且分布电容小于 10 pF,这并不现实。 电容器 C1 带来了另一种解决方案。它为电流提供了一条本地返回通路。大多数共模电流通过该电容器在电源内部回流,而不是通过 AC 输入电源回流。另外,C1 还减小了系统的电源阻抗,这样共模串联电感 L1 就变得现实了。 在共模滤波器的设计过程中,一个关键因素是 C1 值的选择。从电磁干扰 (EMI) 的角度来看,其值越大越好。更大的电容可获得更小的 EMI 信号,且电源阻抗也更低。你可以利用电容的平方原则,估计 EMI 信号的减小程度。但是,高电容也意味着机架连线的线频率电流更大。另外,这种电流还有一些安全限制,目的是减少触电事故的发生机率。当电源机架连线断裂时,人员进入电流通路便会发生触电事故,如图 2 所示。IEC Std 601-1 将这种电流的大小限制为 0.5 mA RMS,同时人们还在讨论出台更为严格的安全规定。输入为 230 伏时,IEC 可有效地将 C1 值限制为 4700 pF。
图 2 C1 可以成为一种触电风险 总之,驱动寄生电容机架接地的高 dV/dt 电压波形,会形成共模电流。这种电流特别难以滤波,原因是其存在高电源阻抗。滤波要求使用一个机架电容器,提供另一条本地返回通路,并降低阻抗。尽管从 EMI 滤波器的角度来看,电容越大越好,但是总电容受限于安全规定。 如欲了解本文的更多详情,敬请参阅 2003 Unitrode 电源设计研讨会主题 3:www.ti.com/2003powerseminar-ca。 下次,我们将讨论如何利用共模滤波电感器在离线电源中实现共模滤波,最终达到减少 EMI 的目的。深入阅读:
电源设计小贴士46:正确地同步降压FET时序
电源设计小贴士43:分立器件——一款可替代集成MOSFET驱动器的卓越解决方案
[视频]电源设计小贴士32和33:注意SEPIC耦合电感回路电流
电源设计小贴士38:使用简易锁存电路保护电源
电源设计小贴士 40:非隔离式电源的共模电流
电源设计小贴士 41:DDR内存电源
[视频]电源设计小贴士31:同步降压MOSFET电阻比的正确选择
立即加入德州仪器技术社区
射频工程师养成培训教程套装,助您快速成为一名优秀射频工程师...
天线设计工程师培训课程套装,资深专家授课,让天线设计不再难...
上一篇:SoC中放大器和ADC的校准
下一篇:双极性移相控制高频脉冲交流环节逆变器研究
射频和天线工程师培训课程详情>>

