- 易迪拓培训,专注于微波、射频、天线设计工程师的培养
旋变数字转换器(RDC)在汽车和工业中的应用
电路功能与优势
旋变数字转换器(RDC)广泛用于汽车和工业应用中,用来提供电机轴位置/速度反馈信息。
AD2S1210是一款完整的10位至16位分辨率RDC,片内集成可编程正弦波振荡器,为旋变器提供激励。由于工作环境恶劣,AD2S1210(C级和D级)的额定温度范围为−40°C至+125°C的扩展工业温度范围。
图1所示的高电流驱动器放大AD2S1210的参考振荡器输出并进行电平转换,从而优化与旋变器的接口。该驱动器是一个使用双通道、低噪声、精密运算放大器AD8662和分立互补发射极跟随器输出级的复合放大器。一个类似的驱动器级用于互补激励输出,从而提供一个全差分信号来驱动旋变器初级绕组。AD8662提供8引脚窄体SOIC和8引脚MSOP两种封装,额定温度范围均为−40°C至+125°C的扩展工业温度范围。

图1. 用于AD2S1210 RDC参考信号输出的高电流缓冲器(原理示意图,未显示去耦和所有连接)
RDC与旋转传感器配合使用,以便检测电机轴的位置和转速。在这种应用中,旋变器利用正弦波参考信号进行激励。初级绕组上的旋变器激励参考信号被转换为两个正弦差分输出信号:正弦和余弦。正弦和余弦信号的幅度取决于实际的旋变器位置、旋变器转换比和激励信号幅度。
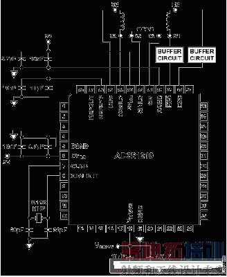
RDC同步采样两个输入信号,以便向数字引擎(即所谓Type II跟踪环路)提供数字化数据。Type II跟踪环路负责计算位置和速度。典型应用电路如图2所示。

图2. AD2S1210 RDC典型应用电路
由于旋变器的输入信号要求,激励缓冲器必须提供高达200 mA的单端电流。图1所示的缓冲电路不仅提供电流驱动能力,而且提供AD2S1210激励输出信号的增益。本电路笔记说明性能要求及推荐的激励缓冲拓扑结构。典型旋变器的输入电阻在100 Ω至200 Ω之间,初级线圈应利用7 V rms的电压驱动。
该转换器支持3.15 V p-p ±27%范围的输入信号。AD2S1210的额定频率范围为2 kHz至20 kHz。采用Type II跟踪环路跟踪输入信号,并将正弦和余弦输入端的信息转换为输入角度和速度所对应的数字量。该器件的额定最大跟踪速率为3,125 rps。在16位分辨率时,位置输出的精度误差最大值为±5.3弧分。
电路描述
AD2S1210采用5 V电源供电,输出缓冲电路要求12 V电源,以便向旋变器提供所需的差分信号幅度。
图1所示为AD2S1210、AD8662和相关电路的原理图,其中包括一个推挽输出级,它能够向旋变器提供所需的电源。本电路的优势之一是当不存在信号时,输出晶体管只需要少量静态电流。
AD2S1210的激励输出通常在EXC和EXC 输出端提供3.6 V p-p正弦信号,这将产生一个7.2 V p-p差分信号。
汽车旋变器的典型转换比为0.286。因此,如果将一个单位增益缓冲器配合AD2S1210使用,则旋变器输出的幅度约为差分2 V p-p。这种信号的幅度不足以满足AD2S1210的输入幅度要求。理想情况下,正弦和余弦输入应具有差分3.15 V p-p的幅度,因此缓冲器级应提供约1.5的增益。
图1所示激励缓冲器的增益通过电阻R1和R2设置。在电路测试期间,R1和R2电阻的值分别为10 kΩ和15.4 kΩ,对应的增益为1.54。
电阻R3和R4设置放大器的共模电压VCM(2) = +3.75 V。激励输出的共模电压VCM(1) = +2.5 V(中间电源电压)。因此,缓冲器输出共模电压VCM(OUT)约为+5.7 V(+12 V电源的大约一半)。
2.2 kΩ电阻为推挽电路输入端的二极管D1、D2提供偏置电流,并确立该侧的静态电流。D1和Q1上的电压(VBE)应保持一致,D2和T2上的电压(VBE)应保持一致。3.3 Ω电阻和4.7 Ω电阻上的电压也应保持一致。
选择运算放大器AD8662是为了满足推挽输出级的驱动要求。旋变器和RDC转换器往往用于恶劣环境中,因此一般需要能够在扩展温度范围(−40°C至+125°C)工作的器件。该运放应提供2 MHz以上的带宽,输入失调电压应小于1 mV。注意不得在0 V附近向信号引入失真,因为该失真可能无法被旋变器本身滤除。确保无失真的方法是设置输出晶体管的偏置,使得过零时仍然有足够的电流来维持线性。
[p]由于所选的拓扑结构可以采用单电源供电,因此针对缓冲器选择的运放也应当能够采用单供电轨供电。AD8662采用+5 V至+16 V的单电源供电,提供轨到轨输出,因而是理想的选择。
电容C1与电阻R2并联形成一个低通滤波器,用来滤除EXC和EXC 输出上可能存在的任何噪声。应谨慎选择此滤波器的截止频率,确保滤波器所引起的载波相移不超过AD2S1210的锁相范围。注意,电容C1不是必需的,因为旋变器可以滤除AD2S1210激励输出中的高频成分。
应当注意,在电路验证过程中,旋变器的输出直接连接到AD2S1210输入。客户应用中经常会使用其它调整电阻和/或无源RC滤波器。在AD2S1210之前可以使用其它无源器件,但应注意不要超过数据手册规定的AD2S1210最大锁相范围。外部无源器件可能会导致通道间幅度不匹配误差,这会直接转化为位置误差。因此,信号路径中推荐使用至少1%容差的电阻和5%容差的电容。
图3所示为70°角时采集到的12位角度精度码直方图。图4所示为16位角度精度码直方图。图5所示为100 rps旋转速率和16位分辨率设置时的速度输出码直方图。

图3. 12位角度精度码直方图,70°角,10,000次采样

图4. 16位角度精度码直方图,70°角,10,000次采样

图5. 16位速度输出码直方图,100 rps,10,000次采样
评估结果表明,AD2S1210与所示的激励缓冲电路一起使用能够实现产品数据手册说明的模拟精度和速度精度。
根据应用和传感器的具体要求,可以更改AD2S1210和AD8662周围的器件值。例如,通过改变电阻值,用户可以调整偏置电压、幅度和缓冲电路输出端的最大驱动能力。
常见变化
图1所示的缓冲电路可以在不做任何修改的情况下与ADI公司的其它旋变数字转换器一起使用,例如AD2S1200 and AD2S1205。为了改变输出幅度、驱动能力和失调电压,用户应适当调整无源器件。
[p] 如果系统需要其它运算放大器,可以考虑AD8664和AD8661,它们分别是AD8662的四通道版本和单通道版本。
射频工程师养成培训教程套装,助您快速成为一名优秀射频工程师...
天线设计工程师培训课程套装,资深专家授课,让天线设计不再难...
上一篇:超低功耗AC适配器与智能USB充电控制器
下一篇:高性能隔离式电源设计方案

