- 易迪拓培训,专注于微波、射频、天线设计工程师的培养
一种运用后级调整技术的新颖的多路输出正反激变流器
0 引言
目前,有很多电子设备不但要求电源能提供两路或更多路相互隔离并具有高调整率的供电,而且要求电源的效率能不断地提高,功率密度能不断地作大,从而减小电路的体积。这几个要求相结合就对电源设计提出了更高的要求。
通常而言,任何一个用变压器隔离的,能在副边提供多个绕组的拓扑都能成为多路输出变换器的候选。当前,从低成本和相对较高效率的角度考虑,多路输出电路多采用多绕组输出的正激变流器或反激变流器。
多路绕组输出的反激变流器是多路输出电路中最简单和最容易实现的。它具有很多的优点,比如结构简单、成本低、容易设计等。但是,由于该类电路的整体效率不高,在150W以上的场合中便很少用到。
正激变流器的特点正好与反激变流器相反,该变流器具有整体效率高的优点,从而在高功率的场合得到了广泛使用。但是,由于电路的副边结构上增加了一个续流二极管和滤波电感,成本会相应提高[1]。
在实际的电路设计中会遇到如下情况,即输出功率并不是均匀地分布在多路输出电源中的每路输出上。也就是其中一、二路要求输出功率特别大,占了整体输出功率的80%以上,而其他几路特别小。如果整个电路的总功率超过150W。从效率的角度来考虑,在电路拓扑上应当选用正激变流器。但是,如果每一路都用正激电路,那几路小功率电路就显得成本太高了而且没有必要。
针对这种情况,本文提出了一种新型的多路输出正反激变流器。该变流器可以利用电路的正激部分输出大功率,而用反激部分输出小功率。它是正激变流器和反激变流器的折中,充分将正激变流器的高效率和反激变流器的低成本的优点结合在一起。因此,该电路特别适用于那些多路输出电路中各路之间输出功率相差很大的场合。同时为了能使每一路都能有精确的输出,在辅路的输出部分电路中还使用了后级调整技术对输出电压进行精确的控制。
1 工作原理

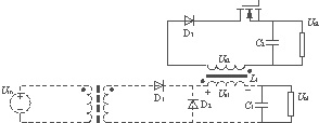
图1给出了该多路输出正反激变流器的原理框图。
图1 运用了后级调整技术的多路输出正反激变流器
该电路利用了正激变流器中的输出滤波电感作为其他辅路输出电路的反激式变压器。在时间段(1-D)Ts中,副边电感上面的能量在各个输出之间的分配,在本质上是和反激变换电路一样的(其中D是主管S1的占空比,Ts为开关周期)。
如同普通的反激式变流器,在没有对电路外加其他的后级调整措施的情况下,这个变流器中没有反馈的其他几个辅路输出的调整率将会比较差,通常波动在10%左右。如果要求电路的每一路都有精确的输出,最为常用的方法是在辅路输出上加线形的稳压芯片(比如7805等)。但是,这将带来巨大的功率损耗,因此,该方法仅适用在低输出功率的场合。在中高功率的场合下,常用的方法是磁开关(magamp)。但在高频的场合下,后级调整技术(SSPR)具有更多的优势[2]。所以,本文就利用该技术在其他辅路输出绕组上得到精确的输出电压。
对于反激变流器而言,当主管关断的时候,能量从原边电感到负载侧的传输是以电流源的形式进行的。更为重要的是,在反激变流器当中不存在输出电感,各路的输出电压都将由变压器的匝比来决定。即反激电路当中主路输出电压和辅路输出电压由式(1)决定。
Uo1/N1=Uo2/N2(1)
在这样的工作模式下,如果对于电路不进行调整的话,那么SSPR的电压阻断特性在这个地方将不起作用。所以,在文献[3]中提出了一个"分时复用"的模式。在这个模式下面,当主管关断时,能量将会在不同的时间段中传输到不同的输出支路上。为了能够实现"分时复用"的工作状态,则必须满足式(2)。
Uo1/N1>Uo2/N2(2)
图2为该电路的几个主要工作波形。图3为该变流器使用了SSPR的各个阶段的等效电路图。

图2 运用了SSPR电路的主要工作波形
(ugs1为主开关S1的门极信号。ugs2为辅助开关S2的门极信号)

(a)阶段1 DTs

(b)阶段2 D1Ts

(c)阶段3 D2Ts
图3 各阶段的等效电路图
工作的具体过程如下所述。
该电路的主路输出Uo1通过反馈控制的PWM对主管的开通时间进行控制,从而决定了传输到变压器副边的能量大小。SSPR的作用是在(1-D)Ts时间段,分别将这些能量传输到不同的输出支路上,达到将这部分能量在两个输出Uo1和Uo2之间分配的目的。"分时复用"可以通过调整SSPR的阻断时间来实现。
阶段1 在t1时刻前,在时间段DTs中,如图3(a)所示,主管S1导通,直流母线上的能量一部分通过正激变压器存储在输出电感L1当中,另一部分被传递到了主输出Uo1
UL1=Us1=Uin/n-Uo1(3)
式中:n为正激变压器T的变比。
[p]阶段2 在t1时刻后,在时间段D1Ts(D1为二极管D2导通的占空比)中,如图3(b)所示,主管S1和二极管D1关断,SSPR阻断了辅路输出。所以,此时仅有Uo1支路上的二极管D2导通。电感L1上的电压Us1被钳在主输出电压Uo1上。
UL1=-Us1=-Uo1(4)
阶段3 在时间段D2Ts(D2为S2的占空比)中,如图3(c)所示,变压器副边的S2已被触发导通,D3也导通。通过式(2)可知,L1上的电压Us1将被钳位在N1Uo2/N2<Uo1,使主路输出二极管D1反偏截止。
UL1=-Us1=-N1Uo2/N2(5)
综上所述,正激的输出电感L1不但在阶段2将能量传输到Uo1,而且作为一个反激变压器在D2Ts时间段将能量传输到Uo2。在一个时间段内,仅仅只有一个输出支路获得了能量。
时间段D2Ts可以通过SSPR的反馈控制电路来实现,而时间段DTs由正激电路的PWM来控制实现。由于D+D1+D2=1,D1Ts=(1-D-D2)Ts,则D1Ts将由DTs和D2Ts来共同决定。因此,本电路将能得到两路精确输出的电路Uo1和Uo2。
假设正激输出电感L1上的电流是连续的,则从L1的伏秒平衡来分析,可得
(Uin/n-Uo1)DTs=Uo1D1Ts+(N1Uo2/N2)D2Ts(6)
为了简化式(6),假设
ΔU=Uo1-N1Uo2/N2(7)
则
Uo1=(Uin/n-ΔU)D+ΔU(8)
D=(9)
2 实验结果
一个250W带2路输出的样机,验证了该变流器工作原理和优点。
该变流器的规格和主要参数如下:
输入电压Uin 220(1±20%)V;
主路输出电压Uo1 24V;
主路输出电流Io 11~10A;
辅路输出电压Uo2 12V;
辅路输出电流Io2 0~1A;
输出功率Po 250W;
工作频率f 100kHz;
主开关S1 IRFP840;
整流二极管D1、D2 MBR20200CT;
整流二极管D3 8TQ100;
变压器T PQ3230 原副边的匝数比为32:8;
电感L1 原副边匝数比为40:25,磁芯为ARNOLD公司的A-548127-2;
SSPR的控制芯片 TI公司的UCC3583。
图4为这个变换器工作的几个关键波形。这些波形表明了当栅极信号ugs2为高电平的时候,S2导通,电压uDS1从过去的输出电压Uo1变成电压N1Uo2/N2<Uo1(这时uDS1的波形有一个突降)。二极管D1由于反相偏置而关断,D2和S2开始导通。"分时复用"的特性在图4(d)体现得相当明显。

(a)S2的ugs2和uDS1 (b)ugs2 and iD2

(c)iD2 and uDS1 (d)iD2 and iD1
图4 实验波形
图5给出了该变流器在不同Po时的效率曲线,最高达到了92.4%,满载时为89.36%。

图5 不同输出功率下的效率曲线
图6给出了运用SSPR前后变流器的负载调整率曲线。充分说明应用SSPR后,对于所有的输出状态,辅路输出都具有良好的调整率。

(a)当辅路输出为空载的状态下

(b)当主路输出为空载的状态下
图6 辅路输出UO2的负载调整率
3 结语
本文提出的一个新颖的使用了后级调整技术(SSPR)的多路输出正反激变流器。它结合了正激变流器的高效率和反激变流器的低成本的优势,同时还能保证实现每路电压的精确输出。该电路特别适合应用于那些各路输出功率很不均衡,同时要求高效率和精确输出的场合。一个250W的样机验证了它的优点。
射频工程师养成培训教程套装,助您快速成为一名优秀射频工程师...

