- 易迪拓培训,专注于微波、射频、天线设计工程师的培养
高效率、低应力、低污染、低输出纹波通信开关电源的研制
1引言
高频开关通信电源系统是通信、电力、交通、金融等行业的主要供电设备,是集电路、磁路、控制及计算机技术于一体的高新技术产品。目前国内外许多大公司,包括英国Advance、华为、中兴、通力环等都有系列产品销售。但随着通信产业和电力电子技术的发展,电源技术也在不断地前进。本文对影响开关电源性能的几个关键技术进行了分析,在此基础上研制新型高可靠性、高效率、低污染开关电源系统。
2市场对新型开关电源的主要技术要求
(1)高可靠性开关电源系统MTBF(平均无故障工作时间)应≥15万小时。
(2)低电磁污染主要包括低输入谐波干扰和低高频电磁干扰两个方面。
(3)低输出纹波纹波大是开关电源的缺点之一,是引起数字电路误动作、计算机死机的主要原因。
3新型开关电源组成
新型低污染、高效率、低应力、低输出纹波开关电源的原理框图如图1所示,主要包括EMI及浪涌吸收滤波电路,前级有源软开关功率因数校正电路,相移谐振软开关DC/DC变换电路及输出纹波抑制电路等。

图1
4低应力高可靠电源变换技术
功率器件开关应力(包括热应力和电应力)是影响电源可靠性的主要因素,功率器件的热应力包括其稳态温升和开关过程中的动态功耗两部分,稳态温升主要和系统的效率有关,只有减少系统各元器件的功耗(主要包括变压器、变换器件、吸收回路的功耗),才能提高系统效率从而降低稳态温升。动态损耗即开关过程中UI乘积,可通过使开关过程中电压、电流波形错位的方法来减少。功率器件的电应力即开关过程中电压、电流变化率及峰值。新型电源设计中采用软开关变换技术来减少功率器件的应力,提高系统可靠性。软开关变换技术包括前级功率因数校正、软开关变换技术和后级相移软开关变换技术两部分,前级功率因数校正及软开关变换电路的原理如图2所示。

图2
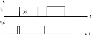
控制电路采用Unitrode公司UC3855完成,主、辅管驱动波形如图3所示,V1为主开关管,V2为辅助开关管,在主管V1开通之前先使V2导通,实现主开关管的ZVS开通,从而显著降低功率器件的开关损耗和开关电应力,提高系统的可靠性和电磁兼容性。

图3
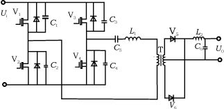
后级相移软开关变换电路原理如图4所示。

图4
V1-V4组成桥式变换电路,L1为储能谐振电感,其控制由Unitrode公司UC3875完成,V1,V2,V3,V4的驱动信号如图5所示。

图5
该电路工作的主要难点是如何在比较大的范围内使滞后臂实现软开关,通过谐振电感、电容及死区时间的优化设计满足要求。
5低污染电源变换技术
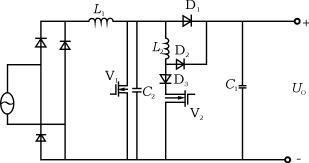
低频谐波干扰及高频电磁干扰是开关电源污染的主要形式,低频谐波干扰主要来源于开关电源输入的非线性。目前减少低频谐波干扰的主要措施有:无源校正措施和有源校正措施。新型电源采用有源功率因数校正技术,即采用有源功率变换使开关电源输入线性化的技术,原理如图6所示。其工作原理是通过电压、电流闭环控制和功率变换电路使输入电流跟踪输入电压,提高系统功率因数,减少低频谐波。

图6
高频电磁干扰是开关电源的另一种污染,指150kHz~30MHz的高频传导干扰。主要包含两类干扰:常模干扰,即高频器件开关引起的输入线之间的干扰;共模干扰,即功率器件、变压器与机壳地之间的漏电流引起的输入线与机壳地之间的干扰。电源中采用了常模共模滤波网络,滤除电源高频干扰。另外,在功率器件、变压器与机壳地之间采用法拉地屏蔽器、主功率变换采用软开关技术及优化输入电感滤波网络设计,也可以显著增强电源的抗高频干扰性能。
6输出纹波抑制措施
开关电源输出纹波主要来源于四个方面,即输入交流电源噪声,高频差模噪声,寄生参数引起的共模噪声和功率器件开关过程中产生的超高频谐振噪声。
交流电源噪声主要来源于输入工频交流分量,可采用前级预稳压和增大DC/DC变换器闭环增益来消除。
高频差模噪声来源于高频功率开关变换电路,其大小主要和开关电源的变换频率、输出滤波器的结构和参数有关,设计中尽量提高功率变换频率,以减少高频开关噪声。
共模噪声主要来源于功率器件、变压器与机壳地之间的漏电流,尽量减少功率器件、变压器与机壳地之间的寄生电容,并在输出侧加共模电感及共模电容,可减小输出共模噪声。
超高频谐振噪声,主要来源于高频整流二极管反向恢复时二极管结电容、功率器件开关时功率器件结电容与线路寄生电感的谐振,频率一般为1~10MHz,通过选用软恢复特性二极管、结电容小的开关管和减少布线长度等措施可以减少超高频谐振噪声。
7新型电源技术指标
输入电压范围:AC154~286V(单相)
输出电压范围:均充57.6V
浮充43.2—56.2V
额定输出电流:50A
效率:90%
输入功率因数:0.98
负载效应:±0.08%
源效应:±0.02%
负载响应:<200μ s
起动电流:≤130%
端子干扰电压:0.15~0.5MHz75dBUV
0.5~30MHz70dBUV
输出纹波(峰-峰值):150mV
8结论
在满足客户需求的前提下,系统地分析实现高可靠性、低污染、低输出纹波的技术措施,并在此基础上研制成功新型高效率、低污染,低输出纹波开关电源,达到原邮电部入网要求,满足市场需求。
射频工程师养成培训教程套装,助您快速成为一名优秀射频工程师...

