- 易迪拓培训,专注于微波、射频、天线设计工程师的培养
一种带宽直流放大器的设计
带宽放大器是指工作频率上限与下限之比远大于l 的放大电路。这类电路主要用于放大视频信号、脉冲信号或射频信号。本文提出了一种以可变增益放大器VGA AD603 为核心,结合外围模拟及数字电路实现宽带放大器的设计方法, 带宽可达10 MHz。
1 系统整体设计
该系统由前置放大、可预置增益放大、低通滤波器、后级放大、直流稳压模块和单片机控制与显示模块六大部分构成。具体电路结构如图1 所示。

图1 系统框图
2 方案论证与设计
2.1 可控增益放大器方案选择
方案一:DAC 控制增益。该方案从理论上讲, 只要D/A 的速度够快、精度够高就可以实现很宽范围的精密增益调节。但是控制的数字量和最后的增益(dB) 不成线性关系而是成指数关系, 造成增益调节不均匀、精度下降, 且其增益动态范围有限, 故不采用; 方案二: 使用控制电压与增益成线性关系的可编程增益放大器PGA,用控制电压和增益(dB) 成线性关系的可变增益放大器来实现增益控制。用电压控制增益, 便于单片机控制, 同时可以减少噪声和干扰。
综合比较, 选用方案二, 采用可变增益放大器AD603作增益控制放大器。
2.2 输入阻抗匹配方案选择
方案一:采用低噪声精准放大器OP27 设计前级的射级跟随,尽管噪声小、精度高,但是由于带宽仅为8 MHz,达不到10 MHz 的要求; 方案二: 采用高速宽带运放OPA692 作为构成前级的射级跟随器。OPA692 是高速宽带运放, 其在±5 V 双电源工作时,增益为2,频带宽度为190 MHz,电压转换速率为2 100 V/μs。
经过比较, 采用方案二。由于AD603 的输入阻抗只有100 Ω, 使用OPA692 作为前级输入完全能满足要求,并且可以很好地隔绝前级电路对后级电路的干扰, 实现级间的阻抗匹配。
2.3 滤波电路选择方案
方案一: 采用RC 滤波电路, 但RC 滤波衰减很大;方案二: 利用高速宽带运放OPA690 设计二阶巴特沃思滤波器, 其通频带内的频率响应曲线最大限度平坦, 没有起伏, 而在阻频带则逐渐下降为零。经比较, 选择方案二。
3 理论分析与参数计算
3.1 电压增益控制原理分析
电压增益控制原理分析AD603 的基本增益为:Gain =40 VG+10, 其中,VG是差分输入电压, 单位是V,Gain 是AD603 的基本增益,单位是dB 。从此式可以看出, 以dB 作单位对数增益和电压之间是线性关系, 因此, 只要单片机进行简单的线性计算就可以控制对数增益, 增益步进可以很准确地实现。
3.2 通频带内增益起伏控制分析
为控制通频带内增益起伏, 采用二阶巴特沃思滤波环节, 其电阻电容可根据式(1) 、式(2)计算:

其中f0为通带截止频率,Q 为f=f0时电压放大倍数与通带放大倍数数值之比。计算数据可仿真实现。
3.3 抑制直流零点漂移分析
在集成运放同相输入端和反相输入端外接总电阻相同的情况下, 可抑制零点漂移, 另外在实际调试中, 还应加入调零端, 可有效地调整零位。
3.4 放大器稳定性分析
在各级放大电路中, 设计中均采用了电压负反馈,保证了放大器运行稳定。
4 主要功能模块设计
4.1 可编程增益放大器
AD603 是一款低噪声、精密控制的可变增益放大器, 温度稳定性高, 最大增益误差为0.5 dB, 其增益(dB)与控制电压(V) 成线性关系, 因此可以很方便地使用D/A 输出电压控制放大器的增益, 并且其输入电流很小,致使片内控制电路对提供增益控制电压的外电路影响减小, 很适合构成程控增益放大器。可编程增益放大器AD603 由无源输入衰减器、增益控制界面和固定增益放大器三部分组成。带宽90 MHz 时增益变化范围为-11 dB~+3l dB; 带宽为9 MHz 时为9 dB~51 dB。增益变化范围可分三种模式进行控制: 当5 脚与7 脚断开时,增益变化范围为9 dB~51 dB, 当5 脚与7 脚短接时, 增益变化范应为-11 dB~+3l dB, 当5 脚与7 脚之间接一电阻时, 可使增益变化范围进行平移。为了增大控制范围,设计中采取了两级AD603 级联的方法,如图2 所示。

图2 可编程增益放大器
4.2 低通滤波电路
设计中采用了专用设计滤波器软件Filter Wiz Pro ,利用高速宽带运OPA690 实现, 如图3 所示。

图3 低通滤波电路
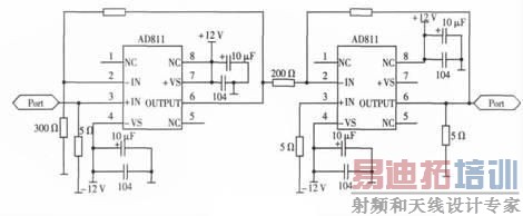
4.3 后级放大电路
后级功率放大电路采用运放AD811 实现。AD811 是美国模拟器件公司推出的一种带电流反馈型视频运算放大器, 当增益G=1 时,-3 dB 带宽为140 MHz ; 当增益G=2 时,-3 dB 带宽为140 MHz ; 当增益G=10 时,-3 dB带宽可达100 MHz ; 电压转换率为2 500 V/μs , 完全满足系统需求。后级放大具体电路见图4。

图4 后级放大电路
4.4 手动增益预置及控制
单片机C8051F020 是整个放大器控制的核心部分,它主要完成以下功能:接收用户按键信息以控制增益,进而对AD603 的增益控制电压进行控制并可完成显示功能。
手动增益预置的基本思路是:单片机键盘输入设定,数字程控, 经D/A 转换产生控制输出电压, 加至图2 中两片AD603 的1 脚,从而对增益进行控制,实现方便直观。
4.5 直流稳压电源
电源采用桥式全波整流、滤波及三端稳压, 可输出±15 V、±12 V、±9 V、±5 V 的芯片供电电压。交流输入采用18 V 隔离变压器, 因此整流二极管选用IN5408 , 其耐压耐流完全符合要求。整流滤波为π 型滤波, 滤波效果良好, 三端稳压由CM7815 、CM7915 、CM7812 、CM7912 、CM7809 、CM7909 、CM7805 、CM7905 实现。
4.6 抗扰措施
系统总的增益为60 dB, 因此利用有效的抗干扰措施才能避免自激和减少噪声, 为此采用了如下方式:
(1) 所有信号耦合用电解电容两端并接高频瓷片电容以避免高频增益下降。
(2) 使用同轴电缆。输入级和输出级使用BNC 接头, 输入级和功率级之间用同轴电缆连接。
(3) 数模隔离。数字部分和模拟部分之间除了电源隔离之外, 还在DAC TLV5620 后级加入光电耦合器进行隔离, 进而成功消除了数字信号对模拟信号的干扰。
5 软件设计:
本系统设计软件时, 采用C8051F020 , 完成增益预置及显示功能, 其程序流程如图5 所示。

图5 软件流程图
整个设计包括模拟和数字两大部分, 采用集成电路与分立元器件结合的方案, 集中了各自优势, 起到了设计简单、性能优良、实现容易的效果。该设计实现了最大电压增益AV≥60 dB, 输入电压有效值Vi≤10 mV, 且AV 手动连续可调,3 dB 通频带为0~10 MHz , 带宽性能良好、制作成本低、电源效率高, 具有一定的应用价值。
射频工程师养成培训教程套装,助您快速成为一名优秀射频工程师...
天线设计工程师培训课程套装,资深专家授课,让天线设计不再难...
上一篇:程控三相精密线性功率源的设计
下一篇:时序、精确度和可重复性以外的东西

