- 易迪拓培训,专注于微波、射频、天线设计工程师的培养
三相高频斩波式交流稳压装置的研究
工业设备及大型计算机站等场合,大量应用大功率交流稳压电源。在各种交流稳压设备中,多采用电压补偿原理来稳定输出电压,如:大功率接触补偿型交流稳压电源,无触点感应补偿型及开关补偿型交流稳压电源等。在这些设备中,补偿电路多在基频(50Hz)下工作,所以设备体积重量大,转换效率低,限制了它们在大功率场合下的应用。
文献[1][2]等提出了一些高频补偿式电路,但由于使用的元器件较多,电路结构复杂,成本高,难以在实用中得到推广和实用。
文献[3]提出了一种三相高频PWMAC链调节器。由于该电路使用开关器件少,控制简单,补偿电路电感性元件为高频元件,数目少,是一种极有开发应用价值的变换电路。本文主要介绍该电路的工作原理,主要参数设计和仿真波形及实验结果。
2 电路结构及工作原理
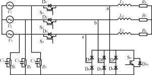
此三相高频斩波交流调压主电路如图1所示。为便于分析,暂不考虑变压器。

图1 三相高频斩波交流调压主电路图
开关S1,S2,S3用于交流斩波,开关S4用来在开关S1,S2,S3关断时为负载续流。S1,S2,S3和S4互补导通。C1,C2,C3为各相旁路电容,用CP表示,R1,R2,R3为各相旁路电阻,用RP表示。L1,L2,L3为滤波电感,R4,R5,R6为负载。
为了防止S1,S2,S3和S4同时导通,在它们互补导通转换时设置了死区。在死区时段由电容CP为负载电流提供旁路,电阻RP在死区过后供电容CP放电。变压器用于给负载提供合适的电压并隔离负载和主电路。
此电路正常工作时,有以下几个工作模式:
2.1 供能模式
工作在此模式,开关S1,S2,S3导通,S4关断,输入电压加在负载上。如图2所示,假设电流方向如图所示。

图2 供能模式
2.2 旁路模式
工作在此模式,开关S1,S2,S3,S4都关断。负载电流通过旁路电容CP和三相整流桥中的二极管以及开关管的并联二极管保持连续。如图3所示。在此期间会有一部分能量存储在旁路电容CP中,此能量在死区结束后通过电阻RP泄放。

图3 旁路模式
2.3 续流模式
工作在此模式,开关S1,S2,S3关断,S4导通,L1,L2,L3释放能量使负载电流通过S4保持连续。如图4所示。

图4 续流模式
3 主要参数设计
供电通路主要工作在双向Buck状态,故图1中a(或b、c)点电压通过傅立叶级数分解可得ua=DV1+Va′ncos[(nωs±ωi)t](1)
式中:ωi为输入电压角频率;ωs为开关角频率;Va′n为输出谐波幅值;D为占空比。
其谐波分布在(nωs±ωi),只要开关频率足够高,滤波电感L可以很小,因此,功率电路的设计主要是旁路电容及电阻的设计。
由前所述,旁路电容的作用主要是在"死区"期间,连续负载电流波形。其等效电路如图5(a)所示(以a相电路供电为例)。
由于电容作用时间很短(2μs~3μs),可以将电源电压与负载电流看作恒定值,其等效模型如图5(b)所示。

图5 死区等效电路
(a)等效电路(b)等效模型
[p]3.1 旁路电容C与泄放电阻R的设计
为了方便推导,分别以电路相电流有效值、相电压有效值为标么值,并设M=
,K=
,其中Ti为输入电源周期,tbp为死区时间。
电容电流峰值,则
(2)![]()
由于旁路电流峰值与最小值差别不大,为简便计算,用代替,则电流平均值为:![]()
(3)
电容电压为:
VCbp=VPm[1+cos(ωit+φ)](4)
式中:φ为初相角
其平均值为:
(P,U)(5)
则其峰值和有效值分别为:
(6)
(7)
由于,则
(P.U)(8)
(P.U)(9)
又(P.U),所以旁路电阻为:
(P.U)(10)由于上述推导中用代替,所以实际取值时对Rbp可适当放大。
3.2 仿真及实验
设计一只交流稳压电源,其参数如下:
RL=30Ω,tbp=2μs,fs=20kHz,Ts=50μs,
fi=50Hz,M==10000,K==400,=5.77A。![]()
则有Rbp =37.5(P.U),即Rbp 1.3kΩ(实际仿真及实验取值为1.5kΩ);Cbp=,当取为11V时,Cbp为1μF;开关管S1~S4(带寄生反向二极管)型号为1MBH60D 100,二极管D4~D9型号为MUR8100T。
仿真负载电压波形如图6(D=0.8)所示。

图6 仿真负载电压波形(三相)
在输入线电压有效值为100V时,实验电路负载电压波形(某一相)如图7(D=0.75)所示。

图7 输出电压波形(一相)
4 结论
由仿真及实验结果表明,在较小滤波电感及旁路电容作用下,的确可以调节输出电压,加入适当的波形反馈控制,可以更进一步优化输出波形。
射频工程师养成培训教程套装,助您快速成为一名优秀射频工程师...
天线设计工程师培训课程套装,资深专家授课,让天线设计不再难...
上一篇:检流放大器的瞬态过压保护
下一篇:数码发电机逆变控制器制作过程

