- 易迪拓培训,专注于微波、射频、天线设计工程师的培养
安森美半导体应对智能电网挑战的高能效解决方案
多家市场调研机构预计,到2030年,可再生能源(如风力发电和太阳能发电)在全球能源消费总量中所占的份额将大幅上升。倡导节能减排、绿色发展对所有行业提出了新的要求,迎合低碳经济时代的节能设计已成为能源企业和电子产品竞争力的重要体现。
市场机遇与挑战
发展可再生能源是大势所趋。而太阳能和风力发电是智能电网的组成部分,同属于分布式发电范畴。推动智能电网发展可以带来许多优势,如利用双向通讯实现需求对应管理,缓和用电高峰,快速发现故障,避免停电事故,从而实现更高能效、可靠性及安全性;智能地整合新的替代能源,并为电动和混合动力汽车提供电力;更好地调整能源供需,更高效地利用发电厂及电网,减少碳排放量;提供动态的费率表,帮助客户优化总电能消费及电费支出,改善客户服务;及远程读表及远程通电和断电可以节省人力成本,提高运营效率等。
在推进可持续发展的共识下,中国目前正在大力发展太阳能、风能等产业,前景看好。其中太阳能领域的技术已经日趋成熟,太阳能发电等都获得了长足发展,太阳能街道照明也越来越受到青睐。此外,为导入新一代智能电网而完善电力基础设施,中国政府制订了到2020年投入4万亿元人民币的宏伟目标,其中的"坚强的智能化电网(Strong&Smart Grid)"的概念已在上海世博会展示。
不过,在发展可再生能源和升级改造现有电网的同时,也面临着不少挑战。对半导体行业来说,最大的挑战莫过于能量转换,因为发展可再生能源的关键在于优化能效。以太阳能供电的LED街道照明为例,这种应用需要高效可靠的太阳能板充电控制器,以及LED驱动器等关键器件,需求相当可观。而智能电网从发电、配电和现场区域网到智能电表通信及家庭区域网,也都需要诸多电子元器件。其中包括功率因数控制器、交流-直流(AC-DC)和直流-直流(DC-DC)控制器、稳压器、MOSFET、三端双向可控硅开关元件(TRIAC)、电力线载波调制解调器、滤波、输入/输出(I/O)及数据保护、线路驱动器及信号放大器、LCD背光驱动器、EEPROM存储器及智能卡接口等。
应用于智能电网的高能效解决方案示例
1. 提升太阳能电池板光电转换能效的方案
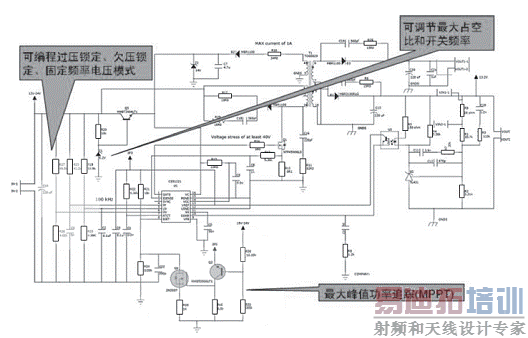
近年来,业界越来越关注利用可再生清洁能源太阳能的街道照明。对于太阳能街灯而言,提高太阳能电池板的光电转换能效非常重要。太阳能电池板的电压-电流(V-I)特性曲线呈现非线性和可变性,要从中获取最大量的电能非常困难。这需要太阳能LED街灯的充电控制器及其他相关电子电路(一般采用微控制器来实现)尽可能采用有效的控制方法来提高能效。
安森美半导体的CS51221增强型电压模式PWM控制器就是一种可提高太阳能电池板能效的器件。它可以控制太阳能板电池充电,支持最大峰值功率追踪(MPPT)功能,为太阳能电池不断变化的V-I特性曲线提供补偿,优化太阳能电池的功率输出,提高能效,并使蓄电池充电至优化电量。
在应用电路中,需要为CS51221选择合适的拓扑结构。该拓扑结构要能够在一个蓄电池的情况下将太阳能板输出电压降至12V,而在两个或多个蓄电池情况下也能轻易修改,支持升压至24V。CS51221本身能够配置为正激、反激或升压拓扑结构。在针对太阳能板充电控制应用推出的参考设计中,安森美半导体选择的是反激拓扑结构。
在应用中,通过在ISET引脚动态调节电流限制,从而实现最大峰值功率追踪功能。一旦输入电压逐脉冲下降,电流限制就会被降低,直至输入电压恢复。这种方式无需使用价格昂贵的微控制器。这样实现的充电控制器会发现峰值功率点并进行动态调节,使其符合不断变化的电源特性。实际上,通过采用最大峰值功率追踪技术,可以将较以往多30%的电荷从太阳能板传输至蓄电池,这样太阳能街灯系统就可以采用尺寸更小的太阳能板,从而带来显著的成本效益。图1是采用安森美半导体CS51221控制器的太阳能板充电控制应用示意图。

图1:采用安森美半导体CS51221控制器的太阳能板充电控制应用
http://www.globalsca.com/UploadFile/TpNews_Images/200904131030589767.pdf
此外,安森美半导体的NCP3066恒流降压稳压器也能用于太阳能街灯的LED驱动应用,提供系统所需的功率及光输出,并具有极高的能效。
2. 智能电网方案
今天的电网已变得比以往更大、更安全,具有更高的能效,但其智能化程度仍然偏低,所以智能电网是当今的重要发展趋势。
安森美半导体已投入并正大量投资智能电网研发,涵盖所有产品线,包括电源转换模拟IC、信号IC(如低噪声放大器)、功率分立器件(高压MOSFET、IGBT、整流器)、混合信号IC(智能卡接口IC、时钟及时序IC)、通信IC(如PLC调制解调器)、逻辑IC、存储器IC,及标准分立器件(保护、滤波器)。
智能电网的核心就是智能电表,借助智能电表,电力公司能够知道用户在什么时间使用了多少电能,便于他们提供差异化的定价,帮助用户优化其总体电能消费和电费支出。
安森美半导体应用于智能电表的方案包含一系列标准产品、专用标准产品(ASSP)及专用集成电路(ASIC),可以提供智能电表的4种基本功能,包括:电源/电源管理、计量、寄存及通信。图2是由安森美半导体的多种器件(图中绿色部分)构成的智能电表应用。

图2:由安森美半导体的多种产品构成的智能电表应用
全集成电力线载波(PLC)调制解调器AMIS-49587是图2应用中的一个关键器件。该器件可提供高集成度、符合标准的低功率PLC方案,可应用于智能电力自动读表及管理、街道照明控制、智能电力插头(power plug)和建筑物自动化等领域。AMIS-49587利用安森美半导体的混合信号技术,在一个集成电路中集成了模拟调制解调器前端和数字后处理功能。
AMIS-49587符合IEC1334标准,有助于简化设计、降低开发及应用成本,并加速上市进程。该器件基于ARM7TDMI处理器内核,包含物理接口收发器(PHY)和媒体访问控制器(MAC)层,而大多数竞争方案都需要复杂的嵌入式软件来执行与AMIS-49587相同的功能。该器件采用扩频型移频键控(S-FSK)调制技术,结合精确的滤波,为长距离电力线提供可靠的低数据率通信,以及2,400 bps(波特)的半双工可调节通信速率。不到20千赫(kHz)的低工作频率配以自动中继器(repeater)功能,令通信更可靠,通信误差比其他及现有方案更低。图3是AMIS-49587的方框图。

图3:AMIS-49587方框图
总结
在政府节能规范及各种能效计划的推动下,可再生能源和新兴的智能电表市场增长潜力巨大。在这一过程中,半导体器件将以其低能耗、高能效、高可靠性、高速度、高智能性、小尺寸等综合优势肩负重任。
安森美半导体拥有基于先进技术及庞大生产规模的宽广产品阵容,应对智能电网的市场机遇与挑战,包括标准产品、ASSP及ASIC。在技术上涵盖了从极高压(700 V)技术(用于开发电源/电源管理中的模拟电源转换IC),到亚微米0.11 um CMOS技术(在单个硅芯片上集成微控制器核心和混合信号模拟电路),以及高压MOSFET、IGBT及整流器。
射频工程师养成培训教程套装,助您快速成为一名优秀射频工程师...

